Запчасти Case IH 1020 (9B-34) - KNIFE DRIVE SHAFT, 22.5, 25.0 AND 30.0 FOOT HEADER (HAYES-DANA) (09) - CHASSIS/ATTACHMENTS

Схема запчастей Case IH 1020 - (9B-34) - KNIFE DRIVE SHAFT, 22.5, 25.0 AND 30.0 FOOT HEADER (HAYES-DANA) (09) - CHASSIS/ATTACHMENTS
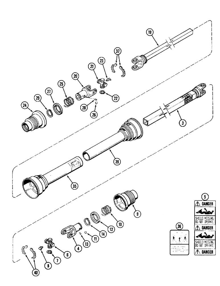
5
11
8
36
24
26
12
19
21
27
7
22
39
35
20
29
37
40
4
6
28
23
10
9
25
3
13
14
FIT
1:1
100%

Артикул

Название

Примечание

Количество

1316989C91

SHAFT

ASSEMBLY - drive, header (With decals), Includes: Ref. 3 - 40

1шт.

1326740C91

DRIVE SHAFT

SHAFT ASSEMBLY - female drive, Includes: Ref. 3 - 14

1шт.

3

NSS

NOT SOLD SEPARAT

TUBE - female, outer

1шт.

4

NSS

NOT SOLD SEPARAT

YOKE - outer

1шт.

5

1326528C1

DECAL

- Danger, shield missing, do not operate

1шт.

757443

U-JOINT SPIDER

KIT - cross and bearing, drive shaft, Includes: Ref. 6 - 8

1шт.

6

NSS

NOT SOLD SEPARAT

CROSS ASSEMBLY - bearing

1шт.

7

606177R1

SNAP RING

RING - retaining, 0.078 inch thick

1шт.

7

1986059C1

SNAP RING

RING - retaining, 0.058 inch thick

1шт.

8

219-40

LUBE NIPPLE,65 Degree Elbow, 1/8" - 27 NPTF

FITTING - grease, 65 degree, 1/8 PT x 7/8 inch

1шт.

9

1326580C1

COLLAR

- yoke

1шт.

10

1326585C1

SPRING

- shield

1шт.

11

21505R1

BALL,1/2" Dia, Stainless

- 1/2 inch

3шт.

12

1326583C1

COLLAR

RACE - shaft retainer

1шт.

13

19877R1

DOWEL

PIN - dowel, 3/16 x 1/2 inch

3шт.

14

100-11187

SNAP RING,#187, Ext

Ring, Snap, #187, Ext

1шт.

1326743C91

DRIVE SHAFT

SHAFT ASSEMBLY - male drive, Includes: Ref. 19 - 29

1шт.

19

NSS

NOT SOLD SEPARAT

SHAFT - male, inner

1шт.

20

NSS

NOT SOLD SEPARAT

YOKE - drive

1шт.

757443

U-JOINT SPIDER

KIT - cross and bearing, drive shaft, Includes: Ref. 21 - 23

1шт.

21

NSS

NOT SOLD SEPARAT

CROSS ASSEMBLY - bearing

1шт.

22

606177R1

SNAP RING

RING - retaining, 0.078 inch thick

1шт.

22

1986059C1

SNAP RING

RING - retaining, 0.058 inch thick

1шт.

23

219-40

LUBE NIPPLE,65 Degree Elbow, 1/8" - 27 NPTF

FITTING - grease, 65 degree, 1/8 PT x 7/8 inch

1шт.

24

1326580C1

COLLAR

- yoke

1шт.

25

1326585C1

SPRING

- shield

1шт.

26

21505R1

BALL,1/2" Dia, Stainless

- 1/2 inch

3шт.

27

1326583C1

COLLAR

RACE - shaft retainer

1шт.

28

19877R1

DOWEL

PIN - dowel, 3/16 x 1/2 inch

3шт.

29

100-11187

SNAP RING,#187, Ext

Ring, Snap, #187, Ext

1шт.

1326746C91

SHIELD

ASSEMBLY - outer, with decal, Includes: Ref. 35 - 37

1шт.

35

NSS

NOT SOLD SEPARAT

SHIELD - outer

1шт.

36

1326579C1

DECAL

- lubricate journal and bearing

1шт.

37

1980787C1

BEARING ASSY

BEARING KIT - shield

1шт.

1326749C91

SHIELD

ASSEMBLY - inner, Includes: Ref. 39 & 40

1шт.

39

NSS

NOT SOLD SEPARAT

SHIELD - inner

1шт.

40

1980787C1

BEARING ASSY

BEARING KIT - shield

1шт.

Выбрано товаров: 37