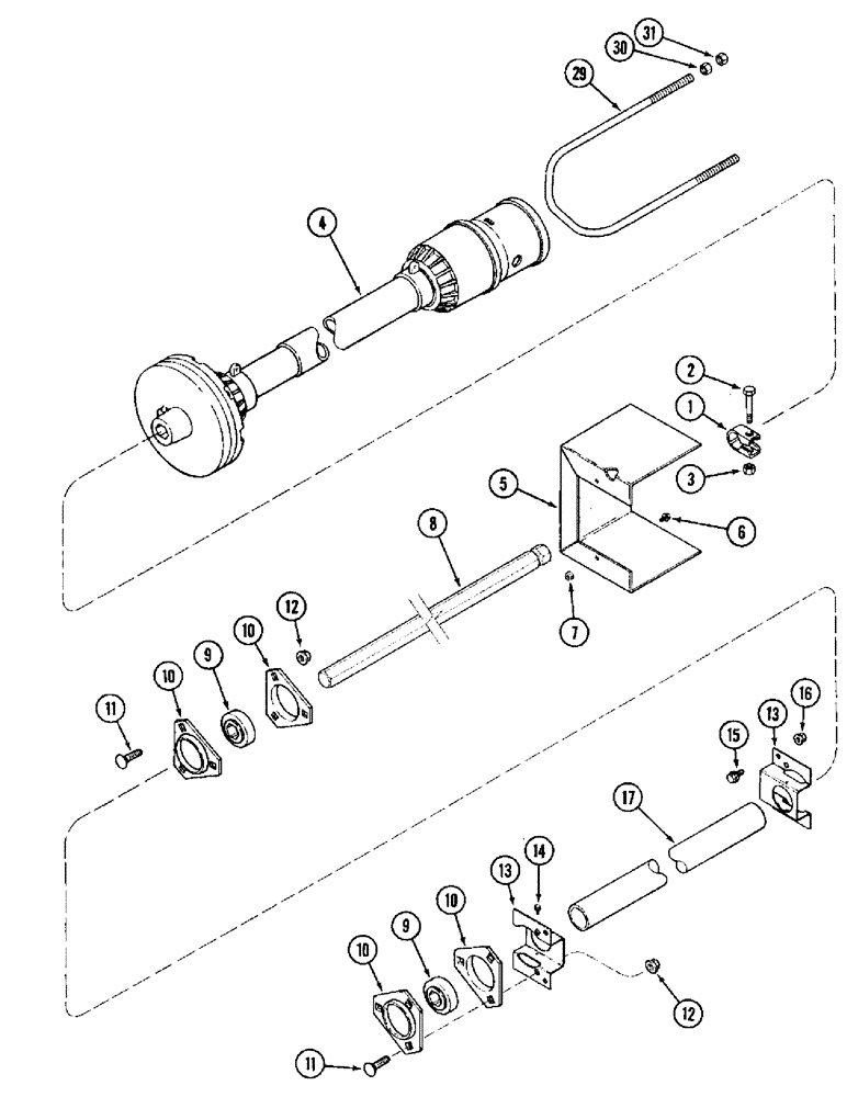
Запчасти Case IH 1020 (9C-18) - AUGER JACKSHAFT DRIVE, 22.5 AND 25.0 FOOT HEADER (09) - CHASSIS/ATTACHMENTS

Схема запчастей Case IH 1020 - (9C-18) - AUGER JACKSHAFT DRIVE, 22.5 AND 25.0 FOOT HEADER (09) - CHASSIS/ATTACHMENTS
9
14
1
11
13
6
11
2
30
31
10
12
12
5
10
10
9
16
13
29
7
10
17
15
3
8
4
FIT
1:1
100%

Артикул

Название

Примечание

Количество

1

225265R1

CLAMP

- jackshaft

1шт.

2

413-840

BOLT,Hex, 1/2" - 13 x 2-1/2", Gr 5

- hex, 1/2 NC x 2-1/2 inch

1шт.

3

231-4118

LOCK NUT,1/2"-13, GB

NUT - hex, self-locking, 1/2 inch NC

1шт.

4

REF

INSTRUCTION

DRIVE SHAFT ASSEMBLY - auger, See Figure 9C-24

1шт.

5

106023A2

SHIELD

- clutch

1шт.

6

409-7412

BOLT,Hex Flg, 1/4" - 20 x 3/4", Spcl

- hex serrated flange, 1/4 NC x 3/4 inch

2шт.

7

231-5144

SERRATED NUT,Flg, USR, 1/4"-20

2шт.

8

125978A1

JACKSHAFT

BAR - jackshaft (22.5 foot)

1шт.

8

125979A1

JACKSHAFT

BAR - jackshaft (25.0 foot)

1шт.

9

156816C91

BEARING HOUSING,28.6mm Hex x 72mm OD x 25mm W

BEARING - ball, jackshaft

2шт.

10

180955C1

FLANGED BEARING,0.375"

FLANGE - bearing

4шт.

11

434-616

CARRIAGE BOLT,Sht Sq Nk, 3/8" - 16 x 1", Gr 5

BOLT - carriage, 3/8 NC x 1 inch

6шт.

12

231-5146

FLANGE NUT,3/8"-16

6шт.

13

125992A1

SUPPORT

SHIELD - jackshaft

2шт.

14

282-1448

SELF-TAP SCREW,Hex Wash Hd, #8 x 1/2"

SCREW - self tapping, No. 8-18 x 1 inch

2шт.

15

409-1512

BOLT,Hex, 5/16" - 18 x 3/4", Gr 5

- hex, self-locking, 5/16 NC x 3/4 inch

2шт.

16

231-5145

SERRATED NUT,Flg, USR, 5/16"-18

NUT - hex serrated flange, 5/16 inch NC

2шт.

17

125984A1

TUBE,48.26 mm OD, 597 mm Length

- jackshaft shield (22.5 foot)

1шт.

17

125985A1

TUBE,48.26 mm OD, 978 mm Length

- jackshaft shield (25.0 foot)

1шт.

29

138005A1

HANGER

- drive line

1шт.

30

425-108

NUT,1/2" - 13, Gr 5

NUT, , Hex 1/2"-13, G5

2шт.

31

231-4118

LOCK NUT,1/2"-13, GB

NUT - hex, self-locking, 1/2 inch NC

2шт.

Выбрано товаров: 22