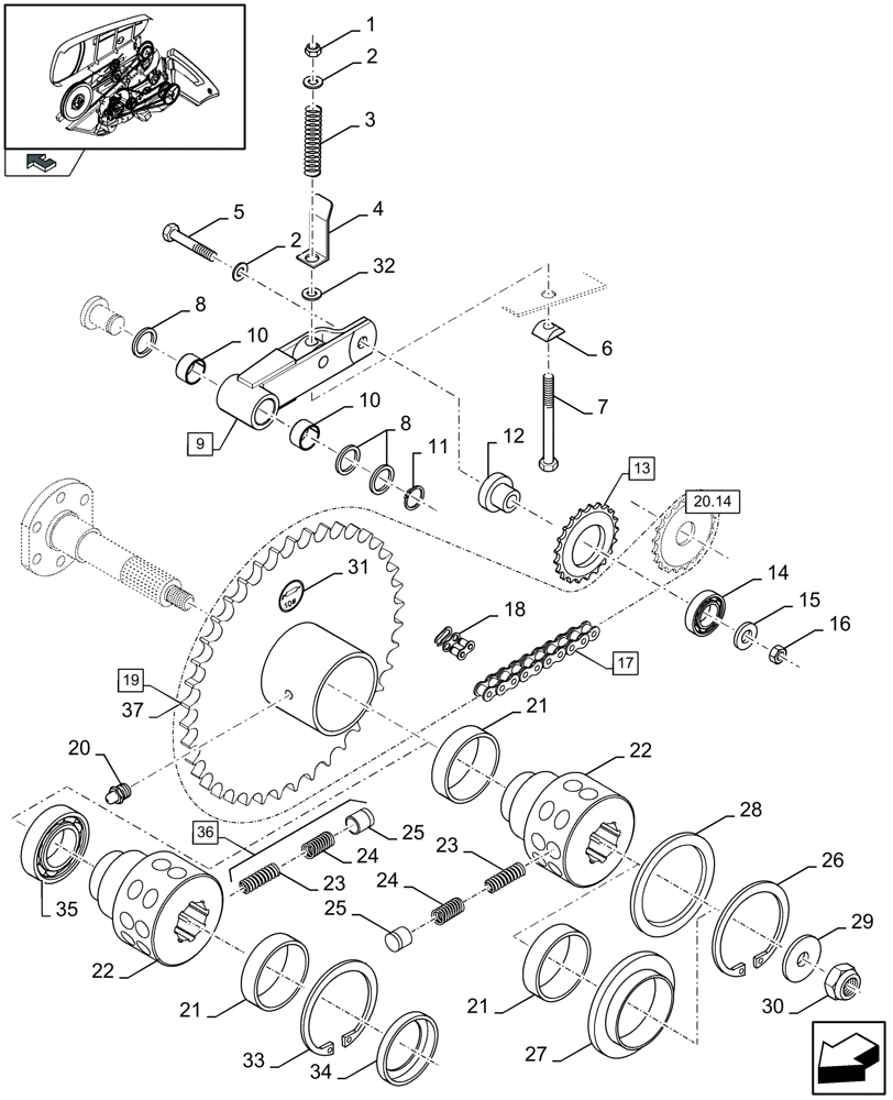
Запчасти Case IH 2050 (20.20[01]) - FEED AUGER DRIVE (20) - HEADER

Схема запчастей Case IH 2050 - (20.20[01]) - FEED AUGER DRIVE (20) - HEADER
31
9
27
20.14
26
21
7
32
12
15
8
11
36
13
21
18
2
10
14
8
25
22
22
30
home
5
37
25
20
24
24
23
34
2
4
33
28
3
1
10
16
23
19
29
17
21
35
6
FIT
1:1
100%

Артикул

Название

Примечание

Количество

1

80412126

LOCK NUT

M12

1шт.

2

80378245

WASHER

12 MM

2шт.

3

89817602

SPRING

1шт.

MAINTENANCE PART

1шт.

4

84989032

INDICATOR

1шт.

5

89706693

SCREW,M12 x 60mm

M12 x 60

1шт.

6

80132321

WASHER

1шт.

7

80364053

SCREW

M12 x 220

1шт.

FOR 2030 ONLY

1шт.

7

89837782

SCREW

M12 x 230

1шт.

FOR 2040 ONLY

1шт.

8

80419854

WASHER

3шт.

9

84440550

ARM

(10), Serial Range: -C909

1шт.

9

87619164

ARM

(10), Start Serial: D910

1шт.

10

80382975

BUSHING

2шт.

MAINTENANCE PART

1шт.

11

80370002

CIRCLIP

1шт.

12

84334260

BUSHING

1шт.

MAINTENANCE PART

1шт.

13

84436347

SPROCKET

(14), Serial Range: -C849

1шт.

MAINTENANCE PART

1шт.

13

84980926

SPROCKET

(14), Start Serial: D850

1шт.

MAINTENANCE PART

1шт.

14

80034439

BALL BEARING

1шт.

MAINTENANCE PART

1шт.

15

80140046

WASHER

1шт.

16

89706685

NUT

M12

1шт.

17

84058834

CHAIN,#60, 6 Links x 19.05mm = 114.3mm

(18)

1шт.

FOR LOW RPM ONLY

1шт.

MAINTENANCE PART

1шт.

17

84058833

CHAIN,#60, 104 Links x 19.05mm = 1981.2mm

(18)

1шт.

FOR 2030 ONLY

1шт.

FOR 2050 ONLY

1шт.

MAINTENANCE PART

1шт.

17

84448828

CHAIN,Roller, 90 Links x 19.05mm = 1714.5mm

(18)

1шт.

MAINTENANCE PART

1шт.

FOR 2040 ONLY

1шт.

18

89811888

LINK CHAIN

2шт.

MAINTENANCE PART

1шт.

19

84440698

CLUTCH

(20 to 27, 37) T= 68, Serial Range: -C705

1шт.

FOR LOW RPM ONLY

1шт.

FOR 2030 ONLY

1шт.

MAINTENANCE PART

1шт.

19

84453594

CLUTCH

(20 to 25, 33 to 35, 37) T= 68, Start Serial: D706

1шт.

FOR LOW RPM ONLY

1шт.

FOR 2030 ONLY

1шт.

MAINTENANCE PART

1шт.

19

84440698

CLUTCH

(20 to 27, 37) T= 68, Serial Range: -C705

1шт.

FOR LOW RPM ONLY

1шт.

FOR 2040 AND 2050 ONLY

1шт.

MAINTENANCE PART

1шт.

19

84461197

DRIVEN SPROCKET

T= 68, Start Serial: D706

1шт.

FOR LOW RPM ONLY

1шт.

FOR 2040 AND 2050 ONLY

1шт.

MAINTENANCE PART

1шт.

19

84440548

CLUTCH

(20 to 26, 28) T= 58, Serial Range: -C705

1шт.

FOR 17 FT ONLY

1шт.

MAINTENANCE PART

1шт.

19

84453506

CLUTCH

(20 to 25, 33 to 35, 37) T= 58, Start Serial: D706

1шт.

FOR 17 FT ONLY

1шт.

MAINTENANCE PART

1шт.

19

84440546

CLUTCH

(20 to 27, 37) T= 58, Serial Range: -C705

1шт.

FOR 2030, 20 TO 24 FT ONLY

1шт.

MAINTENANCE PART

1шт.

19

84453557

CLUTCH

(20 to 25, 33 to 35, 37) T= 58, Start Serial: D706

1шт.

FOR 2030, 20 TO 24 FT ONLY

1шт.

MAINTENANCE PART

1шт.

19

84440546

CLUTCH

(20 to 27, 37) T= 58, Serial Range: -C705

1шт.

FOR 2040, 2050 AND 30 FT 2030 ONLY

1шт.

MAINTENANCE PART

1шт.

19

84453557

CLUTCH

(20 to 25, 33 to 35, 37) T= 58, Serial Range: -F706765

1шт.

FOR 2040, 2050 AND 30 FT 2030 ONLY

1шт.

MAINTENANCE PART

1шт.

19

84461190

DRIVEN SPROCKET

T= 58, Start Serial: D766

1шт.

FOR 2040, 2050 AND 30 FT 2030 ONLY

1шт.

MAINTENANCE PART

1шт.

20

300919

LUBE NIPPLE

,, Serial Range: -C705

1шт.

MAINTENANCE PART

1шт.

20

321204

LUBE NIPPLE,M6 x 1.0 x 16mm OAL

,, Start Serial: D706

1шт.

FOR LOW RPM ONLY

1шт.

FOR 2030 ONLY

1шт.

MAINTENANCE PART

1шт.

20

321204

LUBE NIPPLE,M6 x 1.0 x 16mm OAL

,, Start Serial: D706

1шт.

FOR 17 FT ONLY

1шт.

FOR 2030, 20 TO 24 FT ONLY

1шт.

MAINTENANCE PART

1шт.

20

321204

LUBE NIPPLE,M6 x 1.0 x 16mm OAL

,, Serial Range: -F706765

1шт.

FOR 2040, 2050 AND 30 FT 2030 ONLY

1шт.

MAINTENANCE PART

1шт.

21

84068380

SEALING RING

SEALRING, Serial Range: -C705

2шт.

FOR LOW RPM ONLY

1шт.

MAINTENANCE PART

1шт.

21

84800127

RUBBER SEAL

,, Start Serial: D706

1шт.

FOR LOW RPM ONLY

1шт.

FOR 2030 ONLY

1шт.

MAINTENANCE PART

1шт.

21

84068380

SEALING RING

SEALRING, Serial Range: -C705

1шт.

FOR 17 FT ONLY

1шт.

MAINTENANCE PART

1шт.

21

84800127

RUBBER SEAL

,, Start Serial: D706

1шт.

FOR 17 FT ONLY

1шт.

MAINTENANCE PART

1шт.

21

84068380

SEALING RING

SEALRING, Serial Range: -C705

2шт.

FOR 2030, 20 TO 24 FT ONLY

1шт.

MAINTENANCE PART

1шт.

21

84800127

RUBBER SEAL

,, Start Serial: D706

1шт.

FOR 2030, 20 TO 24 FT ONLY

1шт.

MAINTENANCE PART

1шт.

21

84068380

SEALING RING

SEALRING, Serial Range: -C705

2шт.

FOR 2040, 2050 AND 30 FT 2030 ONLY

1шт.

MAINTENANCE PART

1шт.

21

84800127

RUBBER SEAL

,, Serial Range: -F706765

1шт.

FOR 2040, 2050 AND 30 FT 2030 ONLY

1шт.

MAINTENANCE PART

1шт.

22

84429809

HUB

,, Serial Range: -C705

1шт.

FOR LOW RPM ONLY

1шт.

MAINTENANCE PART

1шт.

22

84800125

HUB

,, Start Serial: D706

1шт.

FOR LOW RPM ONLY

1шт.

FOR 2030 ONLY

1шт.

MAINTENANCE PART

1шт.

22

84075521

HUB

,, Serial Range: -C705

1шт.

FOR 17 FT ONLY

1шт.

MAINTENANCE PART

1шт.

22

84800125

HUB

,, Start Serial: D706

1шт.

FOR 17 FT ONLY

1шт.

MAINTENANCE PART

1шт.

22

84429809

HUB

,, Serial Range: -C705

1шт.

FOR 2030, 20 TO 24 FT ONLY

1шт.

MAINTENANCE PART

1шт.

22

84800125

HUB

,, Start Serial: D706

1шт.

FOR 2030, 20 TO 24 FT ONLY

1шт.

MAINTENANCE PART

1шт.

22

84429809

HUB

,, Serial Range: -C705

1шт.

FOR 2040, 2050 AND 30 FT 2030 ONLY

1шт.

MAINTENANCE PART

1шт.

22

84800125

HUB

,, Serial Range: -F706765

1шт.

FOR 2040, 2050 AND 30 FT 2030 ONLY

1шт.

MAINTENANCE PART

1шт.

23

84075523

SPRING

INNER, Serial Range: -C705

18шт.

FOR LOW RPM ONLY

1шт.

MAINTENANCE PART

1шт.

23

84800129

SPRING

INNER, Start Serial: D706

24шт.

FOR LOW RPM ONLY

1шт.

FOR 2030 ONLY

1шт.

MAINTENANCE PART

1шт.

23

84075523

SPRING

INNER, Serial Range: -C705

24шт.

FOR 17 FT ONLY

1шт.

MAINTENANCE PART

1шт.

23

84800129

SPRING

INNER, Start Serial: D706

20шт.

FOR 17 FT ONLY

1шт.

MAINTENANCE PART

1шт.

23

84075523

SPRING

INNER, Serial Range: -C705

18шт.

FOR 2030, 20 TO 24 FT ONLY

1шт.

MAINTENANCE PART

1шт.

23

84800129

SPRING

INNER, Start Serial: D706

24шт.

FOR 2030, 20 TO 24 FT ONLY

1шт.

MAINTENANCE PART

1шт.

23

84075523

SPRING

INNER, Serial Range: -C705

18шт.

FOR 2040, 2050 AND 30 FT 2030 ONLY

1шт.

MAINTENANCE PART

1шт.

23

84800129

SPRING

INNER, Serial Range: -F706765

24шт.

FOR 2040, 2050 AND 30 FT 2030 ONLY

1шт.

MAINTENANCE PART

1шт.

24

84075522

SPRING

OUTER, Serial Range: -C705

30шт.

FOR LOW RPM ONLY

1шт.

MAINTENANCE PART

1шт.

24

84800130

SPRING

OUTER, Start Serial: D706

24шт.

FOR LOW RPM ONLY

1шт.

FOR 2030 ONLY

1шт.

MAINTENANCE PART

1шт.

24

84075522

SPRING

OUTER, Serial Range: -C705

24шт.

FOR 17 FT ONLY

1шт.

MAINTENANCE PART

1шт.

24

84800130

SPRING

OUTER, Start Serial: D706

4шт.

FOR 17 FT ONLY

1шт.

MAINTENANCE PART

1шт.

24

84075522

SPRING

OUTER, Serial Range: -C705

36шт.

FOR 2030, 20 TO 24 FT ONLY

1шт.

MAINTENANCE PART

1шт.

24

84800130

SPRING

OUTER, Start Serial: D706

24шт.

FOR 2030, 20 TO 24 FT ONLY

1шт.

MAINTENANCE PART

1шт.

24

84075522

SPRING

OUTER, Serial Range: -C705

36шт.

FOR 2040, 2050 AND 30 FT 2030 ONLY

1шт.

MAINTENANCE PART

1шт.

24

84800130

SPRING

OUTER, Serial Range: -F706765

24шт.

FOR 2040, 2050 AND 30 FT 2030 ONLY

1шт.

MAINTENANCE PART

1шт.

25

80386509

CAM

,, Serial Range: -C705

30шт.

FOR LOW RPM ONLY

1шт.

MAINTENANCE PART

1шт.

25

84800126

CAM

,, Start Serial: D706

24шт.

FOR LOW RPM ONLY

1шт.

FOR 2030 ONLY

1шт.

MAINTENANCE PART

1шт.

25

386509

CAM

,, Serial Range: -C705

24шт.

FOR 17 FT ONLY

1шт.

MAINTENANCE PART

1шт.

25

84800126

CAM

,, Start Serial: D706

20шт.

FOR 17 FT ONLY

1шт.

MAINTENANCE PART

1шт.

25

386509

CAM

,, Serial Range: -C705

36шт.

FOR 2030, 20 TO 24 FT ONLY

1шт.

MAINTENANCE PART

1шт.

25

84800126

CAM

,, Start Serial: D706

24шт.

FOR 2030, 20 TO 24 FT ONLY

1шт.

MAINTENANCE PART

1шт.

25

386509

CAM

,, Serial Range: -C705

36шт.

FOR 2040, 2050 AND 30 FT 2030 ONLY

1шт.

MAINTENANCE PART

1шт.

25

84800126

CAM

,, Serial Range: -F706765

24шт.

FOR 2040, 2050 AND 30 FT 2030 ONLY

1шт.

MAINTENANCE PART

1шт.

26

301652

SNAP RING,M110 x 4mm, Internal

1шт.

MAINTENANCE PART

1шт.

27

84429801

RING

,, Serial Range: -C705

1шт.

FOR LOW RPM ONLY

1шт.

MAINTENANCE PART

1шт.

27

84429801

RING

,, Serial Range: -C705

1шт.

FOR 2040, 2050 AND 30 FT 2030 ONLY

1шт.

FOR 2030, 20 TO 24 FT ONLY

1шт.

MAINTENANCE PART

1шт.

28

84068382

RING

,, Serial Range: -C705

1шт.

FOR 17 FT ONLY

1шт.

MAINTENANCE PART

1шт.

29

850053

WASHER,20.5mm ID x 55mm OD x 6mm Thk

1шт.

30

380424

NUT,M20 x 2.5, Cl 8

1шт.

31

84334829

DECAL

1шт.

32

86511324

WASHER,13mm ID x 24mm OD x 2.5mm Thk

1шт.

FOR 2030, 20 TO 24 FT ONLY

1шт.

MAINTENANCE PART

1шт.

32

84069986

BUSHING,13mm ID x 20mm OD x 11mm L

1шт.

FOR 2040, 2050 AND 30 FT 2030 ONLY

1шт.

MAINTENANCE PART

1шт.

33

84800128

CIRCLIP

,, Start Serial: D706

1шт.

FOR LOW RPM ONLY

1шт.

FOR 2030 ONLY

1шт.

MAINTENANCE PART

1шт.

33

84800128

CIRCLIP

,, Start Serial: D706

1шт.

FOR 17 FT ONLY

1шт.

FOR 2030, 20 TO 24 FT ONLY

1шт.

MAINTENANCE PART

1шт.

33

84800128

CIRCLIP

,, Serial Range: -F706765

1шт.

FOR 2040, 2050 AND 30 FT 2030 ONLY

1шт.

MAINTENANCE PART

1шт.

34

84800131

RING

,, Start Serial: D706

1шт.

FOR LOW RPM ONLY

1шт.

FOR 2030 ONLY

1шт.

MAINTENANCE PART

1шт.

34

84800131

RING

,, Start Serial: D706

1шт.

FOR 17 FT ONLY

1шт.

FOR 2030, 20 TO 24 FT ONLY

1шт.

MAINTENANCE PART

1шт.

34

84800131

RING

,, Serial Range: -F706765

1шт.

FOR 2040, 2050 AND 30 FT 2030 ONLY

1шт.

MAINTENANCE PART

1шт.

35

89811496

BEARING ASSY

,, Start Serial: D706

1шт.

FOR LOW RPM ONLY

1шт.

FOR 2030 ONLY

1шт.

MAINTENANCE PART

1шт.

35

89811496

BEARING ASSY

,, Start Serial: D706

1шт.

FOR 17 FT ONLY

1шт.

FOR 2030, 20 TO 24 FT ONLY

1шт.

MAINTENANCE PART

1шт.

35

89811496

BEARING ASSY

,, Serial Range: -F706765

1шт.

FOR 2040, 2050 AND 30 FT 2030 ONLY

1шт.

MAINTENANCE PART

1шт.

36

84455965

REPAIR KIT

,, Start Serial: D706

1шт.

MAINTENANCE PART

1шт.

37

NSS

NOT SOLD SEPARAT

,, Serial Range: -C705

1шт.

FOR LOW RPM ONLY

1шт.

MAINTENANCE PART

1шт.

37

NSS

NOT SOLD SEPARAT

,, Serial Range: -C705

1шт.

FOR 17 FT ONLY

1шт.

MAINTENANCE PART

1шт.

37

NSS

NOT SOLD SEPARAT

,, Serial Range: -C705

1шт.

FOR 2040, 2050 AND 30 FT 2030 ONLY

1шт.

FOR 2030, 20 TO 24 FT ONLY

1шт.

MAINTENANCE PART

1шт.

37

84800138

DRIVEN SPROCKET

,, Start Serial: D706

1шт.

FOR LOW RPM ONLY

1шт.

FOR 2030 ONLY

1шт.

MAINTENANCE PART

1шт.

37

84800132

DRIVEN SPROCKET

,, Start Serial: D706

1шт.

FOR 17 FT ONLY

1шт.

FOR 2030, 20 TO 24 FT ONLY

1шт.

MAINTENANCE PART

1шт.

37

84800132

DRIVEN SPROCKET

,, Serial Range: -F706765

1шт.

FOR 2040, 2050 AND 30 FT 2030 ONLY

1шт.

MAINTENANCE PART

1шт.

37

NSS

NOT SOLD SEPARAT

Sprocket, Start Serial: D766

1шт.

FOR 2040, 2050 AND 30 FT 2030 ONLY

1шт.

MAINTENANCE PART

1шт.

37

NSS

NOT SOLD SEPARAT

Sprocket, Start Serial: D706

1шт.

FOR 2040 AND 2050 ONLY

1шт.

FOR LOW RPM ONLY

1шт.

MAINTENANCE PART

1шт.

Выбрано товаров: 298