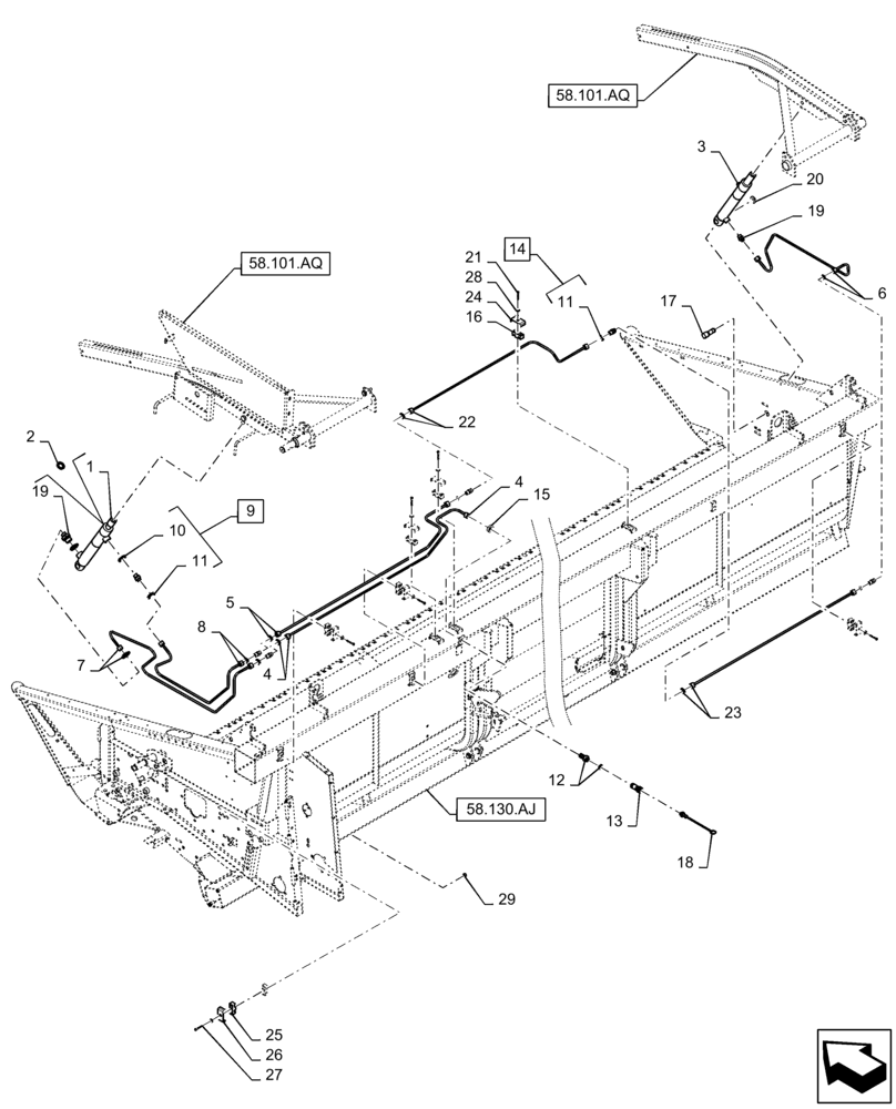
Запчасти Case IH 2060-15 (35.420.AB) - REEL CYLINDER LINE FITTING REEL ARM, 15FT (35) - HYDRAULIC SYSTEMS

Схема запчастей Case IH 2060-15 - (35.420.AB) - REEL CYLINDER LINE FITTING REEL ARM, 15FT (35) - HYDRAULIC SYSTEMS
23
10
19
25
5
8
17
58.101.aq
20
58.101.aq
6
19
1
58.130.aj
14
7
11
11
15
18
2
21
4
22
27
16
26
13
24
9
28
4
29
12
3
FIT
1:1
100%

Артикул

Название

Примечание

Количество

1

84247305

CYLINDER,Double Acting, 24mm Rod, 251.5mm Stroke

Hydraulic, Incl 2

1шт.

2

84023914

SEAL KIT

1шт.

3

84247304

CYLINDER

1шт.

4

47670378

FUEL TUBE

1шт.

5

47670384

FUEL TUBE

1шт.

6

47607847

TUBE

1шт.

7

47607844

TUBE

1шт.

8

47607845

TUBE

1шт.

9

86579673

HYD CONNECTOR,11/16" - 16 ORFS x M18 x 1.5 ORB

Incl 10, 11

3шт.

10

86598101

O-RING,2.2mm Thk x 15.3mm ID, Cl 6, 90 Duro

1шт.

11

9993141

O-RING,0.07" Thk x 0.364" ID, -12, Cl 6, 90 Duro

2шт.

12

87381297

HYD CONNECTOR

1шт.

13

86592081

COUPLING, QUICK, FEM

1шт.

14

84431546

UNION,11/16"-16 ORFS

Incl 11

5шт.

15

87010704

BHD LOCK NUT,11/16"-16

2шт.

16

430357

CLAMP

16шт.

17

9514196

PIN,21.5mm OD x 79mm L

2шт.

18

86592085

DUST CAP

1шт.

19

321204

LUBE NIPPLE,M6 x 1.0 x 16mm OAL

Fitting, Lube

2шт.

20

370024

CIRCLIP,M20, Ext

Ring

2шт.

21

86977789

BOLT,Hex, M6 x 1.0 x 35mm, Cl 8.8

8шт.

22

47622249

TUBE

1шт.

23

47670389

FUEL TUBE

1шт.

24

431941

SUPPORT

8шт.

25

430356

CLAMP

2шт.

26

84814948

SUPPORT

Plated

1шт.

27

120102

BOLT,Hex, M6 x 40mm, Cl 8.8

1шт.

28

322357

BELLEVILLE WASHER,M6 Bolt Size x 14mm OD x 1.3mm Thk

9шт.

29

353308

NUT,M6 x 1.0, Cl 8

Prev Torque

1шт.

Выбрано товаров: 29