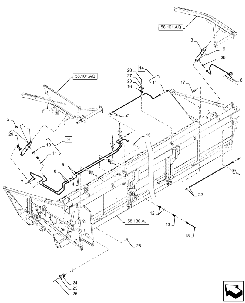
Запчасти Case IH 2060-20 (35.420.AB) - REEL CYLINDER LINE FITTING REEL ARM, 20FT (35) - HYDRAULIC SYSTEMS

Схема запчастей Case IH 2060-20 - (35.420.AB) - REEL CYLINDER LINE FITTING REEL ARM, 20FT (35) - HYDRAULIC SYSTEMS
6
15
4
7
10
21
26
28
19
18
13
9
25
23
58.101.aq
12
14
20
2
11
29
29
58.101.aq
58.130.aj
1
8
3
27
22
11
5
16
24
17
FIT
1:1
100%

Артикул

Название

Примечание

Количество

1

84247305

CYLINDER,Double Acting, 24mm Rod, 251.5mm Stroke

Hydraulic, Incl 2

1шт.

2

84023914

SEAL KIT

1шт.

3

84247304

CYLINDER

Hydraulic

1шт.

4

47579918

Hydraulic Assy

FUEL TUBE

1шт.

5

47579919

Hydraulic Assy

FUEL TUBE

1шт.

6

47607847

Hydraulic Assy

TUBE

1шт.

7

47607844

Hydraulic Assy

TUBE

1шт.

8

47607845

Hydraulic Assy

TUBE

1шт.

9

86579673

HYD CONNECTOR,11/16" - 16 ORFS x M18 x 1.5 ORB

Incl 10, 11

3шт.

10

86598101

O-RING,2.2mm Thk x 15.3mm ID, Cl 6, 90 Duro

1шт.

11

9993141

O-RING,0.07" Thk x 0.364" ID, -12, Cl 6, 90 Duro

2шт.

12

87381297

HYD CONNECTOR

1шт.

13

86592081

COUPLING, QUICK, FEM

1шт.

14

84431546

UNION,11/16"-16 ORFS

Incl 11

5шт.

15

87010704

BHD LOCK NUT,11/16"-16

2шт.

16

430357

CLAMP

16шт.

17

9514196

PIN,21.5mm OD x 79mm L

2шт.

18

86592085

DUST CAP

1шт.

19

370024

CIRCLIP,M20, Ext

Ring

2шт.

20

86977789

BOLT,Hex, M6 x 1.0 x 35mm, Cl 8.8

8шт.

21

47622249

Hydraulic Assy

TUBE

1шт.

22

47622046

Hydraulic Assy

FUEL TUBE

1шт.

23

430356

CLAMP

2шт.

24

431941

SUPPORT

8шт.

25

84814948

SUPPORT

1шт.

26

120102

BOLT,Hex, M6 x 40mm, Cl 8.8

1шт.

27

322357

BELLEVILLE WASHER,M6 Bolt Size x 14mm OD x 1.3mm Thk

9шт.

28

353308

NUT,M6 x 1.0, Cl 8

1шт.

29

321204

LUBE NIPPLE,M6 x 1.0 x 16mm OAL

1шт.

Выбрано товаров: 29