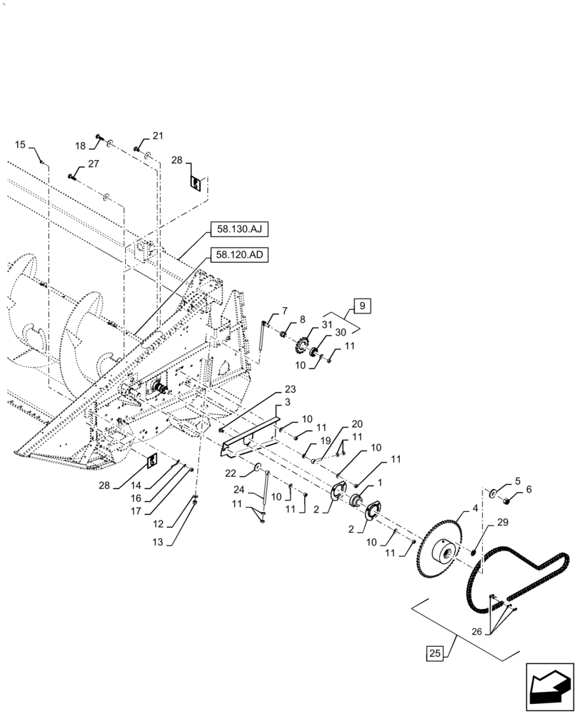
Запчасти Case IH 2060-20 (58.120.AF[01]) - AUGER DRIVE, DRIVE CHAIN, LH, SUPPORT (58) - ATTACHMENTS/HEADERS

Схема запчастей Case IH 2060-20 - (58.120.AF[01]) - AUGER DRIVE, DRIVE CHAIN, LH, SUPPORT (58) - ATTACHMENTS/HEADERS
31
26
2
10
1
10
20
2
13
11
11
19
11
4
7
27
10
23
6
14
58.120.ad
9
24
28
25
17
15
11
21
10
18
28
10
8
22
11
58.130.aj
3
16
11
11
12
29
5
30
FIT
1:1
100%

Артикул

Название

Примечание

Количество

1

322360

BALL BEARING,35mm ID x 72mm OD x 19mm W

1шт.

2

80433517

FLANGE

2шт.

3

87374246

ADJUSTING PLATE

1шт.

4

84453506

CLUTCH

Safety

1шт.

5

850053

WASHER,20.5mm ID x 55mm OD x 6mm Thk

1шт.

6

380424

NUT,M20 x 2.5, Cl 8

1шт.

7

47374114

TIE-ROD

1шт.

8

84334260

BUSHING

1шт.

9

84980926

SPROCKET

Incl 30, 31

1шт.

10

140046

BELLEVILLE WASHER,M12 Bolt Size x 27mm OD x 1.8mm Thk

8шт.

11

9706685

NUT,M12 x 1.75, Cl 8

12шт.

12

378245

WASHER,13mm ID x 28.5mm OD x 2.7mm Thk

1шт.

13

412126

NUT,M12 x 1.75

1шт.

14

84334067

SAFETY DEVICE

1шт.

15

120104

BOLT,Hex, M8 x 1.25 x 20mm, Cl 8.8

1шт.

16

322358

BELLEVILLE WASHER,M8 Bolt Size x 18mm OD x 1.4mm Thk

1шт.

17

9706690

NUT,M8 x 1.25, Cl 8

1шт.

18

334682

CARRIAGE BOLT,Sht Nk, M12 x 1.75 x 50mm, Cl 8.8, Full Thd

2шт.

19

140084

WASHER

1шт.

20

335423

BANJO BOLT

1шт.

21

120044

CARRIAGE BOLT,M12 x 1.75 x 30mm, Cl 8.8

1шт.

22

9801096

WASHER,13.5mm ID x 50.8mm OD x 4.76mm Thk

1шт.

23

120041

CARRIAGE BOLT,M10 x 20mm, Cl 8.8

3шт.

24

309662

BANJO BOLT

1шт.

25

84058833

CHAIN,#60, 104 Links x 19.05mm = 1981.2mm

Incl 26

1шт.

26

9811888

CONNECTING LINK

2шт.

27

334966

CARRIAGE BOLT,Sht Nk, M12 x 1.75 x 45mm, Cl 8.8, Full Thd

1шт.

28

449973

DECAL

2шт.

29

84334810

DECAL

1шт.

30

84188095

BALL BEARING,25mm ID x 52mm OD x 15mm W

1шт.

31

9831669

SPROCKET

1шт.

Выбрано товаров: 31