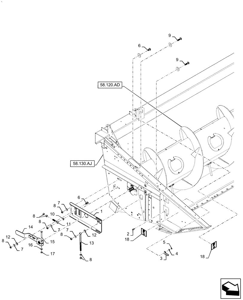
Запчасти Case IH 2060-20 (58.120.AF[02]) - AUGER DRIVE, RH, SUPPORT (58) - ATTACHMENTS/HEADERS

Схема запчастей Case IH 2060-20 - (58.120.AF[02]) - AUGER DRIVE, RH, SUPPORT (58) - ATTACHMENTS/HEADERS
18
7
15
10
7
8
14
8
9
17
18
9
8
16
12
8
7
7
5
2
4
12
58.130.aj
6
11
13
6
3
8
58.120.ad
8
1
FIT
1:1
100%

Артикул

Название

Примечание

Количество

1

87389266

ADJUSTING PLATE

1шт.

2

120104

BOLT,Hex, M8 x 1.25 x 20mm, Cl 8.8

1шт.

3

84334067

SAFETY DEVICE

1шт.

4

322358

BELLEVILLE WASHER,M8 Bolt Size x 18mm OD x 1.4mm Thk

1шт.

5

9706690

NUT,M8 x 1.25, Cl 8

1шт.

6

120044

CARRIAGE BOLT,M12 x 1.75 x 30mm, Cl 8.8

2шт.

7

140046

BELLEVILLE WASHER,M12 Bolt Size x 27mm OD x 1.8mm Thk

4шт.

8

9706685

NUT,M12 x 1.75, Cl 8

8шт.

9

334682

CARRIAGE BOLT,Sht Nk, M12 x 1.75 x 50mm, Cl 8.8, Full Thd

2шт.

10

140084

WASHER

1шт.

11

335423

BANJO BOLT

1шт.

12

394630

WASHER,13mm ID x 28mm OD x 4mm Thk

2шт.

13

309662

BANJO BOLT

1шт.

14

84814212

LEVER

Weld Assy

1шт.

15

43144

BOLT,Hex, M10 x 70mm, Cl 8.8

1шт.

16

140045

BELLEVILLE WASHER,M10 Bolt Size x 22mm OD x 1.6mm Thk

1шт.

17

100016

NUT,M10 x 1.5, Cl 8

1шт.

18

449973

DECAL

2шт.

Выбрано товаров: 18