Качественные детали и логистика
Оригинальные и аналоговые запчасти с доставкой по России, Казахстану и Беларуси
©2022 PartSell ООО "Система" ИНН 2463123282 ОГРН 1212400004838
Центральный офис: г. Красноярск, Академика Киренского, д.87, пом.4
Телефон: 8 (800) 777-65-74 Email: zakaz@partsell.ru
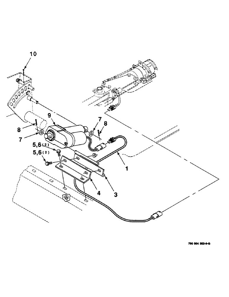
(9-06) - SWATH BOARD ACTUATOR KIT, HK60917 REEL SPIDER HEAVY CROP KIT COMPLETE
№
Артикул
Название
Примечание
Количество
HK60917
CONTROL
SWATH BOARD ACTUATOR KIT COMPLETE
1шт.
1
700716433
HARNESS
- wire
3
700134381
PIN
WA
4
700134384
ANGLE
5
121-226
SERRATED BOLT,Hex, 3/8" - 16 x 1"
4шт.
6
232-5316
FLANGE NUT,Flg, 3/8"-16
3/8-16 HFTLN GR/G
7
495-21056
WASHER,1/2"
1/2 HARDENED PLAIN WASHER
2шт.
8
432-816
COTTER PIN,1/8" x 1"
1/8" x 1"
9
700716432
ACTUATOR
10
432-1016
COTTER PIN,5/32" x 1"
5/32" x 1"
Выбрано товаров: 0