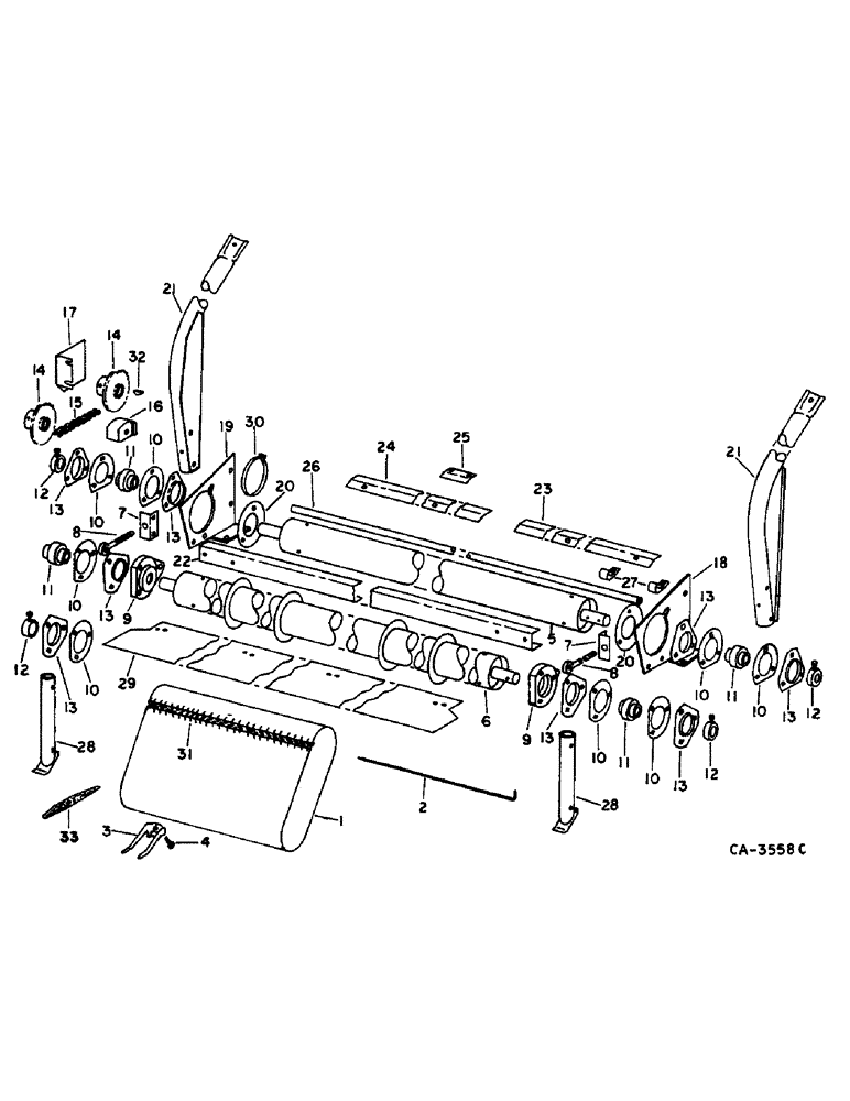
Запчасти Case IH 810 (C-69) - WINDROW PICKUP, WINDROW PICKUP, BASIC (58) - ATTACHMENTS/HEADERS

Схема запчастей Case IH 810 - (C-69) - WINDROW PICKUP, WINDROW PICKUP, BASIC (58) - ATTACHMENTS/HEADERS
7
28
18
12
15
10
10
32
20
13
13
21
11
30
25
29
13
11
27
9
10
10
31
14
16
10
13
11
9
10
14
2
13
8
12
1
33
11
17
13
7
3
23
20
10
21
26
5
8
24
13
13
19
4
6
22
12
10
28
12
FIT
1:1
100%

Артикул

Название

Примечание

Количество

1

185527C93

CONVEYOR BELT

w/56 teeth, pickup, Includes Ref. 2, 3 and 4, 5 for 110 in, 2794.0 mm pickup; 6 for 132 in, 3352.8 mm pickup

1шт.

2

176887C2

ELECTRICAL WIRE

WIRE, belt lacing, 5 for 110 in., 2794.0 mm pickup, 6 for 132 in., 3352.8 mm pickup

1шт.

3

176888C1

TOOTH

pickup, 280 for 110 in., 2794.0mm pickup, 336 for 132 in., 3352.8mm pickup

1шт.

4

176889C1

BOLT,Elevator, Flat Hd, 1/4" - 20 x 19.05mm

pickup tooth, 280 for 110 in., 2794.0mm pickup, 336 for 132 in., 3352.8mm pickup

1шт.

938016R1

FLANGE NUT,Flg, USR, 1/4"-20

1/4 flange lock

1шт.

5

1313183C1

ROLLER ASSY.

ROLLER W/TAPE ASSY, upper belt, for 110 in., 2794.0mm pickup

1шт.

5

1313185C1

ROLLER ASSY.

ROLLER W/TAPE ASSY, upper belt, for 132 in., 3352.8mm pickup

1шт.

648002

KNIFE

1/8" x 3/4"

1шт.

17098R1

LOCK PIN,3/8" x 1 3/4", Slotted

PIN, 3/8" x 1 3/4", Slotted

1шт.

23225R1

HEADED PIN,3/8" x 2"

PIN, HEADED, 3/8" x 2"

1шт.

21716R1

WASHER

1-5/32 x 1-3/4 x 16 ga

1шт.

6

1313184C1

ROLLER

W/TAPE ASSY, lower belt, for 110 in., 2794.0mm pickup

1шт.

6

1313186C1

ROLLER ASSY.

ROLLER W/TAPE ASSY, lower belt, for 132 in., 3352.8mm pickup

1шт.

7

935379R1

BRACKET

ANGLE, lower roller tightener

2шт.

18508R1

CARRIAGE BOLT,Short Nk, 3/8" - 16 x 3/4", Gr 2, Full Thd

BOLT, 3/8 x 3/4 crg type 1

4шт.

482256R1

BEARING LOCK NUT,Flg, USR, 3/8"-16

3/8 flange lock

4шт.

8

935380R1

BOLT,1/2" - 13 x 5.50"

lower roller tightener

2шт.

120378

NUT,Hex, 1/2" - 13, Gr 5

NUT, 1/2"-13, G5

4шт.

178373R1

WASHER

.531 x 1.000 x .056

4шт.

9

176900C2

RETAINER

lower roll

2шт.

10

176935C1

SHIM

bearing

8шт.

11

571334R91

BALL BEARING,1.125" ID x 62 mm OD x 1.29"

ball

4шт.

12

557115R11

COLLAR

COLLAR W/SET SCREW, brg lkg

4шт.

13

571425R1

FLANGED BEARING

brg

8шт.

18684R1

BOLT,Sht Sq Nk, 3/8" - 16 x 1 1/4", Gr 2

3/8 x 1-1/4 sq-nk crg

1шт.

19021R1

CARRIAGE BOLT,#3, 3/8" - 16 x 1 1/2", Gr 2

BOLT, 3/8 x 1-1/2 no. 3 plow

1шт.

482256R1

BEARING LOCK NUT,Flg, USR, 3/8"-16

3/8 flange lock

1шт.

14

176901C1

SPROCKET ASSY.

SPROCKET ASSY, driven, 17T

2шт.

103384

COTTER PIN,1/8" x 3/4"

Pin, Split (Cotter), 1/8" x 3/4"

1шт.

22752R1

SPLIT PIN/SAFETY PIN

PIN, 3/8 x 2.250 hd type 1

1шт.

15

CHAIN ASSY, lower roller drive, use 89 links from 10 ft roll marked 1791D and 2 connecting links 1310D, 1 offset link 1315D and 1 roller link 1309D

1шт.

16

575874R1

BLOCK

chain tightener

1шт.

18482R1

BOLT,Short NK, 5/16"-18 x 2", G2

5/16 x 2 znd sq-nk crg

1шт.

161946C1

NUT

5/16 flange lock

1шт.

17

176936C1

GUARD

SHIELD, lower roll drive

1шт.

938016R1

FLANGE NUT,Flg, USR, 1/4"-20

1/4 flange lock

1шт.

937059R1

SCREW,Serr, M10 x 70mm, Cl 10.9

1/4 x 1/2 slt-truss-hd

1шт.

18

176902C1

SUPPORT

ASSY, pickup LH, for 110 in., 2794.0mm pickup, serial no. 12000 and below

1шт.

18

176904C1

SUPPORT

ASSY, pickup LH, for 132 in., 3352.8mm pickup, serial no. 12000 and below

1шт.

18

197594C1

SUPPORT

ASSY, pickup LH, serial no. 12001 and above

1шт.

20537R1

BOLT,Hex, 3/8" - 16 x 1 1/4", Gr 8

3/8 x 1-1/4 hex-hd type 8

1шт.

21333R1

NUT,3/8"-16, G8

3/8 hex. type 8

1шт.

366862C1

LOCK WASHER,3/8"

3/8"

1шт.

19

176903C1

SUPPORT

ASSY, pickup RH, serial no. 12000 and below

1шт.

19

197595C1

SUPPORT

ASSY, pickup RH, serial no. 12001 and above

1шт.

20537R1

BOLT,Hex, 3/8" - 16 x 1 1/4", Gr 8

3/8 x 1-1/4 hex-hd type 8

1шт.

21333R1

NUT,3/8"-16, G8

3/8 hex. type 8

1шт.

366862C1

LOCK WASHER,3/8"

3/8"

1шт.

20

176908C1

RETAINER

support pivot

2шт.

21

179394C2

PIPE

ASSY, support LH

1шт.

21

179395C2

PIPE

ASSY, support RH

1шт.

120378

NUT,Hex, 1/2" - 13, Gr 5

NUT, 1/2"-13, G5

1шт.

487374R1

BEARING LOCK NUT,Flg, USR, 1/2"-13

1/2 flange lock

1шт.

180175

BOLT,Hex, 1/2" - 13 x 1 1/4", Gr 5

SCREW, 1/2 x 1-1/4 hex-hd cap

1шт.

180188

BOLT,Hex, 1/2" - 13 x 2 3/4", Gr 5

SCREW, 1/2 x 2-3/4 hex-hd cap

1шт.

120384

WASHER,1/2"

LOCK, 1/2"

1шт.

22

176927C1

CHANNEL

cross tie, for 110 in., 2794.0mm pickup

1шт.

22

176928C1

CHANNEL

cross tie, for 132 in., 3352.8mm pickup

1шт.

454998

BOLT,Hex, 1/2" - 13 x 1", Gr 8

1/2 x 1 hex-hd type 8

1шт.

21330R1

NUT,1/2"-13, G8

1/2 hex. type 8

1шт.

366864C1

LOCK WASHER,1/2"

1/2"

1шт.

23

177721C1

SUPPORT

seal LH, for 110 in., 2794.0mm pickup

1шт.

23

177709C1

SUPPORT

seal LH, for 132 in., 3352.8mm pickup

1шт.

18686R1

CARRIAGE BOLT,Short Nk, 3/8" - 16 x 2 1/4", Gr 2

BOLT, 3/8 x 2-1/4 sq-nk crg

1шт.

482256R1

BEARING LOCK NUT,Flg, USR, 3/8"-16

3/8 flange lock

1шт.

20803R1

WASHER

13/32 x 1 x 12 ga

1шт.

24

177722C1

SUPPORT

seal RH

1шт.

18686R1

CARRIAGE BOLT,Short Nk, 3/8" - 16 x 2 1/4", Gr 2

BOLT, 3/8 x 2-1/4 sq-nk crg

1шт.

482256R1

BEARING LOCK NUT,Flg, USR, 3/8"-16

3/8 flange lock

1шт.

20803R1

WASHER

13/32 x 1 x 12 ga

1шт.

25

177711C1

CLIP

backup seal, 4 for 110 in., 2794.0mm pickup, 5 for 132 in., 3352.8mm pickup

1шт.

18684R1

BOLT,Sht Sq Nk, 3/8" - 16 x 1 1/4", Gr 2

3/8 x 1-1/4 sq-nk crg

1шт.

120377

NUT,3/8" - 16, Gr 5

1шт.

120382

LOCK WASHER,Helical Spring, 3/8"

WASHER, LOCK, 3/8"

1шт.

26

176933C1

STRIPPER

finger, for 110 in., 2794.0mm pickup

1шт.

26

176934C1

STRIPPER

finger, for 132 in., 3352.8mm pickup

1шт.

27

177712C1

CLIP

hose retainer, 6 for 110 in., 2794.0mm pickup, 7 for 132 in., 3352.8mm pickup

1шт.

28

177714C1

ROD

STAND ASSY, pickup

2шт.

153528C1

COTTER PIN

3/32 QA cot.

1шт.

22752R1

SPLIT PIN/SAFETY PIN

PIN, 3/8 x 2-1/4 znd std-hd

1шт.

29

176955C2

SEAL

front, for 110 in., 2794.0mm pickup

1шт.

29

176956C2

SEAL

front, for 132 in., 3352.8mm pickup

1шт.

30

179399C1

BAND

pickup pivot

2шт.

31

567631R93

LACING

conveyor belt, consists of 20 cards of 38 hooks per card of #2 st. pt. stainless steel lacing

1шт.

32

124554

O-RING

5/16 x 1 SAE B Woodruff

1шт.

33

180120C91

KIT

TAPE PACKAGE, pickup belt, for 20.0 and 22.5 ft rice, parts accessory, 5 packages for 110 in., 2794mm pickup, 6 packages for 132 in., 3352.8mm pickup

1шт.

33

1316490C1

TOOL

conveyor belt lacer, for #2 st. pt. lacing for package, 567631R93

1шт.

1324128C1

SUPPORT ASSY.

SUPPORT ASSY, pickup pipe ext, for mounting windrow pickup on 810 grain header w/600 mm auger

1шт.

Выбрано товаров: 0