Запчасти Case IH 820 (D-12) - GRAIN HEADER, HEADER HEIGHT CONTROL (58) - ATTACHMENTS/HEADERS

Схема запчастей Case IH 820 - (D-12) - GRAIN HEADER, HEADER HEIGHT CONTROL (58) - ATTACHMENTS/HEADERS
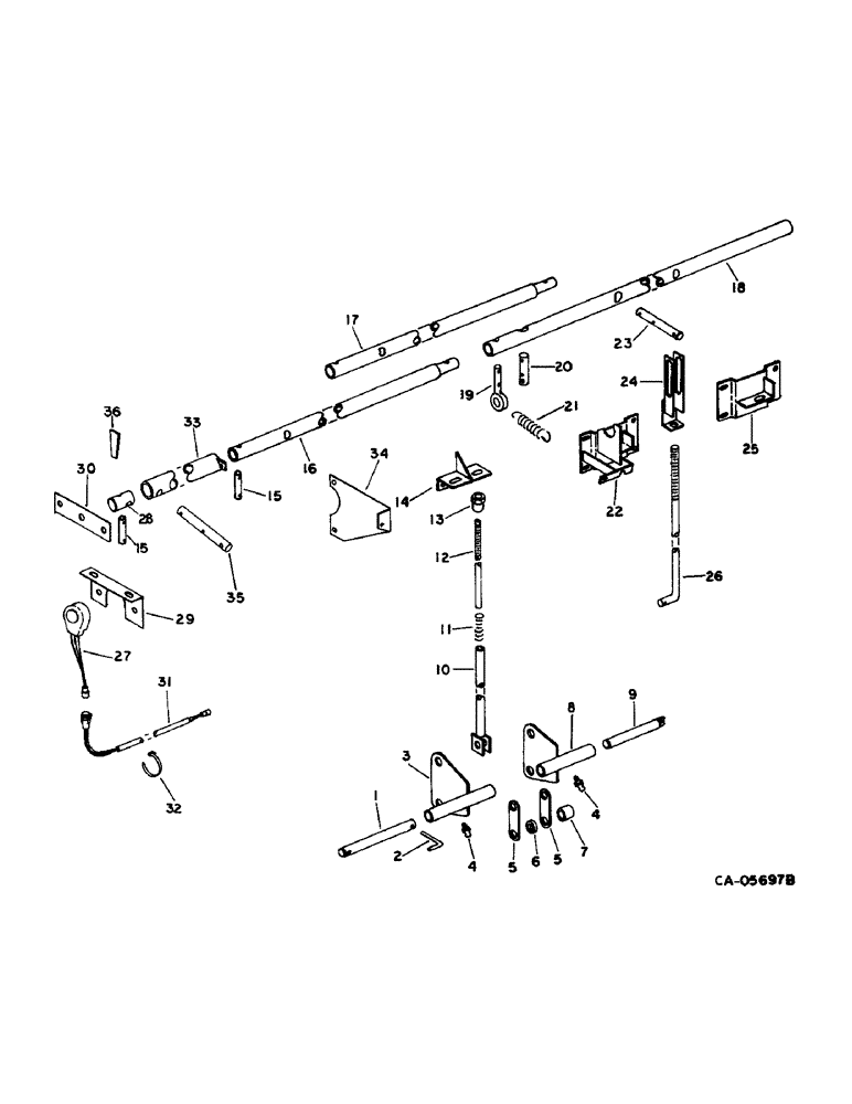
19
10
22
8
13
12
4
31
29
36
2
7
17
35
15
18
15
34
20
9
5
28
24
16
30
14
21
33
1
3
11
5
27
32
25
23
26
4
6
FIT
1:1
100%

Артикул

Название

Примечание

Количество

1

197770C1

PIN,19.05mm OD x 210.82mm L

cam pivot outer

2шт.

217973

COTTER PIN,1/4" x 1 1/4"

Pin, Split (Cotter), 1/4" x 1-1/4"

2шт.

2

197077C1

ROD

retaining

2шт.

3

189142C1

CAM

ASSY, outer LH

1шт.

3

189143C1

CAM

ASSY, outer RH

1шт.

4

87414

LUBE NIPPLE,1/4" - 28

FITTING, 1/4 lub, 4 for 13, 15, 16.5 and 17.5 ft, 6 for 20 and 22.5 ft

1шт.

5

189146C1

BAR

cam link, 8 for 13, 15, 16.5 and 17.5 ft, 12 for 20 and 22.5 ft

1шт.

24892R1

BOLT,Hex, 3/4" - 10 x 3", Gr 8

1шт.

25913R1

NUT,Jam, 3/4"-10, G8

3/4 PHC jam type 8

1шт.

217973

COTTER PIN,1/4" x 1 1/4"

Pin, Split (Cotter), 1/4" x 1-1/4"

1шт.

28021R1

HEADED PIN,3/4" x 1 1/2"

PIN, 3/4 x 1.5 std-hd type 5

1шт.

366112R1

WASHER

.781 x 1.250 x .150

1шт.

178375R1

WASHER

.781 x 1.250 x .054

1шт.

6

591046R1

SPACER

3/4 x 3/8 std pipe, 4 for 13, 15, 16.5 and 17.5 ft, 6 for 20 and 22.5 ft

1шт.

7

PO11463

SPACER,3/4" Pipe x 11/16"

3/4 x 21/32 std pipe

2шт.

24894R1

BOLT,Hex, 3/4" - 10 x 4", Gr 8

1шт.

25913R1

NUT,Jam, 3/4"-10, G8

3/4 PHC jam type 8

1шт.

8

189136C1

CAM

ASSY, inner LH, 1 for 13, 15, 16.5 and 17.5 ft, 2 for and 22.5 ft

1шт.

8

189137C1

CAM

ASSY, inner RH, 1 for 13, 15, 16.5 and 17.5 ft, 2 for 20 and 22.5 ft

1шт.

9

189060C1

PIN

cam pivot inner, 2 for 13, 15, 16.5 and 17.5 ft, 4 for 20 and 22.5 ft

1шт.

938017R1

FLANGE NUT,Flg, USR, 5/16"-18

5/16 flange lock

1шт.

161945C1

SERRATED SCREW,Sl Truss Hd, 5/16" - 18 x 1"

5/16 x 1 znp slt-truss-hd

1шт.

131017

WASHER

.812 x 1.469 x .108

1шт.

10

189052C1

TUBE

YOKE ASSY, spring tube, 4 for 13, 15, 16.5 and 17.5 ft, 6 for 20 and 22.5 ft

1шт.

217973

COTTER PIN,1/4" x 1 1/4"

Pin, Split (Cotter), 1/4" x 1-1/4"

1шт.

28021R1

HEADED PIN,3/4" x 1 1/2"

PIN, 3/4 x 1.5 std-hd type 5

1шт.

11

520160R1

SPRING

4 for 13, 15, 16.5 and 17.5 ft, 6 for 20 and 22.5 ft

1шт.

12

197054C1

ROD

cam spring, 4 for 13, 15, 16.5 and 17.5 ft, 6 for 20 and 22.5 ft

1шт.

25913R1

NUT,Jam, 3/4"-10, G8

3/4 PHC jam type 8

1шт.

280954

NUT,3/4"-10, G5

1шт.

13

181853C1

HUB

NUT, spring, 4 for 13, 15, 16.5 and 17.5 ft, 6 for 20 and 22.5 ft

1шт.

14

189044C1

SUPPORT

ASSY, spring upper outer

2шт.

24860R1

BOLT,Hex, 1/2" - 13 x 1", Gr 8

4шт.

9412230

LOCK NUT

1/2 PHC p/t lock type 8

4шт.

15

185539C1

PIN,9.53mm OD x 48.26mm L

coupler, 3 for 13, 15, 16.5 and 17.5 ft, 5 for 20 and 22.5 ft

1шт.

648002

KNIFE

1/8" x 3/4"

1шт.

16

189940C1

PIPE

end, 13.0 ft

2шт.

16

189941C1

PIPE

end, 15.0 ft

2шт.

16

189942C1

PIPE

end, 16.5 ft

2шт.

16

189943C1

PIPE

end, 17.5 ft

2шт.

16

189944C1

PIPE

end, 20.0 ft

2шт.

16

189945C1

PIPE

end, 22.5 ft

2шт.

17

189946C1

PIPE

inner, 2 for 20 and 22.5 ft

1шт.

18

189028C1

PIPE

center

1шт.

19

185540C1

PIN

control spring

1шт.

648002

KNIFE

1/8" x 3/4"

2шт.

20

189024C1

PIN

cable

1шт.

28020R1

PIN

1/4 x 1-1/4 hd type 5

1шт.

473443R1

COTTER PIN

quick attachable cot.

1шт.

21

13985V

SPRING

1шт.

22

1305012C1

SUPPORT

ASSY, spring upper inner LH

1шт.

24861R1

BOLT,Hex, 1/2" - 13 x 1 1/4", Gr 8

1шт.

938017R1

FLANGE NUT,Flg, USR, 5/16"-18

5/16 flange lock

1шт.

9412230

LOCK NUT

1/2 PHC p/t lock type 8

1шт.

135270

SERRATED SCREW,5/16" - 18 x 3/4"

5/16 x 3/4 znp slt-truss-hd

1шт.

23

189024C1

PIN

control, 4 for 13, 15, 16.5 and 17.5 ft, 6 for 20 and 22.5 ft

1шт.

28020R1

PIN

1/4 x 1-1/4 hd type 5

1шт.

473443R1

COTTER PIN

quick attachable cot.

1шт.

18481R1

COTTER PIN,3/16" x 1"

PIN, SPLIT (COTTER), 3/16" x 1"

1шт.

24

187379C1

YOKE

ASSY, control, 4 for 13, 15, 16.5 and 17.5 ft, 6 for 20 and 22.5 ft

1шт.

648002

KNIFE

1/8" x 3/4"

1шт.

28020R1

PIN

1/4 x 1.250 hd type 5

1шт.

120392

WASHER,1/4", SAE

.281 x .625 x .051

1шт.

25

189939C1

SUPPORT

ASSY, spring upper intermediate, 1 for 13, 15, 16.5 and 17.5 ft, 3 for 20 and 22.5 ft

1шт.

24861R1

BOLT,Hex, 1/2" - 13 x 1 1/4", Gr 8

1шт.

938017R1

FLANGE NUT,Flg, USR, 5/16"-18

5/16 flange lock

1шт.

9412230

LOCK NUT

1/2 PHC p/t lock type 8

1шт.

135270

SERRATED SCREW,5/16" - 18 x 3/4"

5/16 x 3/4 znp slt-truss-hd

1шт.

26

189021C1

ROD

control, 4 for 13, 15, 16.5 and 17.5 ft, 6 for 20 and 22.5 ft

1шт.

120376

NUT,5/16"-18, G5

1шт.

648002

KNIFE

1/8" x 3/4"

1шт.

120393

BEARING WASHER,5/16", SAE

WASHER, .344 x .688 x .051

1шт.

27

1301147C91

POTENTIOMETER

Sensing, for Combines with Electro-Hydraulic

1шт.

68107H

LOCK NUT

3/8 lock

1шт.

138542

LOCK WASHER,Int Tooth, 3/8"

WASHER, LOCK, Int Tooth, 3/8"

1шт.

477242R1

WASHER

.406 x 1.000 x .027

1шт.

28

1301277C2

SHAFT

PIN, mounting, for use w/electro hydraulic

1шт.

193222

SET SCREW,Hex Soc, #8-32 x 1/4"

SCREW, no. 8 x 1/4 c/pt znp hdl/s set

1шт.

29

1301278C1

BRACKET

ANGLE, support, for use w/electro hydraulic

1шт.

202107C1

BOLT,Hex Serr Flg, 5/16" - 18 x 3/4"

5/16 x 3/4 znp hex/hd flg lock

2шт.

938017R1

FLANGE NUT,Flg, USR, 5/16"-18

5/16 flange lock

2шт.

30

1301279C1

STRIP

potentiometer, rubber, for use w/elector hydraulic

1шт.

202107C1

BOLT,Hex Serr Flg, 5/16" - 18 x 3/4"

5/16 x 3/4 znp hex/hd flg lock

2шт.

938017R1

FLANGE NUT,Flg, USR, 5/16"-18

5/16 flange lock

2шт.

31

1301319C2

HARNESS

ASSY, for use w/electro hydraulic

1шт.

31a

91829C1

HARNESS

for automatic header height control for use on 800 series header with 1600 series combines, 250 mm, excluding connectors

1шт.

32

702093C1

CABLE TIE

STRAP, tie, for use w/electro hydrualic

12шт.

33

1301374C1

PIPE

SUPPORT ASSY, torque, for use w/electro hydraulic

1шт.

34

1301377C1

BRACKET

spring anchor, for use w/electro hydraulic

1шт.

482256R1

BEARING LOCK NUT,Flg, USR, 3/8"-16

3/8 flange lock

2шт.

477-73816

SERRATED SCREW,Sl Truss Hd, 3/8" x 1"

3/8 x 1 slt-truss-hd

2шт.

35

1301378C1

HITCH PIN

PIN, torque support, for use w/electro hydraulic

1шт.

648002

KNIFE

1/8" x 3/4"

1шт.

18481R1

COTTER PIN,3/16" x 1"

PIN, SPLIT (COTTER), 3/16" x 1"

2шт.

36

1310763C1

AXLE PIN

BAR, locking pin, for use w/electro hydraulic

1шт.

Выбрано товаров: 95