Запчасти Case IH 820 (D-26) - REEL, PICKUP REEL, LOVE, SLOTTED PITCH ADJUSTMENT TYPE (58) - ATTACHMENTS/HEADERS

Схема запчастей Case IH 820 - (D-26) - REEL, PICKUP REEL, LOVE, SLOTTED PITCH ADJUSTMENT TYPE (58) - ATTACHMENTS/HEADERS
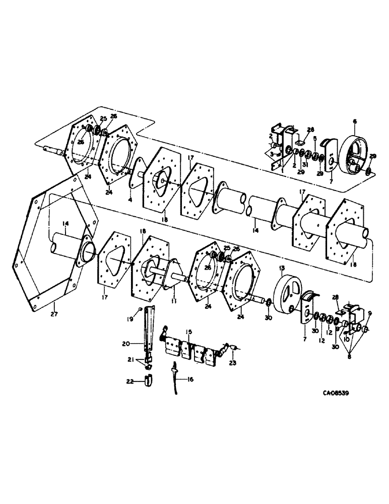
24
12
26
8
30
26
25
14
5
3
9
28
31
4
16
2
10
29
29
11
24
28
30
12
19
13
17
18
24
7
15
17
17
27
18
1
7
2
8
24
26
29
18
9
23
30
20
22
25
14
26
21
FIT
1:1
100%

Артикул

Название

Примечание

Количество

1

1316152C91

SUPPORT

W/TWO BUSHINGS, 1313304C1 and fitting, 126152, drive shaft

1шт.

180122

BOLT,Hex, 3/8" - 16 x 1", Gr 5

3/8 x type 5

2шт.

120383

LOCK WASHER,Helical Spring, 7/16"

WASHER, LOCK, 7/16"

2шт.

120377

NUT,3/8" - 16, Gr 5

2шт.

2

1313304C1

BUSHING

1-9/16 ID

2шт.

3

80717

LUBE NIPPLE,45 Degree, 1/8" NPT x 7/8" lg

FITTING, 1/8 PTF short 45D lub

1шт.

4

1324512C1

SHAFT

drive, 29.9 in. long, 13.0 ft. only

1шт.

4

1324511C1

SHAFT

drive, 29.9 in. long, 15.0 ft., 16.5 ft., 17.5 ft., 20.0 ft.

1шт.

4

1313309C2

SHAFT

drive, 29.6 in. long, all except 22.0 ft

1шт.

4

1313461C1

SHAFT

drive, 22.0 ft. only

1шт.

609376R1

WASHER

1.781 x 2.500 x .105

2шт.

5

612267R1

COLLAR

1-11/16 in. ID

1шт.

426374

SET SCREW,Hex Soc, 3/8"-16 x 1/2"

SCREW, 3/8 x 1/2 c/pt znp hdl/s set

2шт.

6

1313325C1

CAM

eccentric 1-11/16 in. bore

1шт.

7

1316153C1

SUPPORT

ASSY, pitch control, plate

2шт.

180145

BOLT,Hex, 7/16" - 14 x 1", Gr 5

7/16 x 1 type 5

2шт.

120383

LOCK WASHER,Helical Spring, 7/16"

WASHER, LOCK, 7/16"

2шт.

231-4117

LOCK NUT,7/16"-14, GB

NUT, 7/16 CAD p/t lock type 5

4шт.

120395

WASHER

.469 x .922 x .051

8шт.

8

1316155C91

SUPPORT

W/TWO BUSHINGS, 1313308C1 eccentric end shaft, for 6 in. OD center tube

1шт.

8

1316154C91

SUPPORT

W/TWO BUSHINGS, 1319331C1 eccentric end shaft, for 8 in. OD center tube

1шт.

9

1313308C1

BUSHING

1-5/16 in. ID, for support, 1316155C91

2шт.

9

1319331C1

BUSHING

1-1/2 in. ID, for support, 1316154C91

2шт.

10

109461

LUBE NIPPLE,1/8"-27 x .66 lg

NIPPLE, LUBE, , PTF 1/8"-27 x .66 lg

1шт.

11

1313310C1

SHAFT

eccentric end, for 6 in. OD center tube

1шт.

11

1313335C1

SHAFT

eccentric end, for 8 in. OD center tube

1шт.

22482R1

WASHER

1.406 x 2.250 x .105, for shaft, 1313310C1

2шт.

21718R1

WASHER

1.531 x 2.250 x .105, for shaft, 1313335C1

2шт.

180151

BOLT,Hex, 7/16" - 14 x 1 3/4", Gr 5

7/16 x 1-3/4 type 5

3шт.

473213R1

LOCK NUT,7/16"-14, GB

NUT, 7/16-14 hex lock

3шт.

12

1313311C91

COLLAR

W/SET SCREW, 1-5/16 in. ID, for 6 in. OD center tube

1шт.

12

1313312C91

COLLAR

W/SET SCREW, 1-1/2 in. ID, for 8 in. OD center tube

1шт.

426374

SET SCREW,Hex Soc, 3/8"-16 x 1/2"

SCREW, 3/8 x 1/2 c/pt znp hdl/s set

2шт.

13

1313324C1

CAM

eccentric 1-5/16 in. bore, for 6 in. OD center tube

1шт.

13

1313326C1

CAM

eccentric 1-1/2 in. bore, for 8 in. OD center tube

1шт.

14

1313327C1

SUPPORT ASSY, center tube, for 13.0 ft

1шт.

14

1313328C1

SUPPORT ASSY, center tube, for 15.0 ft

1шт.

14

1313329C1

SUPPORT ASSY, center tube, for 16.5 ft

1шт.

14

1313330C1

SUPPORT ASSY, center tube, for 17.5 ft

1шт.

14

1313331C1

SUPPORT ASSY, center tube, for 20.0 ft

1шт.

14

1313337C1

SUPPORT ASSY, center tube, for 22.5 ft

1шт.

15

1324499C91

SHAFT

PACKAGE, support w/o tines, 13.0 ft, replaces support w/tines, 1313340C91

6шт.

Includes tine tool, 1316507C1, also order tine finger package, 1326469C1 as required

1шт.

15

1324501C91

SHAFT

PACKAGE, support w/o tines, 15.0 ft, replaces support w/tines, 1313341C91

6шт.

Includes tine tool, 1316507C1, also order tine finger package, 1326469C1 as required

1шт.

15

1324503C91

SHAFT

PACKAGE, support w/o tines, 16.5 ft, replaces support w/tines, 1313342C91

6шт.

Includes tine tool, 1316507C1, also order tine finger package, 1326469C1 as required

1шт.

15

1324505C91

SHAFT

PACKAGE, support w/o tines, 17.5 ft, replaces support w/tines, 1313343C91

6шт.

Includes tine tool, 1316507C1, also order tine finger package, 1326469C1 as required

1шт.

15

1324507C91

SHAFT

PACKAGE, support w/o tines, 20.0 ft, replaces support w/tines, 1313344C91

6шт.

Includes tine tool, 1316507C1, also order tine finger package, 1326469C1 as required

1шт.

15

1324509C91

SHAFT

PACKAGE, support w/o tines, 22.5 ft, replaces support w/tines, 1313345C91

6шт.

Includes tine tool, 1316507C1, also order tine finger package, 1326469C1 as required

1шт.

180151

BOLT,Hex, 7/16" - 14 x 1 3/4", Gr 5

7/16 x 1-3/4 type 5

1шт.

473213R1

LOCK NUT,7/16"-14, GB

NUT, 7/16-14 hex lock

1шт.

16

1326469C1

FINGER

PACKAGE, tine finger, pkg of 10, replaces tine, 1313314C1, bolt 180122, lock washer, 120383 and nut 120377, consists of, (NSS) finger (10), (NSS) screw (10)

1шт.

13.0 ft requires 186 tines, 15.0 ft requires 222 tines, 16.5 ft. requires 246 tines, 17.5 ft. requires 270 tines, 20.0 ft. requires 306 tines, 22.0 ft. requires 348 tines

1шт.

17

1313333C1

FLANGE

SPIDER, small, for 6 in. OD center tube, 3 for 13.0 ft, 4 for 15.0 thru 20.0 ft

1шт.

17

1313334C1

FLANGE

SPIDER, small, for 8 in. OD center tube, 5 for 22.5 ft

1шт.

88574

BOLT,Hex, 5/16" - 18 x 1/2", Gr 5, Full Thd

1шт.

180082

BOLT (SPREADER),Hex, 5/16" - 18 x 1 3/8", Gr 5

BOLT, 5/16 x 1-3/8 type 5

1шт.

9412083

NUT,5/16"-18, GB

NUT, 5/16 CAD p/t lock type 5

1шт.

18

1313332C1

SPIDER

large, for 6 in. OD center tube, 3 for 13.0 ft, 4 for 15.0 thru 20.0 ft

1шт.

18

1313336C1

FLANGE

SPIDER, large, for 8 in. OD center tube, 5 for 22.5 ft

1шт.

88574

BOLT,Hex, 5/16" - 18 x 1/2", Gr 5, Full Thd

1шт.

180082

BOLT (SPREADER),Hex, 5/16" - 18 x 1 3/8", Gr 5

BOLT, 5/16 x 1-3/8 type 5

1шт.

9412083

NUT,5/16"-18, GB

NUT, 5/16 CAD p/t lock type 5

1шт.

180149

LOCK SCREW,Hex, 7/16" - 14 x 1 1/2", Gr 5

BOLT, 7/16 x 1-1/2 type 5

1шт.

231-4117

LOCK NUT,7/16"-14, GB

NUT, 7/16 CAD p/t lock type 5

1шт.

19

371108R1

SPACER,3/8" Pipe x .844"

3/8 x .844 std pipe, 48 for 13.0 ft, 60 for 15.0 thru 20.0 ft, 72 for 22.5 ft

1шт.

20

1313319C1

SUPPORT

arm, 30 for 13.0 ft, 36 for 15.0 thru 20.0 ft, 42 for 22.5 ft

1шт.

180083

BOLT,Hex, 5/16" - 18 x 1 1/2", Gr 5

5/16 x 1-1/2 type 5

1шт.

9412083

NUT,5/16"-18, GB

NUT, 5/16 CAD p/t lock type 5

1шт.

21

1313462C1

KIT

BEARING SET, batshaft, 30 for 13.0 ft, 36 for 15.0 thru 20.0 ft, 42 for 22.5 ft

1шт.

22

1313315C1

CLAMP

U-CLEVIS, bearing, 30 for 13.0 ft, 36 for 15.0 thru 20.0 ft, 42 for 22.5 ft

1шт.

180085

SPRING

5/16 x 1-3/4 type 5

1шт.

9412083

NUT,5/16"-18, GB

NUT, 5/16 CAD p/t lock type 5

1шт.

23

1313301C1

BUSHING

reel arm outboard

12шт.

NLS

NO LONGER SERVICED

7/16 x 2-1/4 type 5

12шт.

1313463C1

FLANGE NUT

NUT, 7/16 small flange p/t lock

12шт.

120383

LOCK WASHER,Helical Spring, 7/16"

WASHER, LOCK, 7/16"

12шт.

21762R1

WASHER

.906 x 1.375 x .120

12шт.

24

1313317C1

FLANGE

eccentric end spider

4шт.

180082

BOLT (SPREADER),Hex, 5/16" - 18 x 1 3/8", Gr 5

BOLT, 5/16 x 1-3/8 type 5

1шт.

180083

BOLT,Hex, 5/16" - 18 x 1 1/2", Gr 5

5/16 x 1-1/2 type 5

1шт.

9412083

NUT,5/16"-18, GB

NUT, 5/16 CAD p/t lock type 5

1шт.

180149

LOCK SCREW,Hex, 7/16" - 14 x 1 1/2", Gr 5

BOLT, 7/16 x 1-1/2 type 5

1шт.

231-4117

LOCK NUT,7/16"-14, GB

NUT, 7/16 CAD p/t lock type 5

1шт.

25

538961R91

BEARING ASSY,19.995 mm ID x 46.995 mm OD x 13.94 mm

BEARING ASSY, eccentric roller

12шт.

26

1313323C1

WASHER

bearing, bushing

24шт.

27

1313339C1

SHIELD

right end

1шт.

27

1313338C1

SHIELD

left end

1шт.

1324493C1

SHIELD

solid

2шт.

202107C1

BOLT,Hex Serr Flg, 5/16" - 18 x 3/4"

5/16 x 3/4 znp hex/hd flg lock

12шт.

188471C1

FLANGE NUT,Flg, 5/16"-18

NUT, 5/16 small flange p/t lock

12шт.

28

1316156C1

BLOCK

lock

2шт.

29

1316158C1

THRUST WASHER

WASHER, 1.781 x 2.500 x .075 thrust

2шт.

30

1316160C1

THRUST WASHER

1.406 x 2.500 x .075 thrust, for 6 in. OD center tube

2шт.

30

1316159C1

WASHER

1.531 x 2.250 x .075 thrust, for 8 in. OD center tube

2шт.

31

1316157C1

COLLAR

W/TWO SET SCREWS, 1-9/16 ID locking

1шт.

1316199C91

KIT

PACKAGE, aux pickup LH, finger, consists of (NSS) support (AR), (NSS) finger (AR), (NSS) screw (AR)

1шт.

1316200C91

KIT

PACKAGE, aux pickup RH, finger, consists of, (NSS) support (AR), (NSS) finger (AR), (NSS) screw (AR)

1шт.

Выбрано товаров: 102