Запчасти Case IH 2-PR (091[1]) - ELEVATOR FAN (80) - CROP STORAGE/UNLOADING

Схема запчастей Case IH 2-PR - (091[1]) - ELEVATOR FAN (80) - CROP STORAGE/UNLOADING
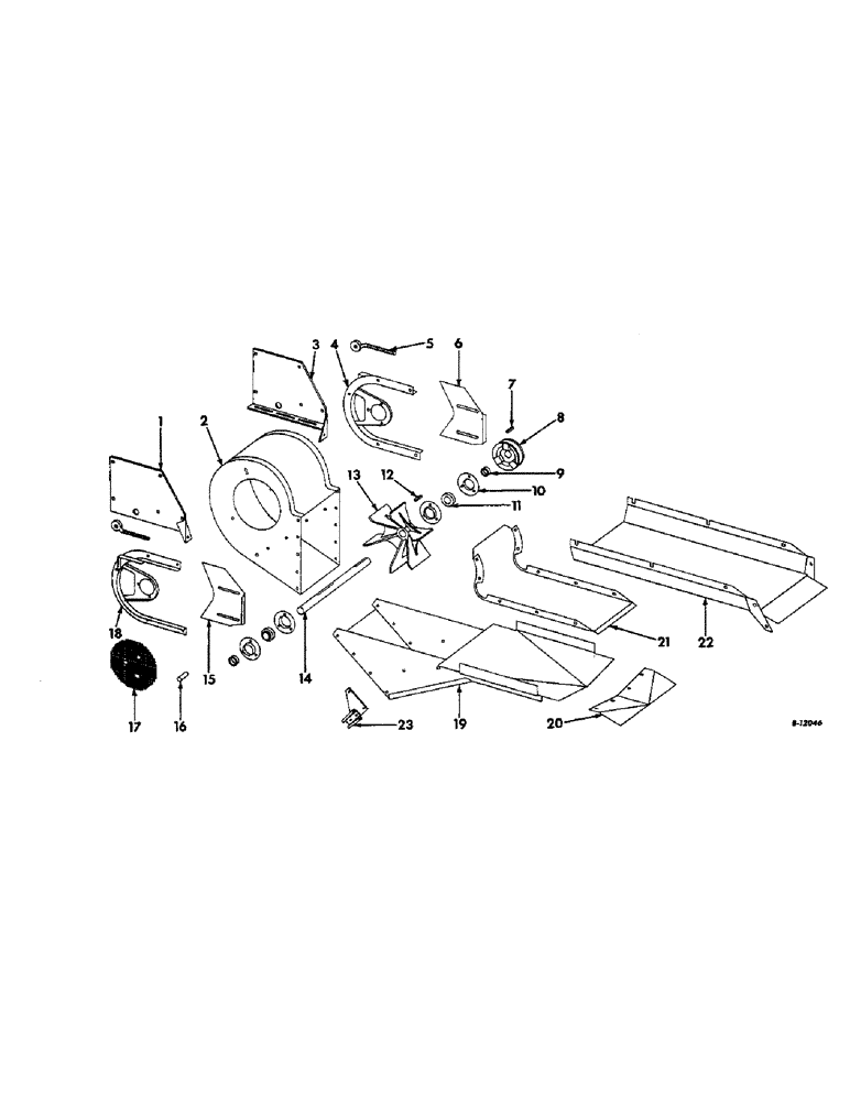
13
9
7
18
10
2
8
1
17
4
6
22
16
15
14
11
3
12
5
21
20
23
19
FIT
1:1
100%

Артикул

Название

Примечание

Количество

ELEVATOR FAN (Machine attachment) (Ordering number 587326R91), attachment

1шт.

ADAPTING PARTS, elevator fan attachment

1шт.

DRIVE PARTS, elevator fan attachment

1шт.

ELEVATOR FAN, attachment

1шт.

1

582444R91

PLATE, elevator fan support left (Welded assembly) (YR. 57-)

1шт.

5/16 X 3/4" CRG. BOLT W/NUT

2шт.

3/8 X 3/4" CRG. BOLT W/NUT

2шт.

3/8 X 1" CRG. BOLT W/NUT

1шт.

3/8" LOCK WASHER

3шт.

13/32 X 1" X 16 GA. WASHER

2шт.

2

579918R91

HOUSING W/HEAD, fan elevator (Welded assembly) (YR. 57-)

1шт.

5/16 X 1/2" CRG. BOLT

10шт.

5/16 X 3/4" CRG. BOLT

6шт.

5/16" NUT

12шт.

5/16" WING NUT

4шт.

15/32 X 1" X 16 GA. WASHER

4шт.

5/16" LOCK WASHER

16шт.

3

582445R91

PLATE, elevator fan support right (Welded assembly) (YR. 57-)

1шт.

5/16 X 3/4" CRG. BOLT W/NUT

2шт.

3/8 X 3/4" CRG. BOLT W/NUT

2шт.

3/8 X 1" CRG. BOLT W/NUT

1шт.

5/16" LOCK WASHER

2шт.

3/8" LOCK WASHER

1шт.

13/32 X 1" X 16 GA. WASHER

1шт.

4

579912R91

SUPPORT W/BRACKET, elevator fan right (Welded assemby) (YR. 57-)

1шт.

5/16 X 3/4" CRG. BOLT W/NUT

3шт.

5/16" LOCK WASHER

3шт.

5

564979R1

BOLT (SPREADER),7/16" - 14 x 6"

EYEBOLT, wagon elevator fan drive belt tightener (YR. 57-)

2шт.

7/16" NUT

4шт.

6

578614R1

SHUTTER, fan housing left (YR. 57-)

1шт.

7

Q475

KEY, tapered fan drive sheave (YR. 57-) Gib, 1/4" Sq x 1 1/2" Tap

1шт.

8

575128R1

SHEAVE, fan driven (Regular) (YR. 57-)

1шт.

8

554989R1

SHEAVE, fan driven (Special slow speed) (YR. 57-)

1шт.

9

658006R11

COLLAR

W/SET SCREW ASSEMBLY (YR. 57-)

2шт.

1/4 X 1/4" CUP-PT. SET SCREW (YR. 57-)

2шт.

10

454252R11

FLANGE, wagon elevator fan bearing (YR. 57-)

4шт.

11

657383R92

BEARING

ball (YR. 57-)

2шт.

12

126

KEY,1/4" Sq x 2 1/2", Par

straight elevator fan (1/4 x 1/4 x 2-1/2") (YR. 57-)

1шт.

13

575988R2

FAN, elevator (YR. 57-)

1шт.

3/8" NUT

1шт.

3/8 X 1-1/2" SQ-HD., CUP-PT. SET SCREW

1шт.

14

581849R1

SHAFT, fan (YR. 57-)

1шт.

15

578615R1

SHUTTER, fan housing right (YR. 57-)

1шт.

16

M80191

SPACER, elevator fan shield (YR. 57-)

3шт.

17

580028R1

SHIELD, elevator fan (YR. 57-)

1шт.

18

579911R91

SUPPORT W/BRACKET, elevator fan left (Welded assembly) (YR. 57)

1шт.

5/16 X 2-1/2" CRG. BOLT W/NUT

3шт.

5/16" LOCK WASHER

3шт.

11/32 X 3/4 X 16" GA. WASHER

3шт.

19

579923R91

DUCT W/SIDE, wagon elevator (Welded assembly) (YR. 57-)

1шт.

5/16 X 1/2" CRG. BOLT W/NUT

4шт.

5/16" LOCK WASHER

4шт.

20

579930R1

DEFLECTOR, elevator fan duct (YR. 57-)

1шт.

21

579904R1

BAFFLE, wagon elevator fan housing (YR. 57-)

1шт.

5/16 X 1/2" CRG. BOLT W/NUT

4шт.

5/16" LOCK WASHER

4шт.

22

579921R91

GUARD W/EXTENSION, elevator fan (Welded assembly) (YR. 57-)

1шт.

23

587320R91

BRACKET, safety lamp socket (YR. 58-)

1шт.

Выбрано товаров: 58