Запчасти Case IH 2016 (20.07[01]) - DRIVE SHAFT, PRIOR TO PIN CCC0022701 (58) - ATTACHMENTS/HEADERS

Схема запчастей Case IH 2016 - (20.07[01]) - DRIVE SHAFT, PRIOR TO PIN CCC0022701 (58) - ATTACHMENTS/HEADERS
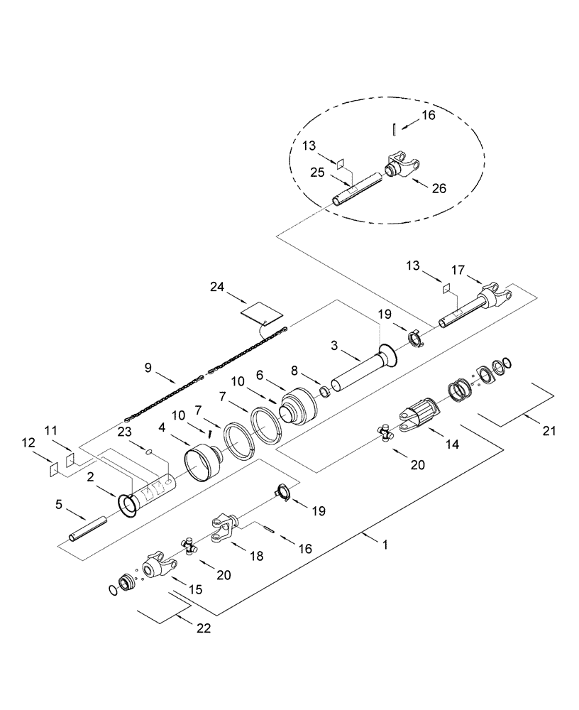
1
7
8
23
17
15
20
3
16
16
22
25
10
24
20
10
2
18
6
11
21
26
13
4
5
7
9
12
13
19
14
19
FIT
1:1
100%

Артикул

Название

Примечание

Количество

1

86989933

DRIVE SHAFT

PTO, 12', 14'

1шт.

BPIN CAB010350

1шт.

1

87532573

DRIVE SHAFT

PTO, 14'

1шт.

PIN CAB010230 and After

1шт.

1

87433444

DRIVE

PTO, 16'

1шт.

BPIN CAB010350

1шт.

1

87532574

DRIVE SHAFT

PTO, 16'

1шт.

PIN CAB010230 and After

1шт.

2

87433422

SHIELD

Outer, 12 & 14'

1шт.

2

87448950

SHIELD

Outer, 16'

1шт.

3

87433423

SHIELD

Inner, 12 & 14'

1шт.

3

87551248

SHIELD

Inner, 16'

1шт.

4

87433421

SHIELD

Cone, 7 Rib

1шт.

5

87433426

TUBE

Inner, 12 & 14'

1шт.

5

87451993

TUBE

Inner, 16'

1шт.

6

87432435

SHIELD

Cone

2шт.

7

80564C1

COLLAR

Reinforcing

2шт.

8

1281454C1

SUPPORT

Bearing

1шт.

9

379650

CHAIN

2шт.

10

87432438

SCREW

Shield Cone

2шт.

11

80672C1

DECAL

Rotating Driveline, 3 Panel

1шт.

12

389387A1

DECAL

Entanglement, 2 Panel, Wordless

1шт.

13

1326528C1

DECAL

Missing Guard

1шт.

14

440424A1

CLUTCH

750 Nm

1шт.

BPIN CAB010350

1шт.

14

389015A1

CLUTCH ASSEMBLY

850Nm,

1шт.

PIN CAB010230 and After

1шт.

700703406

CAM

Pin

24шт.

700703408

SPRING

External

24шт.

297908A1

SPRING

Internal

11шт.

298004A1

RING

Bi-Directional

1шт.

15

389386A1

YOKE

1шт.

16

30907R1

LOCK PIN,M10 x 70, Slotted

2шт.

17

87433420

CLEVIS

Shaft Mounting, Clutch End, W/Shaft, 12 & 14'

1шт.

18

389011A1

LINKAGE YOKE

Shaft Mounting, Drive End, W/Shaft

1шт.

19

1281450C1

RING

Bearing, W/Shaft

2шт.

20

87423630

SPIDER

U-Joint Repair

2шт.

21

87547C1

KIT

Quick Disconnect

1шт.

22

389033A1

KIT

Quick Disconnect, Slide

1шт.

23

87432434

DECAL

CE Mark

1шт.

24

NS

NOT SERVICED

EC Certificate

1шт.

25

87451994

TUBE

Outer, 16'

1шт.

26

389014A1

LINKAGE YOKE

Clutch End, 16'

1шт.

Выбрано товаров: 43