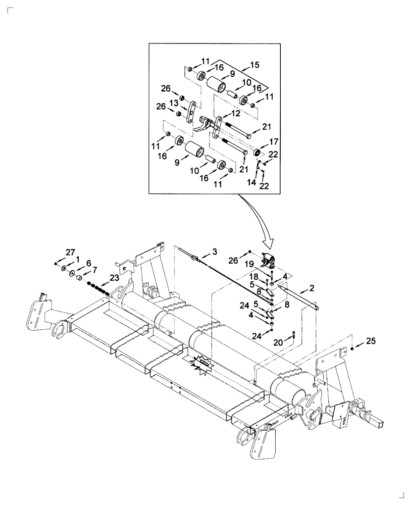
Запчасти Case IH 2016 (20.17) - ROLLER SUPPORT, 16 FT MODEL, BELT TYPE [SWATHMASTER], BPIN PPP003001 (60) - PRODUCT FEEDING

Схема запчастей Case IH 2016 - (20.17) - ROLLER SUPPORT, 16 FT MODEL, BELT TYPE [SWATHMASTER], BPIN PPP003001 (60) - PRODUCT FEEDING
9
15
20
18
24
5
21
26
6
3
27
16
5
14
2
22
26
24
13
25
9
16
11
8
4
19
16
10
26
4
16
8
10
21
11
7
23
12
11
1
17
22
11
FIT
1:1
100%

Артикул

Название

Примечание

Количество

1

87448938

DECAL

Adjustment

1шт.

2

87448926

BAR

Support

1шт.

3

87448930

CABLE

Roller Support

1шт.

4

87433457

WASHER

2шт.

5

87433455

ROLLER

2шт.

6

87448940

WASHER

1шт.

7

87448932

TUBE

1шт.

8

87448929

SPACER

2шт.

9

NSS

NOT SOLD SEPARAT

Housing

2шт.

10

NSS

NOT SOLD SEPARAT

Spacer

2шт.

11

87448924

SPACER

4шт.

12

87448942

BRACKET

Includes: Bearings

1шт.

13

87448927

SUPPORT

Outer

1шт.

14

895-11004

WASHER,4.3mm ID x 9mm OD x 0.8mm Thk

2шт.

15

87532582

HOUSING

4шт.

16

87448937

BEARING

4шт.

17

87448936

SPHERICAL BEARING

1шт.

18

9636711

BOLT,Hex, 5/16 - 18" x 2", Gr 5

1шт.

19

88731

BOLT,Hex, 5/16"- 18 x 3", Gr 5

1шт.

20

87790038

SUPPORT

1шт.

21

86508574

BOLT,Hex, M10 x 120mm, Cl 8.8

2шт.

22

87302072

HEX SOC SCREW,Btn Hd, #8 - 32 x 1/2"

2шт.

23

87448939

WASHER

18шт.

24

86629544

NUT,5/16” – 18, GR B

2шт.

25

9637692

NUT,3/8"-16, Gr B

1шт.

26

412141

NUT,M10 x 1.5, Cl 8

3шт.

27

9636698

NUT,1/2"-13, GB

1шт.

Выбрано товаров: 27