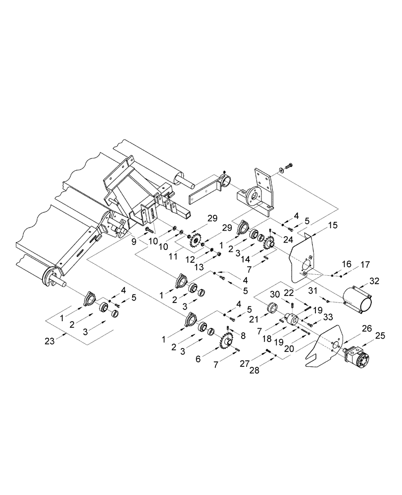
Запчасти Case IH 2016 (60.220.08[1]) - DRIVE ASSY, SWATHMASTER, CHAIN TYPE, P.I.N. PMN003045[PNP002010] & PRIOR (60) - PRODUCT FEEDING

Схема запчастей Case IH 2016 - (60.220.08[1]) - DRIVE ASSY, SWATHMASTER, CHAIN TYPE, P.I.N. PMN003045[PNP002010] & PRIOR (60) - PRODUCT FEEDING
25
22
1
23
28
4
20
19
3
32
7
1
18
4
6
26
31
5
4
27
29
30
5
3
10
2
5
8
29
9
14
17
2
3
3
21
16
19
24
7
33
5
1
2
13
15
12
4
10
1
2
7
11
FIT
1:1
100%

Артикул

Название

Примечание

Количество

1

373876A1

BEARING HOUSING

8шт.

2

156011C92

BALL BEARING

8шт.

3

557995R11

COLLAR

Locking

8шт.

4

80680

LOCK WASHER,3/8 0.381 CST ZND

24шт.

5

88206

BOLT,Hex, 3/8" - 16 x 1", Gr 5

24шт.

6

374023A1

SPROCKET ASSY.

W/Hub, 50 x 23

1шт.

7

Q26

KEY,1/4" Sq x 1 1/4", Par

3шт.

8

86512812

SET SCREW,Sq Hd, 5/16" - 18 x 3/4", Cup Pt

Set, Sq Hd, Cup Pt, 5/16"-18 x 3/4", (2) per Sprocket

2шт.

9

280185

CARRIAGE BOLT,Sq Nk, 1/2" - 13 x 2", Gr 5

1шт.

10

87364

WASHER,0.53" ID x 1.06" OD x 0.1" Thk

2шт.

11

374136A1

SPROCKET ASSY.

Idler W/Bushings

1шт.

12

80679

LOCK WASHER,1/20.507 CST ZND

1шт.

13

280431

NUT,1/2"-13, G5

1шт.

14

374022A1

SPROCKET ASSY.

W/Hub

1шт.

15

376888A1

GUARD

Rear Chain

1шт.

16

80681

LOCK WASHER,5/16"

4шт.

17

9635082

NUT,5/16" - 18, Gr 5

4шт.

18

373928A1

COUPLING

Hydraulic Motor, 2 Bolt Hole

1шт.

BPIN PMN002375 (PNU002030, AUS)

1шт.

18

87451996

COUPLING,25.43mm ID x 63.5mm OD x 73mm L

Hydraulic Motor, 4 Bolt Hole

1шт.

PIN PMN002375 (PNU002030, AUS) and after

1шт.

18

87451997

COUPLING

Kit, Includes Ref 18, 19, 20 & 33

1шт.

19

80682

LOCK WASHER,1/4"

2шт.

20

86533305

SELF-TAP SCREW,Hex Wash Hd, 1/4" x 2 1/2"

2шт.

21

374139A1

HUB

1шт.

22

84983

SET SCREW,3/8" x 1"

2шт.

23

373987A1

BEARING ASSY

Ref 1 thru 3

8шт.

24

86512811

SET SCREW,Sq Hd, 5/16" - 18 x 1/2", Cup Pt

Set, Sq Hd, Cup Pt, 5/16"-18 x 1/2", (2) per Sprocket

2шт.

25

87423608

MOTOR

Orbit 101-1010-009, 74cc

1шт.

Shaft Key 1/4

1шт.

26

373976A1

ARM

Torque

1шт.

27

88434

BOLT,Hex, 3/8" - 16 x 3/4", Gr 5

4шт.

28

80680

LOCK WASHER,3/8 0.381 CST ZND

4шт.

29

448522A1

BUSHING

5/8" x 1/2"

2шт.

30

87616

SET SCREW,3/8" - 16 x 3/4"

1шт.

31

135270

SERRATED SCREW,5/16" - 18 x 3/4"

4шт.

32

376889A1

GUARD

2шт.

33

281-64724

SELF-TAP SCREW,Hex Wash Hd, 1/4" x 1 1/2"

2шт.

87423616

SEAL KIT

Includes All Seals in Orbit Motor, Ref 25

1шт.

374024A1

CHAIN (AG)

RC 50, Not Shown

1шт.

241-1315

LINK, CONNECTING

RC 50, Not Shown

1шт.

374142A1

LINK

RC 50, Offset Link, Not Shown

1шт.

374030A1

CHAIN (AG)

RC 50, Includes Offset & Connecting Link, Not Shown

1шт.

Выбрано товаров: 43