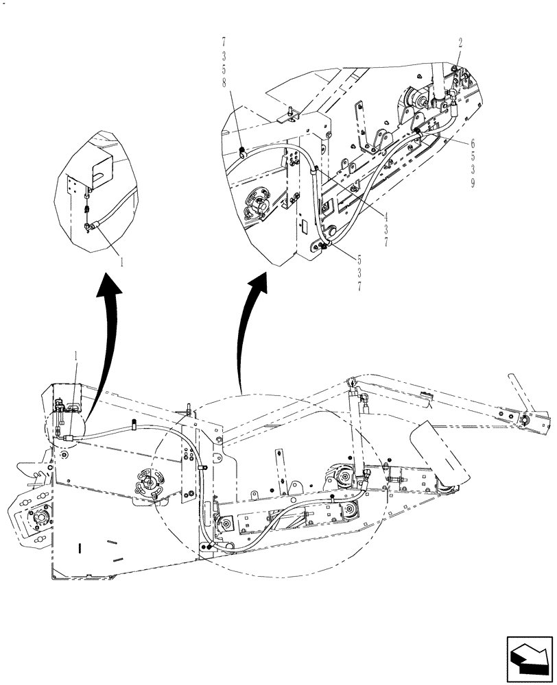
Запчасти Case IH 3016 (35.910.04) - MECHANICAL FLOTATION, RH HOSES (35) - HYDRAULIC SYSTEMS

Схема запчастей Case IH 3016 - (35.910.04) - MECHANICAL FLOTATION, RH HOSES (35) - HYDRAULIC SYSTEMS
5
9
5
3
3
2
7
3
1
3
7
4
8
5
7
6
1
FIT
1:1
100%

Артикул

Название

Примечание

Количество

1

84148087

HYDRAULIC HOSE,9.53mm ID x 2375mm L, SAE 100R17

1шт.

2

86580178

ELBOW,90 Deg, 11/16-16 ORFS x M12 x 1.5 ORB

1шт.

3

322358

BELLEVILLE WASHER,M8 Bolt Size x 18mm OD x 1.4mm Thk

4шт.

4

120103

BOLT,M8 x 1.25 x 16mm, Cl 8.8

1шт.

5

43362

NUT,M8 x 1.25, Cl 10

3шт.

6

120104

BOLT,Hex, M8 x 1.25 x 20mm, Cl 8.8

1шт.

7

87029955

CLAMP,22.2mm, Coat, 10.3mm Bolt Hole, P Type

3шт.

8

86619060

CARRIAGE BOLT,M8 x 1.25 x 16mm, Cl 8.8

1шт.

9

87591913

CLAMP,22.2mm, Coat, 7.1mm Bolt Hole, P Type

1шт.

Выбрано товаров: 9