Запчасти Case IH 3016 (35.910.05) - MECHANICAL FLOTATION, QUICK COUPLER HYDRAULICS (35) - HYDRAULIC SYSTEMS

Схема запчастей Case IH 3016 - (35.910.05) - MECHANICAL FLOTATION, QUICK COUPLER HYDRAULICS (35) - HYDRAULIC SYSTEMS
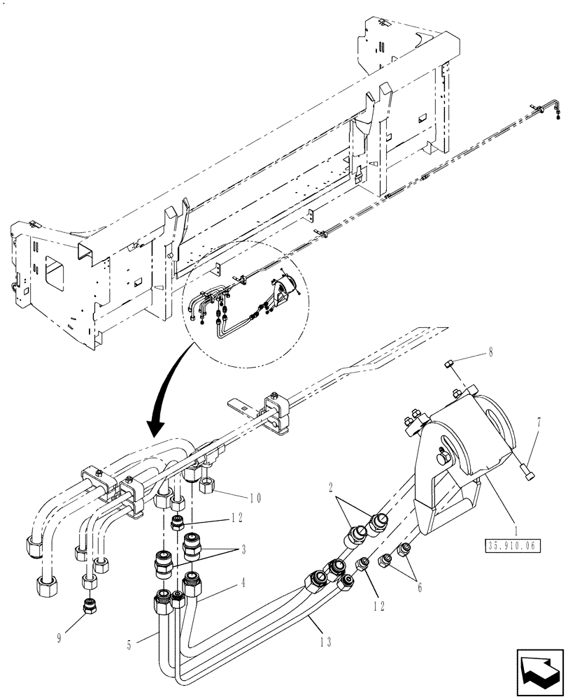
4
6
10
9
7
8
3
1
12
2
13
5
12
35.910.06
FIT
1:1
100%

Артикул

Название

Примечание

Количество

1

0C

ORDER COMPONENTS

Quick Coupler

1шт.

84434997

1шт.

2

86603051

HYD CONNECTOR,1" - 14 ORFS x 3/4" - 16 ORB

2шт.

3

84431473

HYD CONNECTOR,1"-14 ORFS

2шт.

4

84139301

HYD TUBE,16.00 mm OD

1шт.

5

84472088

HYD TUBE

1шт.

6

76349

PLUG,9/16" - 18 ORB

2шт.

7

120228

HEX SOC SCREW,M8 x 20mm, Cl 8.8, Full Thd

4шт.

8

43362

NUT,M8 x 1.25, Cl 10

4шт.

9

87737590

PLUG,11/16" - 16 ORFS

2шт.

10

9625546

CAP,11/16" - 16 ORFS

1шт.

11

86623107

ADAPTER,11/16" - 16 ORFS x 9/16" - 18 ORB

1шт.

12

84431546

UNION,11/16"-16 ORFS

1шт.

13

84358964

HYD TUBE

1шт.

Выбрано товаров: 14