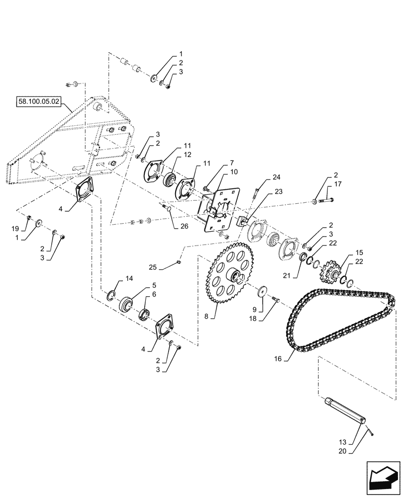
Запчасти Case IH 3016 (58.100.05[01]) - MAIN DRIVE, SPROCKET & CHAIN (58) - ATTACHMENTS/HEADERS

Схема запчастей Case IH 3016 - (58.100.05[01]) - MAIN DRIVE, SPROCKET & CHAIN (58) - ATTACHMENTS/HEADERS
58.100.05.02
25
2
22
5
3
15
12
21
23
1
6
24
3
13
8
20
1
2
3
4
9
2
11
17
11
4
19
3
2
16
26
2
14
18
2
7
22
10
3
FIT
1:1
100%

Артикул

Название

Примечание

Количество

1

86622619

WASHER,0.53" ID x 1.62" OD x 0.25" Thk

1шт.

2

140046

BELLEVILLE WASHER,M12 Bolt Size x 27mm OD x 1.8mm Thk

20шт.

3

9706685

NUT,M12 x 1.75, Cl 8

17шт.

4

86979948

FLANGE

2шт.

5

133941

BALL BEARING,44.45mm ID x 84.99mm OD x 22mm W

, Serial Range: -YDS036917

1шт.

5

84125180

BALL BEARING,45mm ID x 85mm OD x 22mm W

, Start Serial: YDS036918

1шт.

6

45631

COLLAR

1шт.

7

120044

CARRIAGE BOLT,M12 x 1.75 x 30mm, Cl 8.8

4шт.

8

84176718

SPROCKET ASSY.,43T, RC80

43T, RC80

1шт.

9

87017556

WASHER,13.49mm ID x 63.5mm OD x 7.37mm Thk

1шт.

9

84007183

WASHER,16.5mm ID x 58mm OD x 6mm Thk

1шт.

10

87496448

BRACKET, SUPPORTING

1шт.

11

86620027

FLANGED BEARING,80.02mm ID x 147.6mm OD x 4mm Thk

4шт.

12

86523785

BALL BEARING,31.78mm Hex x 80mm OD x 36.5mm W

2шт.

13

84191583

SHAFT,Hex, 31.75mm W x 286.5mm L

Auger Drive

1шт.

14

86619043

WASHER,45.2mm ID x 60.3mm OD x 3.68mm Thk

2шт.

15

84193226

SPROCKET,11T/13T, RC80

13T/11T, RC80

1шт.

12' Headers

1шт.

15

84192929

SPROCKET,12T/14T, RC80

14T/12T, RC80

1шт.

15' Headers

1шт.

16

84193259

CHAIN,RC 80, 76 Links x 25.4mm = 1930.4mm

Includes: Ref. 27 & 28

1шт.

17

9837937

BOLT,Hex, M12 x 1.75 x 100mm, Cl 8.8

1шт.

18

300389

BOLT,M12 x 1.75 x 35mm, Cl 8.8

1шт.

18

385922

BOLT,Hex, M16 x 2 x 45mm, Cl 8.8

1шт.

19

47748169

SPACER,12.954mm ID x 19.05mm OD x 14mm Tk

1шт.

20

733-6350

COTTER PIN,M6.3 x 50

1шт.

21

84138528

SPACER,38.1mm ID x 47.63mm OD x 9.5mm L

1шт.

22

140194

WASHER,41mm ID x 48 mm OD x 1mm Tk

4шт.

23

86611827

CLAMP,32.08mm - 35.16mm

1шт.

24

120069

BOLT,M10 x 1.5 x 56.58mm OAL, Cl 8.8

1шт.

25

100037

LOCK NUT,M10 x 1.5, Cl 8

1шт.

26

334966

CARRIAGE BOLT,Sht Nk, M12 x 1.75 x 45mm, Cl 8.8, Full Thd

4шт.

27

288063

CONNECTING LINK

1шт.

Not Illustrated

1шт.

28

86977428

CONNECTING LINK

Offset

2шт.

Not Illustrated

1шт.

Выбрано товаров: 36