Запчасти Case IH 3016 (88.035.01[03]) - DIA KIT, IN CAB HYDRAULIC FLOATATION,CYLINDER HYDRAULICS (88) - ACCESSORIES

Схема запчастей Case IH 3016 - (88.035.01[03]) - DIA KIT, IN CAB HYDRAULIC FLOATATION,CYLINDER HYDRAULICS (88) - ACCESSORIES
home
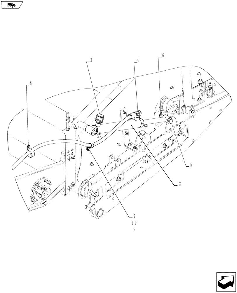
6
8
9
10
2
4
5
7
3
FIT
1:1
100%

Артикул

Название

Примечание

Количество

1

84268018

DIA KIT, HARVESTER

In Cab Hydraulic Flotation

1шт.

Refer to Installation Instructions for Correct Assembly Procedure.

1шт.

Kit Includes Parts Shown in Figures 88.035.01 01, 88.035.01 02, 88.035.01 03 & 88.035.01 04

1шт.

2

47582908

HYDRAULIC CYLINDER

2шт.

2

84162962R

REMAN-HYD CYLINDER

3016 PICKUP HEADER (6/10-), Reman for New PN 47582908

2шт.

2

84162962C

CORE-HYD CYLINDER

Return Number

2шт.

3

84192870

BREATHER

Includes: Ref. 11

2шт.

4

9840543

90 ELBOW,90 Degree, 11/16"-16 x 9/16"-18 Adj, ORFS

2шт.

5

84292043

HEADED PIN,15.88mm OD x 82.55mm L

2шт.

6

130011

COTTER PIN,M5 x 40

2шт.

7

16043224

BOLT,Hex, M8 x 16mm, Cl 8.8

2шт.

8

86637998

CLAMP,38.1mm, Coat, 10.3mm Bolt Hole, P Type

1шт.

9

87029955

CLAMP,22.2mm, Coat, 10.3mm Bolt Hole, P Type

2шт.

10

322358

BELLEVILLE WASHER,M8 Bolt Size x 18mm OD x 1.4mm Thk

4шт.

11

9617873

O-RING,0.078" Thk x 0.468" ID, -906, Cl 6, 90 Duro

2шт.

Not Illustrated

1шт.

Выбрано товаров: 16