Запчасти Case IH PU3F0 (15) - DRIVE, PU3FO (58) - ATTACHMENTS/HEADERS

Схема запчастей Case IH PU3F0 - (15) - DRIVE, PU3FO (58) - ATTACHMENTS/HEADERS
16
4
38
27
7
52
36
22
41
56
4
6
40
5
18
1
53
17
54
22
42
11
15
26
56
12
10
25
9
39
5
37
35
3
2
18
20
14
14
15
30
16
55
54
3
21
55
17
FIT
1:1
100%

Артикул

Название

Примечание

Количество

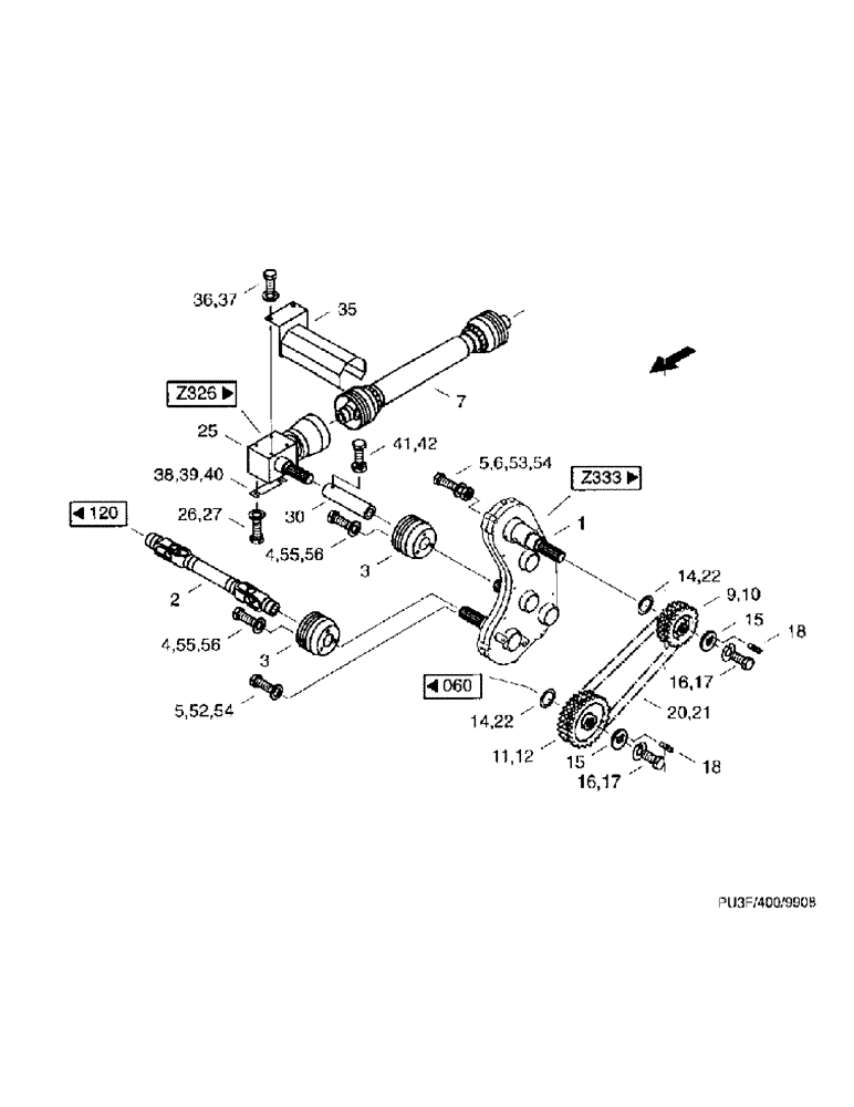
1

00128449

TRANSMISSION

BOX ASSY., PU 3000 STG 046-01

1шт.

2

03123580

SHORT SHAFT

DRIVE universal, W 2300-SC15 F5/1L 104899 WS

1шт.

3

02127754

GUARD

POT

2шт.

4

614-8016

BOLT,Hex, M8 x 1.25 x 16mm, Cl 8.8, Full Thd

3шт.

5

06577011

PLATE, LOCKING

WASHER, M12

3шт.

6

100038

NUT,M12 x 1.75, Cl 8

1шт.

7

03005545

COUPLING

SHAFT universal drive, LZ=560 LB=600...760

1шт.

9

03128453

SPROCKET

Z=15

1шт.

10

03128454

SPROCKET

Z=18

1шт.

11

03128455

SPROCKET

Z=20

1шт.

12

02128452

SPROCKET

Z=25

1шт.

14

06655026

WASHER

thrust, S45 x 55 DIN988

2шт.

15

04086158

WASHER

2шт.

16

614-12025

BOLT,Hex, M12 x 1.75 x 25mm, Cl 8.8, Full Thd

2шт.

17

97027870

PLATE, LOCKING

13 DIN432 ST

2шт.

18

97028417

DOWEL

PIN, 6 x 16 DIN1471 ST

2шт.

20

98047164

CHAIN (AG)

TWIN, 16B-2 x 57S DIN8187

1шт.

21

98023077

OFFSET LINK

CHAIN, L 16B-2 MIT SPLINT

2шт.

22

06608831

SHIM

45 x 55 x 1 DIN988

2шт.

25

02818555

DRIVE, ANGLE

GT-40LA-1.35:1

1шт.

26

614-12035

BOLT,Hex, M12 x 1.75 x 35mm, Cl 8.8, Full Thd

4шт.

27

06562038

WASHER

13 DIN7349 ST

4шт.

30

31220636

BUSHING

1шт.

35

36239930

GUARD

HOOD

1шт.

36

614-12020

BOLT,Hex, M12 x 1.75 x 20mm, Cl 8.8, Full Thd

2шт.

37

06577077

PLATE, LOCKING

WASHER, M12

2шт.

38

36258677

LINING

SHIM 1

2шт.

39

36258685

LINING

SHIM 2

2шт.

40

36258693

LINING

SHIM 3

2шт.

41

614-8022

BOLT,Hex, M8 x 1.25 x 22mm, Cl 8.8, Full Thd

2шт.

42

825-1408

NUT,M8, Cl 8

2шт.

52

614-12030

BOLT,Hex, M12 x 1.75 x 30mm, Cl 8.8, Full Thd

2шт.

53

814-12075

BOLT,Hex, M12 x 1.75 x 75mm, Cl 8.8

hex, M12 x 75 ISO4014 8.8

1шт.

54

895-11012

WASHER,13.5mm ID x 24mm OD x 2.5mm Thk

3шт.

55

895-25008

WASHER,9mm ID x 24mm OD x 2mm Thk

8.4 DIN9021 140HV

3шт.

56

06577028

SPECIAL WASHER

M8

3шт.

Выбрано товаров: 36