Запчасти Case IH PU3F0 (26) - CENTER GEAR (58) - ATTACHMENTS/HEADERS

Схема запчастей Case IH PU3F0 - (26) - CENTER GEAR (58) - ATTACHMENTS/HEADERS
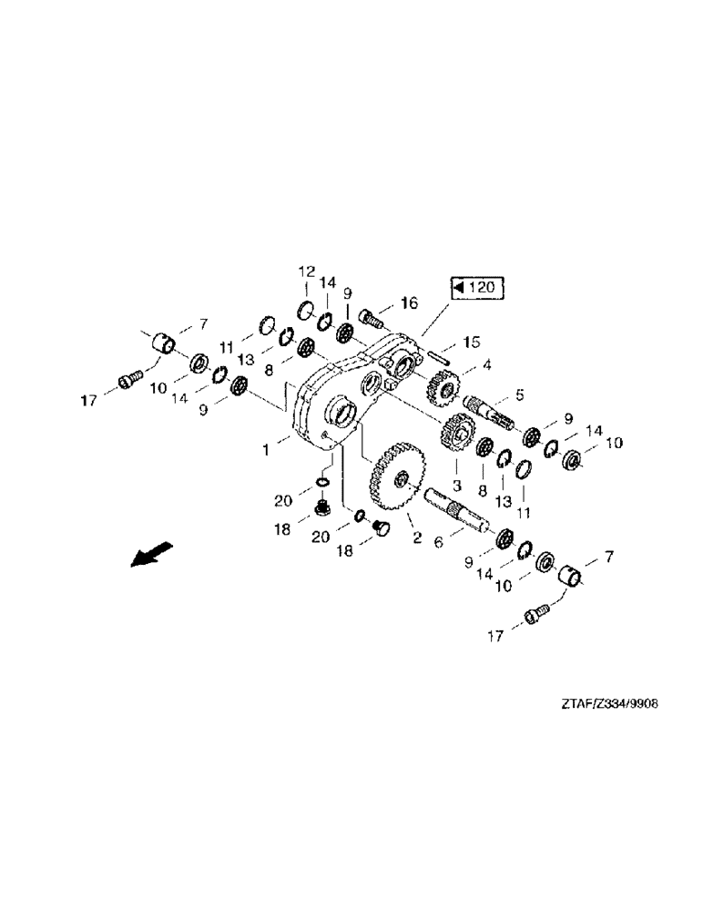
17
17
14
15
9
9
14
16
18
1
10
11
20
18
7
2
14
7
4
5
10
13
13
9
8
10
6
14
3
20
11
12
9
8
FIT
1:1
100%

Артикул

Название

Примечание

Количество

1

09128005

HOUSING

Kpl.

1шт.

2

03109919

GEAR

WHEEL, Z=50 M=5.0 N. ZEICHN. ST

1шт.

3

03109920

PINION

WHEEL intermediate, Z=25 M=5.0 ST

1шт.

4

03109921

GEAR

WHEEL Z=25 M=5.0 ST

1шт.

5

03109923

SHAFT

ST

1шт.

6

03109922

SHAFT

ST

1шт.

7

04128551

GUARD

STG, 047-01 /008

2шт.

8

97060307

BEARING

BALL grooved, 6207 DIN625

2шт.

9

97060309

BEARING

BALL grooved, 6209 DIN625

4шт.

10

97042174

SEAL

SHAFT, A45 x 85 x10 DIN3760

3шт.

11

97024031

VANEUM GAUGE

COVER 72 DIN442 UST

2шт.

12

97024035

VANEUM GAUGE

COVER 85 DIN442 UST

1шт.

13

800-2172

SNAP RING

72 x 2.5 FST, DIN472, FST

2шт.

14

06453291

CIRCLIP

85 x 3/FST DIN472

4шт.

15

97027312

PIN

plain 10M6x50 DIN7

2шт.

16

97007823

SCREW

cheese head, M12 x 50/8.8 DIN912

9шт.

17

06008110

SCREW

cheese head, M3 x 10 DIN84 4.8

8шт.

18

97014849

VANEUM GAUGE

SCREW closing, M16 x 1.5 DIN908 5.8

2шт.

20

97043661

GASKET

A16 x 22 x 1.5 DIN7603-CU

2шт.

Выбрано товаров: 19