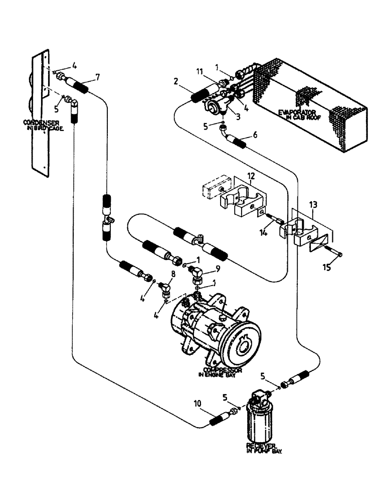
Запчасти Case IH 7000 (B06-37) - HYDRAULIC CIRCUIT, AIR CONDITIONER Hydraulic Components & Circuits

Схема запчастей Case IH 7000 - (B06-37) - HYDRAULIC CIRCUIT, AIR CONDITIONER Hydraulic Components & Circuits
2
5
5
1
1
10
4
3
9
4
5
14
4
13
12
5
8
7
15
1
6
11
4
FIT
1:1
100%

Артикул

Название

Примечание

Количество

1

00181115

O-RING

3шт.

2

87244042

HOSE

1шт.

3

00181699

AIR CONDITIONER

VALVE

1шт.

4

00181114

O-RING

4шт.

5

00181089

O-RING

4шт.

6

87244039

HOSE

1шт.

7

87243308

HOSE

1шт.

8

00409297

ELBOW

1шт.

9

00409298

ELBOW

1шт.

10

87242711

HOSE

1шт.

11

00181708

O-RING

1шт.

12

00409579

CLAMP

2шт.

13

00409581

CLAMP

2шт.

14

00405236

BOLT

2шт.

15

FA108045

BOLT

2шт.

Выбрано товаров: 15