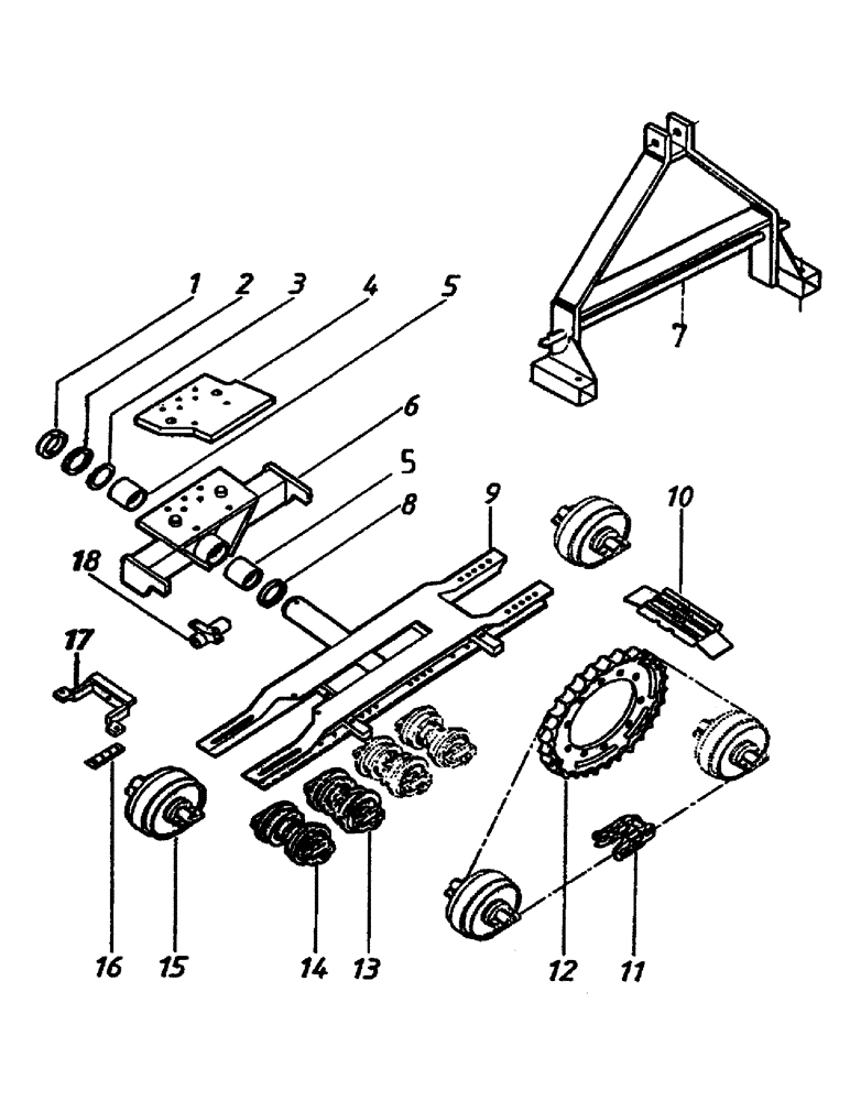
Запчасти Case IH 7000 (A10-07) - HALF TRACK KIT, 7000 Mainframe & Functioning Components

Схема запчастей Case IH 7000 - (A10-07) - HALF TRACK KIT, 7000 Mainframe & Functioning Components
15
17
3
2
4
11
14
1
13
16
6
18
7
5
10
8
12
5
9
FIT
1:1
100%

Артикул

Название

Примечание

Количество

1

86663400

RETAINER

2шт.

1

00607097

BOLT

2шт.

1

00606001

LOCK NUT

NUT

2шт.

2

86663200

SPACER [10mm]

6шт.

3

86663100

SPACER [5mm]

4шт.

4

87213521

MOUNTING PARTS

PLATE

2шт.

4

00607923

BOLT

14шт.

4

00605835

WASHER

14шт.

5

86657100

BUSHING

BUSH

4шт.

6

87213523

BRACKET

MOUNT [LH]

1шт.

6

87213524

MOUNTING PARTS

MOUNT [RH]

1шт.

7

86662000

FRAME [Lift]

1шт.

8

86663300

SPACER [20mm]

2шт.

9

86652200

FRAME [LH]

1шт.

9

86652300

FRAME [RH]

1шт.

10

86660200

ASSEMBLY

GROUSER

56шт.

10

00608195

BOLT

224шт.

10

00131437

NUT

224шт.

11

00180743

CHAIN

2шт.

11

LINK [LH]

1шт.

Refer To Page A10-06-A

1шт.

11

LINK [RH]

1шт.

Refer To Page A10-06-A

1шт.

12

87219997

SPROCKET ASSY.

SPROCKET [B40 Hub]

2шт.

13

TRACK ROLLER [Double]

1шт.

Refer To Page A10-03-A

1шт.

13

00601621

BOLT

16шт.

13

00608177

WASHER

32шт.

13

00605804

NUT

16шт.

14

TRACK ROLLER [Single]

1шт.

Refer To Page A10-03-A

1шт.

14

00601621

BOLT

16шт.

14

00608177

WASHER

32шт.

14

00605804

NUT

16шт.

15

86665600

IDLER

4шт.

15

00601621

BOLT

16шт.

15

81838300

WASHER

16шт.

15

00605804

NUT

8шт.

16

86663800

PLATE

CLAMP

4шт.

17

86645200

YOKE

2шт.

17

00601621

BOLT

4шт.

17

00605804

NUT

4шт.

18

86665400

CYLINDER

[LH]

1шт.

18

86665300

CYLINDER

[RH]

1шт.

18

00601524

BOLT

4шт.

18

00605831

WASHER

4шт.

18

00605798

NUT

4шт.

19

87213533

KIT

HALF TRACK KIT [B40 Hub]

1шт.

Выбрано товаров: 48