Запчасти Case IH 7000 (B02-80) - HYDRAULICS, MOTOR, RIGHT HAND REAR WHEEL, 7000 Hydraulic Components & Circuits

Схема запчастей Case IH 7000 - (B02-80) - HYDRAULICS, MOTOR, RIGHT HAND REAR WHEEL, 7000 Hydraulic Components & Circuits
7
4
20
25
15
19
11
12
10
17
20
23
32
3
24
38
1
6
30
21
34
29
31
33
2
34
5
26
34
18
16
13
14
9
27
36
8
22
35
33
20
28
33
36
37
FIT
1:1
100%

Артикул

Название

Примечание

Количество

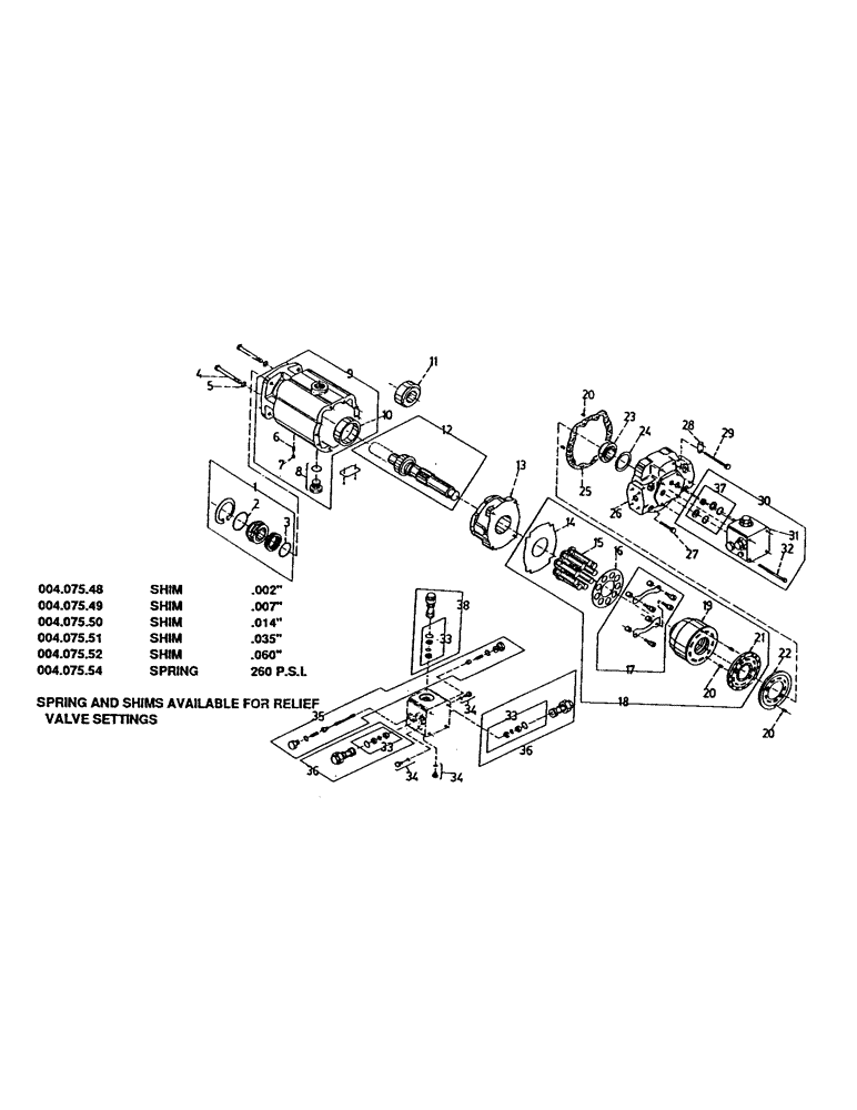
00407548

SHIM

.002"

1шт.

00407549

SHIM

.007"

1шт.

00407550

SHIM

.014"

1шт.

00407551

SHIM

.035"

1шт.

00407552

SHIM

.060"

1шт.

00407554

SPRING

260 P.S.I.

1шт.

1

00407127

SEAL

KIT - seal

1шт.

2

00407128

O-RING

1шт.

3

00407129

O-RING

1шт.

4

00407164

SCREW

2шт.

5

00407165

WASHER

2шт.

6

00407131

DOWEL

1шт.

7

00407132

PLUG

1шт.

8

00407135

PLUG

O-RING/PLUG

1шт.

9

00407167

WEAR PLATE

HOUSING

1шт.

10

00407168

BEARING, CUP

BEARING-CUP

1шт.

11

00407170

BEARING SET

KIT-BEARING

1шт.

12

00407169

SHAFT

1шт.

13

00407171

WEAR PLATE

PLATE-SWASH

1шт.

14

00407172

WEAR PLATE

PLATE

1шт.

15

00407174

PISTON

9шт.

16

00407175

SLIPPER

/PLT

1шт.

17

00407176

HYD PUMP REPAIR KIT

KIT-HOLD/DWN

1шт.

18

00407173

FIP KIT

KIT-ROT/GRP

1шт.

19

00407177

CYLINDER

KIT-BARREL

1шт.

20

00407134

DOWEL

5шт.

21

00407178

PLATE

-BRG

1шт.

22

00407179

HYDRAULIC MOTOR

PLATE-MOTOR

1шт.

23

00407181

COVER

KIT-BEARING

1шт.

24

00407182

SHIM KIT

SHIM-PACK

1шт.

25

00407180

GASKET

1шт.

26

00407183

HYDRAULIC MOTOR

COVER

1шт.

27

00407186

BOLT

2шт.

28

00407184

STRAP

2шт.

29

00407185

BOLT

6шт.

30

00407187

PUMP, HYDROSTATIC

KIT-BLOCK

1шт.

31

00407188

PUMP, HYDROSTATIC

VALVE-BLOCK

1шт.

32

00407158

BOLT

4шт.

33

00407161

SEAL KIT

SEAL-KIT

3шт.

34

00407163

PLUG

O-RING/PLUG

3шт.

35

00407162

HYDRAULIC VALVE

SHUTTLE-KIT

1шт.

36

00407189

VALVE, PRESSURE RELI

HPRV S/A

2шт.

37

00407157

SEAL KIT

SEAL-KIT

2шт.

38

00407159

HYDRAULIC VALVE

LPRV S/A

1шт.

39

00407190

SEAL

/OH-KIT

1шт.

40

00407081

HYDRAULIC MOTOR

MOTOR-ASSY

1шт.

Выбрано товаров: 46