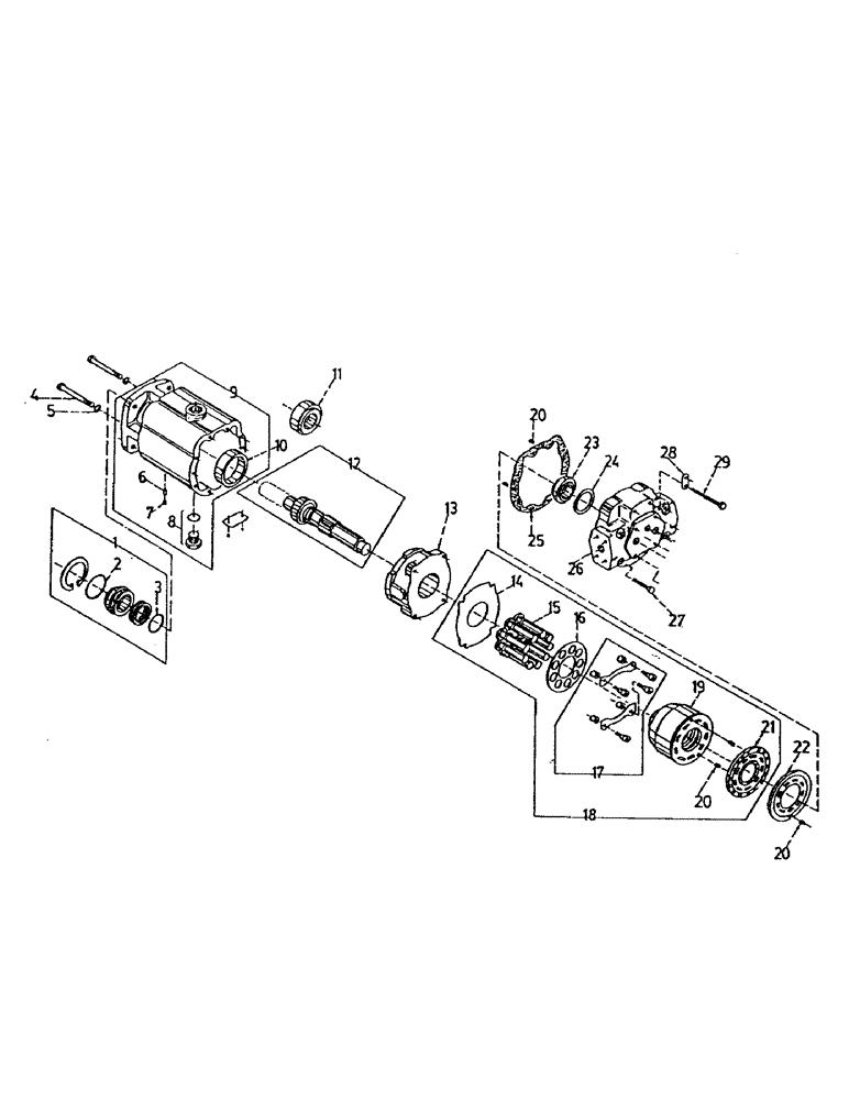
Запчасти Case IH 7000 (B02-81) - HYDRAULICS, MOTOR, LEFT HAND REAR WHEEL, 7000 Hydraulic Components & Circuits

Схема запчастей Case IH 7000 - (B02-81) - HYDRAULICS, MOTOR, LEFT HAND REAR WHEEL, 7000 Hydraulic Components & Circuits
14
1
9
20
29
17
25
8
16
20
26
18
24
19
20
22
7
15
27
23
10
21
13
5
2
28
6
4
3
12
11
FIT
1:1
100%

Артикул

Название

Примечание

Количество

1

00407127

SEAL

KIT-SEAL

1шт.

2

00407128

O-RING

1шт.

3

00407129

O-RING

1шт.

4

00407164

SCREW

2шт.

5

00407165

WASHER

2шт.

6

00407131

DOWEL

1шт.

7

00407132

PLUG

1шт.

8

00407135

PLUG

O-RING/PLUG

1шт.

9

00407167

WEAR PLATE

HOUSING

1шт.

10

00407168

BEARING, CUP

BEARING-CUP

1шт.

11

00407170

BEARING SET

KIT-BEARING

1шт.

12

00407169

SHAFT

1шт.

13

00407171

WEAR PLATE

PLATE-SWASH

1шт.

14

00407172

WEAR PLATE

PLATE

1шт.

15

00407174

PISTON

9шт.

16

00407175

SLIPPER

/PLT

1шт.

17

00407176

HYD PUMP REPAIR KIT

KIT-HOLD/DWN

1шт.

18

00407173

FIP KIT

KIT-ROT/GRP

1шт.

19

00407177

CYLINDER

KIT-BARREL

1шт.

20

00407134

DOWEL

PIN

5шт.

21

00407178

PLATE

-BRG

1шт.

22

00407179

HYDRAULIC MOTOR

PLATE-MOTOR

1шт.

23

00407181

COVER

KIT-BEARING

1шт.

24

00407182

SHIM KIT

SHIM-PACK

1шт.

25

00407180

GASKET

1шт.

26

00407183

HYDRAULIC MOTOR

COVER

1шт.

27

00407186

BOLT

2шт.

28

00407184

STRAP

2шт.

29

00407185

BOLT

6шт.

30

00407082

HYDRAULIC MOTOR

MOTOR-ASSY

1шт.

Выбрано товаров: 30