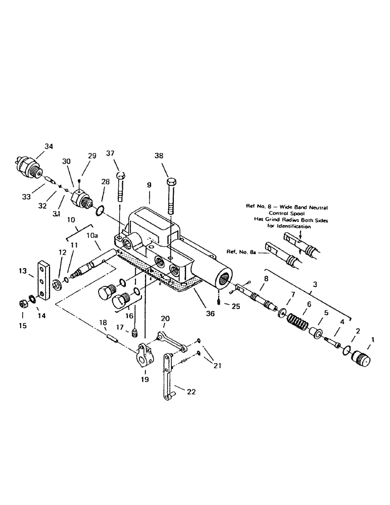
Запчасти Case IH 7000 (B03-03) - HYDRAULICS, PUMP, DISPLACEMENT CONTROL Hydraulic Components & Circuits

Схема запчастей Case IH 7000 - (B03-03) - HYDRAULICS, PUMP, DISPLACEMENT CONTROL Hydraulic Components & Circuits
14
2
22
12
21
32
3
20
9
17
19
36
30
5
33
8
7
6
34
15
16
18
1
10
29
28
37
10a
31
25
13
38
11
4
FIT
1:1
100%

Артикул

Название

Примечание

Количество

1

00407406

SCREW-ADJ

1шт.

2

00407407

O-RING

1шт.

3

00407408

SPOOL

-CTRL

1шт.

4

00407409

SCREW

1шт.

5

00407410

SPRING

RETAINER

1шт.

6

00407411

SPRING

1шт.

7

00407412

SPACER

1шт.

8

00407413

SPOOL

(Ref. 8)

1шт.

8

00407745

SPOOL (Ref. 8a)

1шт.

9

00407414

VALVE, CONTROL

HOUSING

1шт.

10

00407417

SHAFT

-CTRL

1шт.

11

00407419

O-RING

1шт.

12

00407404

SEAL

1шт.

13

00407420

LEVER ASSY.

LEVER

1шт.

14

00407421

LOCKING DEVICE

WASHER

1шт.

15

00407422

NUT

1шт.

16

00407423

PLUG

2шт.

16

00407424

O-RING

2шт.

17

00407555

SCREW

1шт.

18

00407556

PIN

1шт.

19

00407557

CONNECTING LINK

CONNECTOR

1шт.

20

00407558

CONNECTING LINK

LINK

1шт.

21

00407559

RETAINER

RING

2шт.

22

00407561

CONNECTING LINK

LINK

1шт.

25

00407565

SCREW

1шт.

28

00407568

O-RING

1шт.

29

00407569

SCREW

1шт.

30

00407570

SWITCH

ADAPTOR

1шт.

31

00407571

BALL

1шт.

32

00407572

O-RING

1шт.

33

00407573

SPOOL

PIN

1шт.

34

00407405

SWITCH

1шт.

36

00407575

GASKET

1шт.

37

00407577

BOLT

4шт.

38

00407579

BOLT

2шт.

39

00407581

SEAL KIT

SEAL-KIT

1шт.

42

00407418

CONTROL SHAFT

SHAFT CTRL

1шт.

Выбрано товаров: 0