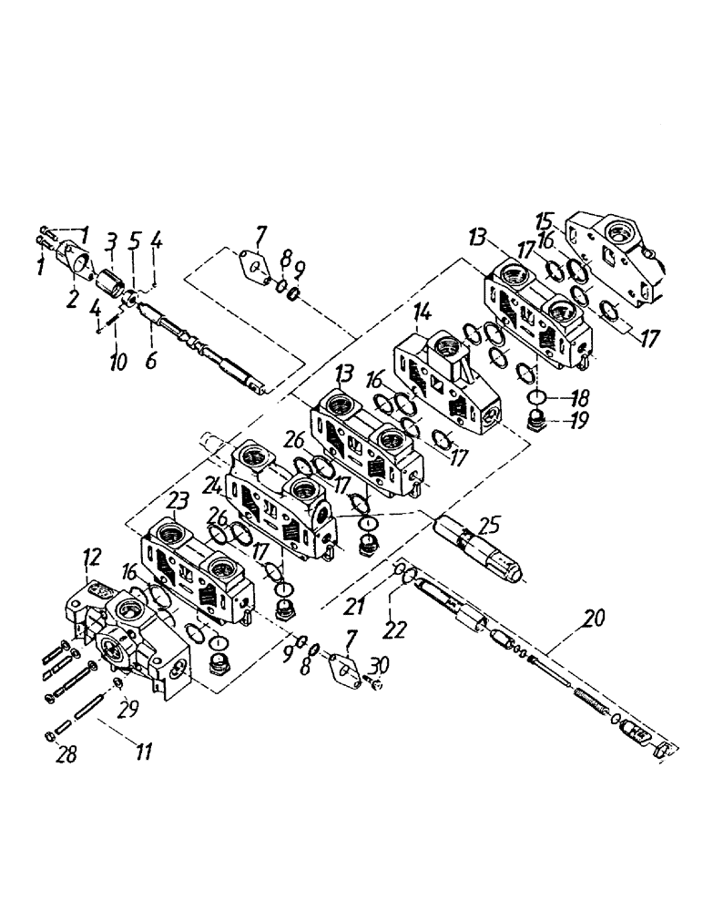
Запчасти Case IH 7000 (B04-10) - HYDRAULICS, VALVE, TOPPER, ELEVATOR & SIDETRIM KNIVES Hydraulic Components & Circuits

Схема запчастей Case IH 7000 - (B04-10) - HYDRAULICS, VALVE, TOPPER, ELEVATOR & SIDETRIM KNIVES Hydraulic Components & Circuits
12
14
25
4
16
10
21
17
8
29
1
6
13
19
17
23
5
13
2
16
16
9
3
7
20
9
30
4
17
24
11
17
7
8
15
28
26
22
18
1
17
26
FIT
1:1
100%

Артикул

Название

Примечание

Количество

1

00400483

SCREW

8шт.

2

00400474

CAP

SPRING

4шт.

3

00400489

SLEEVE

(Detent)

4шт.

4

00400488

BALL

8шт.

5

00400486

RETAINER

4шт.

6

SPOOL NOT SOLD

4шт.

7

00400479

PLATE

RETAINER

12шт.

8

00407425

CROWN WHEEL

RING

8шт.

9

00400477

SEAL

QUAD RING

4шт.

10

00400487

SPRING

4шт.

11

00407650

STUD

4шт.

12

00400490

HOUSING

1шт.

13

00407641

HOUSING

AND SPOOL

2шт.

14

00407642

HOUSING

1шт.

15

00407426

VALVE BODY

HOUSING

1шт.

16

00400443

O-RING

4шт.

17

00400484

O-RING

16шт.

18

00403375

O-RING

4шт.

19

00407126

CAP

4шт.

20

00400471

VALVE PRESSURE RELIE

VALVE

2шт.

21

00407432

O-RING

2шт.

22

00403724

GASKET

WASHER

2шт.

23

00402940

HYDRAULIC VALVE

HOUSING AND SPOOL

1шт.

24

00407077

HOUSING

AND SPOOL

1шт.

25

00407656

VALVE PRESSURE RELIE

VALVE

2шт.

26

00403375

O-RING

2шт.

28

00407653

NUT

4шт.

29

00407652

WASHER

4шт.

30

00407433

SCREW

8шт.

31

00407243

SEAL KIT

1шт.

35

00407076

PUMP, HYDROSTATIC

ASSEMBLY

1шт.

Выбрано товаров: 31