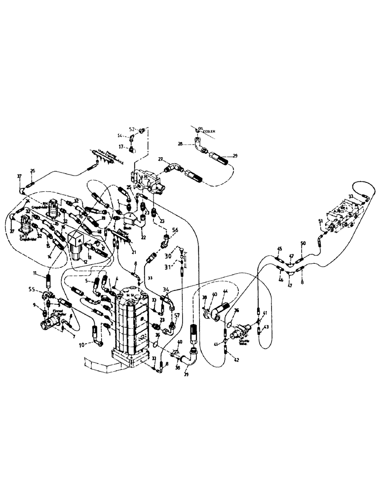
Запчасти Case IH 7000 (B05-20) - HYDRAULICS, CIRCUIT, BASECUTTER W/O POWER KNOCKDOWN Hydraulic Components & Circuits

Схема запчастей Case IH 7000 - (B05-20) - HYDRAULICS, CIRCUIT, BASECUTTER W/O POWER KNOCKDOWN Hydraulic Components & Circuits
45
9
33
18
17
7
37
10
38
14
33
50
16
32
54
47
46
28
23
5
23
30
43
36
4
42
32
38
44
27
24
15
33
21
9
26
2
22
19
34
13
8
1
51
32
40
15
8
56
47
57
32
8
1
8
12
25
37
33
29
40
1
41
31
52
1
23
36
55
11
41
17
39
1
FIT
1:1
100%

Артикул

Название

Примечание

Количество

1

00400231

HYD CONNECTOR

NIPPLE

6шт.

2

00400230

HYD CONNECTOR

NIPPLE

1шт.

3

87214854

TEE

1шт.

4

00400095

PLUG

1шт.

5

87214855

SPARE PART

HOSE

1шт.

6

86308586

HOSE ASSY.

HOSE

1шт.

7

00402235

HYD CONNECTOR

NIPPLE

1шт.

8

86327400

HOSE ASSY.

HOSE

4шт.

9

00400233

HYD CONNECTOR

NIPPLE

2шт.

10

86330200

HOSE

HYDRAULIC HOSE

1шт.

11

87175100

SPARE PART

HOSE

1шт.

12

VALVE (Refer Page B04-41)

1шт.

13

87172100

TEE

1шт.

14

82758100

HOSE

1шт.

15

87219791

HYD CONNECTOR

ADAPTOR

4шт.

16

87216755

HOSE

1шт.

17

00405498

SCREW ON COUPLING

TEST POINT

2шт.

18

87219797

HOSE

HYDRAULIC HOSE

1шт.

19

82744600

HOSE

1шт.

21

87165800

MANIFOLD

1шт.

22

87217564

FRAME

Y BLOCK

1шт.

23

00400234

HYD CONNECTOR

NIPPLE

6шт.

24

83129300

HOSE

1шт.

25

00400162

HYD CONNECTOR

NIPPLE

1шт.

26

86327700

HYDRAULIC HOSE

1шт.

27

00400247

ELBOW

1шт.

28

87005200

HYD CONNECTOR,1.50" OD

BEND

1шт.

29

86303592

SPARE PART

HOSE

1шт.

30

00131655

BREATHER

1шт.

31

00400160

HYD CONNECTOR

NIPPLE

1шт.

32

00400229

HYD CONNECTOR

NIPPLE

4шт.

33

00400223

HYD CONNECTOR

NIPPLE

4шт.

34

86306685

HOSE

1шт.

36

00100103

O-RING

2шт.

37

00405242

HYD CONNECTOR

ELBOW

2шт.

38

00604535

SCREW

8шт.

39

87217595

ANGLE

BEND

1шт.

40

00400152

SPECIAL CLAMP

CLAMP

2шт.

41

00403925

TEE

2шт.

42

87221423

HOSE

1шт.

43

87221452

HOSE

1шт.

44

87221282

HOSE

HYDRAULIC HOSE

1шт.

45

87221450

HOSE

1шт.

46

87221421

HYDRAULIC HOSE

1шт.

47

00404781

HYD CONNECTOR

ELBOW (Bulk Head)

2шт.

50

82743000

HOSE

1шт.

51

87213353

RESTRICTOR

1шт.

52

82852600

PLUG

1шт.

53

86308614

HOSE

HYDRAULIC HOSE

1шт.

54

00407546

ADAPTER

ELBOW

1шт.

55

00407045

HYD CONNECTOR

ELBOW

1шт.

56

00407240

HYD CONNECTOR

ELBOW

1шт.

57

87220681

ANGLE

BEND

1шт.

Выбрано товаров: 53