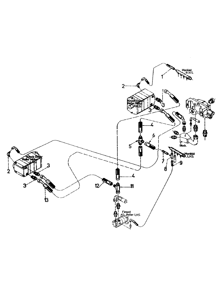
Запчасти Case IH 7000 (B05-25) - HYDRAULICS, CIRCUIT, POWER KNOCKDOWN ROLLER Hydraulic Components & Circuits

Схема запчастей Case IH 7000 - (B05-25) - HYDRAULICS, CIRCUIT, POWER KNOCKDOWN ROLLER Hydraulic Components & Circuits
8
11
5
12
6
2
3
1
4
2
4
3
3
3
9
13
7
FIT
1:1
100%

Артикул

Название

Примечание

Количество

1

87219146

HOSE,6.35mm ID x 2150mm L, SAE 100R17

1шт.

2

00405242

HYD CONNECTOR

ELBOW

2шт.

3

00400227

HYD CONNECTOR

NIPPLE

4шт.

4

87217618

HOSE,12.7mm ID x 2330mm L, SAE 100R17

2шт.

5

87167700

TEE

1шт.

6

87175100

SPARE PART

HOSE

1шт.

7

87216947

HOSE

1шт.

8

00404677

TEE

1шт.

9

86327400

HOSE ASSY.

HOSE

1шт.

11

87217877

TEE

1шт.

12

86311188

HOSE ASSY.

HOSE

1шт.

13

86307118

HYDRAULIC HOSE

1шт.

Выбрано товаров: 0