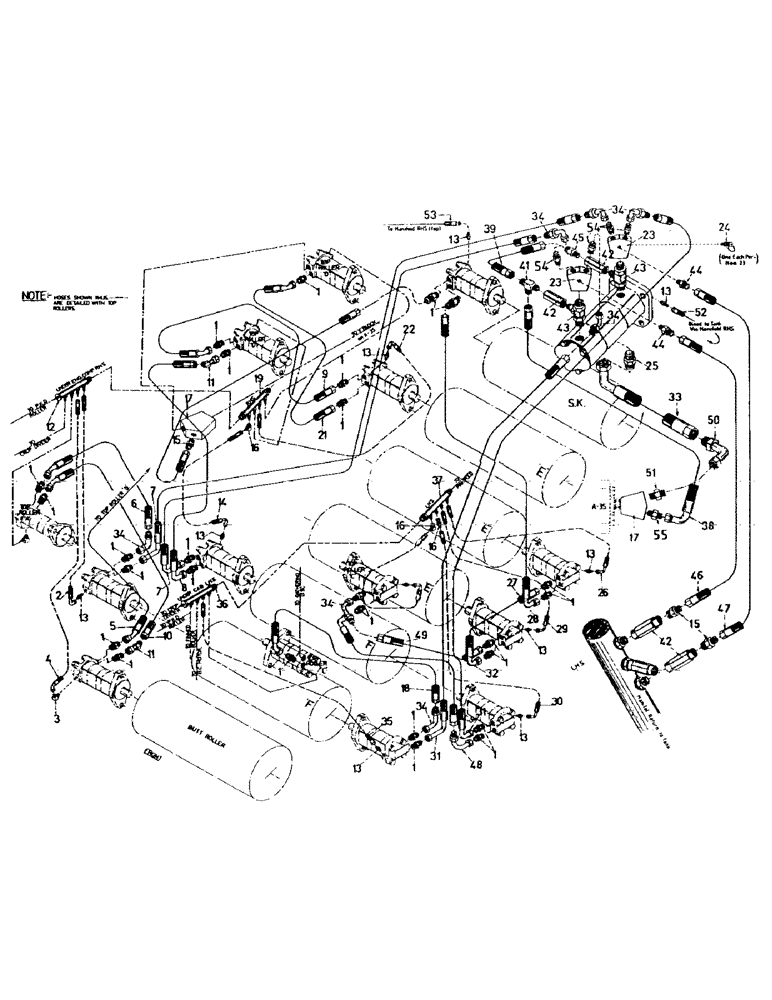
Запчасти Case IH 7000 (B05-37) - HYDRAULICS, CIRCUIT, SWINGING KNIFE BOTTOM ROLLERS Hydraulic Components & Circuits

Схема запчастей Case IH 7000 - (B05-37) - HYDRAULICS, CIRCUIT, SWINGING KNIFE BOTTOM ROLLERS Hydraulic Components & Circuits
18
15
1
34
13
1
1
21
1
17
5
1
33
39
34
7
1
36
35
16
29
34
37
23
46
2
13
1
34
54
34
41
13
1
53
26
19
13
7
55
17
30
23
16
3
13
8
1
11
44
31
12
13
11
15
13
25
13
24
16
1
1
14
52
36
4
28
42
49
47
45
48
42
44
51
1
43
13
1
1
27
6
34
32
10
9
22
54
43
50
FIT
1:1
100%

Артикул

Название

Примечание

Количество

1

00400227

HYD CONNECTOR

NIPPLE

24шт.

2

86327400

HOSE ASSY.

HOSE

1шт.

3

00405242

HYD CONNECTOR

ELBOW

1шт.

4

86302756

HOSE ASSY.

HOSE

1шт.

5

86306403

HOSE

1шт.

6

86310151

HOSE

HYDRAULIC HOSE

1шт.

7

82732800

HOSE

2шт.

8

86314817

HOSE,12.7mm ID x 1070mm L, SAE 100R16

1шт.

9

82757300

HOSE

1шт.

10

87210800

HOSE

1шт.

11

00404511

HYD CONNECTOR

ADAPTOR

2шт.

12

87165700

VENT MANIFOLD

MANIFOLD

1шт.

13

00402235

HYD CONNECTOR

NIPPLE

9шт.

14

86312263

HOSE ASSY.

HOSE

1шт.

15

00401667

HYD CONNECTOR

NIPPLE

7шт.

16

00402879

HYD CONNECTOR

ELBOW

2шт.

17

87227748

JUNCTION BLOCK

Y BLOCK

2шт.

18

87172700

HOSE ASSY.

HOSE

1шт.

19

87165900

VENT MANIFOLD

MANIFOLD

1шт.

21

82757300

HOSE

1шт.

22

82702100

HOSE ASSY.

HOSE

1шт.

23

87227749

JUNCTION BLOCK

Y BLOCK

2шт.

24

00405498

SCREW ON COUPLING

TEST POINT

2шт.

25

00400234

HYD CONNECTOR

NIPPLE

1шт.

26

82712000

HOSE

1шт.

27

86306405

HOSE

1шт.

28

82732800

HOSE

1шт.

29

82704100

HOSE

1шт.

30

82743200

HOSE ASSY.

HOSE

1шт.

31

86303254

HYDRAULIC HOSE

2шт.

32

86310712

HOSE ASSY.

HOSE

1шт.

33

82729600

HOSE

1шт.

34

00407516

HYD CONNECTOR

ADAPTOR

6шт.

35

82759300

HOSE

1шт.

36

87165800

MANIFOLD

1шт.

37

87216599

VENT MANIFOLD

MANIFOLD

1шт.

38

86303242

HOSE

1шт.

39

81678900

HOSE

1шт.

41

87213457

TEE

1шт.

42

CHECK VALVE (Refer Page B04-37)

1шт.

43

87217951

TEE

4шт.

44

00400094

HYD CONNECTOR

NIPPLE

2шт.

45

00401668

HYD CONNECTOR

NIPPLE

2шт.

46

86315170

HOSE ASSY.

HOSE

2шт.

47

86420800

HYDRAULIC HOSE

1шт.

48

86333900

90 ELBOW

ADAPTOR

1шт.

49

87214351

HOSE

1шт.

50

00403944

HYD CONNECTOR

ADAPTOR

1шт.

51

00400232

HYD CONNECTOR

NIPPLE

1шт.

52

86493600

HOSE,6.35mm ID x 1420mm L, SAE 100R17

1шт.

53

82713200

HOSE

1шт.

54

00400230

HYD CONNECTOR

NIPPLE

4шт.

55

00400231

HYD CONNECTOR

NIPPLE

1шт.

Выбрано товаров: 53