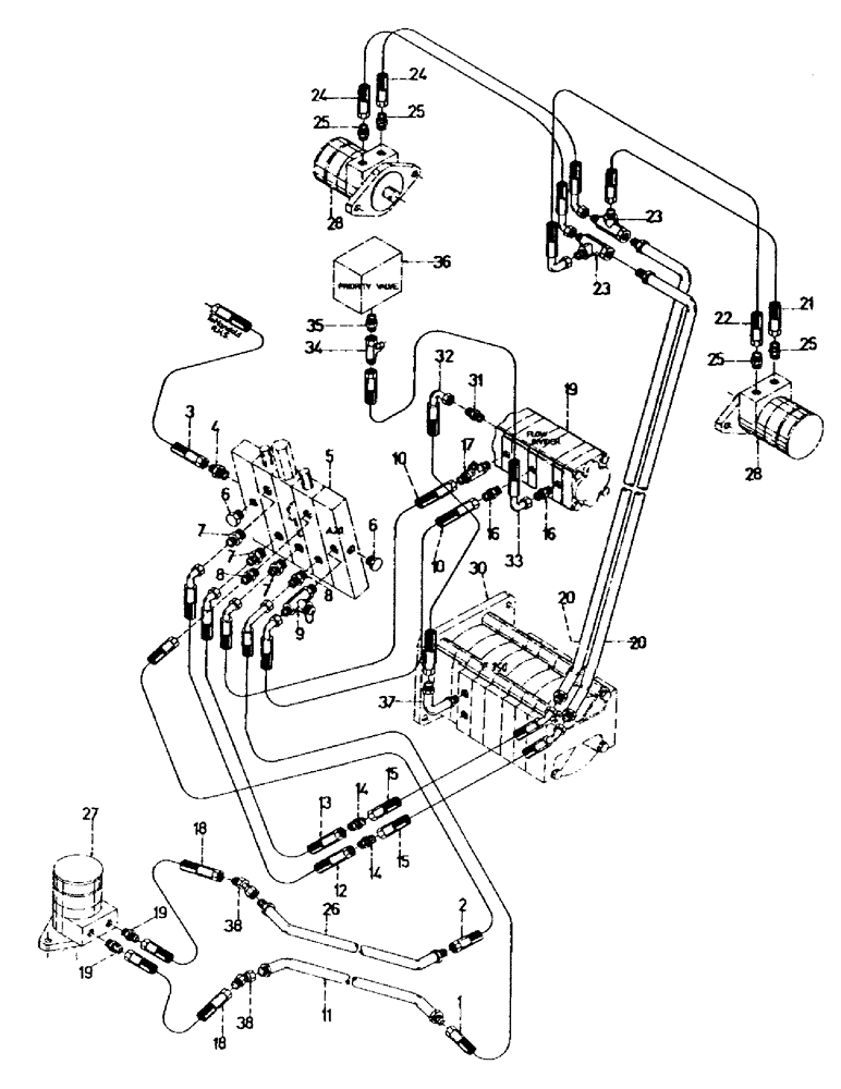
Запчасти Case IH 7000 (B05-45) - HYDRAULICS, CIRCUIT, ELEVATOR & TOPPER Hydraulic Components & Circuits

Схема запчастей Case IH 7000 - (B05-45) - HYDRAULICS, CIRCUIT, ELEVATOR & TOPPER Hydraulic Components & Circuits
24
21
4
6
7
12
28
19
8
6
5
23
14
2
32
18
34
38
14
37
11
30
10
16
33
25
7
31
10
38
26
35
36
19
3
23
16
24
15
25
20
9
22
15
1
18
17
13
19
27
8
25
28
25
20
FIT
1:1
100%

Артикул

Название

Примечание

Количество

1

86329600

HOSE

1шт.

2

82715000

HOSE

1шт.

3

87213346

HOSE

1шт.

4

00400234

HYD CONNECTOR

NIPPLE

1шт.

5

VALVE (Refer Page B04-11)

1шт.

6

00400258

HYD CONNECTOR

PLUG

2шт.

7

00400231

HYD CONNECTOR

NIPPLE

3шт.

8

00400230

HYD CONNECTOR

NIPPLE

2шт.

9

87172100

TEE

1шт.

10

86301016

HOSE

HYDRAULIC HOSE

2шт.

11

86989700

TUBE

1шт.

12

82709000

HOSE

1шт.

13

87033300

HOSE

1шт.

14

00400182

HYD CONNECTOR

NIPPLE

2шт.

15

86493700

HOSE

2шт.

16

00400231

HYD CONNECTOR

NIPPLE

2шт.

17

86314714

TEE

1шт.

18

83126300

HOSE,13.00 mm ID x 1541.00 mm, SAE 100R16

2шт.

19

00400228

HYD CONNECTOR

NIPPLE

2шт.

20

87120900

TUBE

(Extended Elevator)

2шт.

20

86909501

HYD TUBE,1" OD

TUBE (Standard Elevator)

2шт.

20

87223563

RUBBER STRIP

4шт.

20

82029900

BRACKET

CLAMP

4шт.

20

82029700

MOUNTING PARTS

RUBBER STRIP

4шт.

20

00605999

LOCK NUT

NUT

4шт.

21

82757500

HOSE

1шт.

22

86330600

HOSE ASSY.

HOSE

1шт.

23

00404678

TEE

2шт.

24

86330200

HOSE

HYDRAULIC HOSE

2шт.

25

00400229

HYD CONNECTOR

NIPPLE

4шт.

26

87213943

TUBE

1шт.

27

MOTOR (Refer Page B02-42)

1шт.

28

MOTOR (Refer Page B02-17)

1шт.

29

FLOW DIVIDER (Refer Page B04-01)

1шт.

30

PUMP (Refer Page B03-11)

1шт.

31

00400234

HYD CONNECTOR

NIPPLE

2шт.

32

86312059

HYDRAULIC HOSE

1шт.

33

82752100

HOSE

1шт.

34

87217841

TEE

2шт.

36

VALVE (Refer Page B04-47)

1шт.

37

00403944

HYD CONNECTOR

ADAPTOR

1шт.

38

00404511

HYD CONNECTOR

ADAPTOR

2шт.

39

00404119

POINT

TEST POINT

2шт.

40

00405498

SCREW ON COUPLING

TEST POINT

1шт.

41

00407067

HYD CONNECTOR

NIPPLE

1шт.

Выбрано товаров: 0