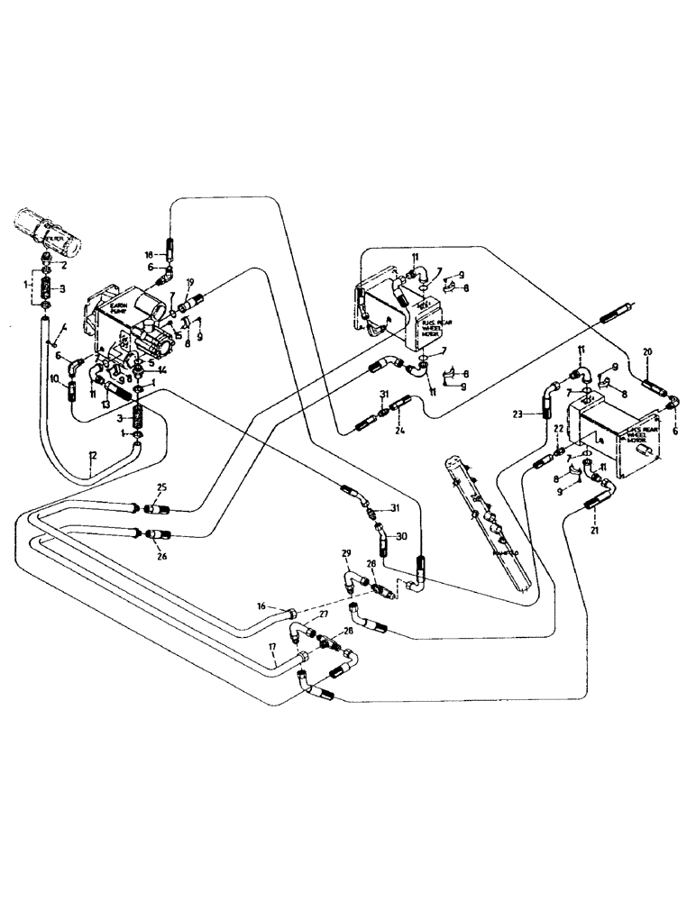
Запчасти Case IH 7000 (B05-73) - HYDRAULICS, CIRCUIT, HYDROSTATIC TRANSMISSION 7000 Hydraulic Components & Circuits

Схема запчастей Case IH 7000 - (B05-73) - HYDRAULICS, CIRCUIT, HYDROSTATIC TRANSMISSION 7000 Hydraulic Components & Circuits
13
11
11
20
8
8
28
11
6
4
19
5
22
6
18
11
14
8
31
9
26
8
16
17
24
9
6
3
7
27
1
9
25
11
7
9
2
15
3
31
30
8
28
10
21
8
1
7
9
12
23
7
7
29
9
1
FIT
1:1
100%

Артикул

Название

Примечание

Количество

1

00152128

HOSE CLAMP

CLIP

4шт.

2

00402123

HYD CONNECTOR

ADAPTOR

1шт.

3

83123200

HOSE

2шт.

4

00400143

HYD CONNECTOR

CAP

1шт.

5

00402131

O-RING

1шт.

6

00400096

HYD CONNECTOR

ELBOW

4шт.

7

00100024

O-RING

6шт.

8

00400151

SPECIAL CLAMP

CLAMP

12шт.

9

00604462

SCREW

SCRW

24шт.

10

87221630

HOSE

HYDRAULIC HOSE

1шт.

11

00403854

HYD CONNECTOR

ADAPTOR

6шт.

12

87220610

FRAME,38.10 mm OD

TUBE

1шт.

13

87214849

HOSE

1шт.

14

87219835

FITTING

ADAPTOR

1шт.

15

00400256

PLUG

1шт.

16

87229241

PIPE

1шт.

17

87229239

TUBE,25.40 mm OD

PIPE

1шт.

18

81675100

HOSE ASSY.,19.05mm ID x 710mm L, SAE 100R17

HOSE

1шт.

19

87229372

HOSE

1шт.

20

82762800

HOSE

1шт.

21

83134500

HOSE

1шт.

22

00400231

HYD CONNECTOR

NIPPLE

1шт.

23

87214270

HOSE

1шт.

24

82714600

HOSE ASSY.

HOSE

1шт.

25

83134500

HOSE

1шт.

26

87214270

HOSE

1шт.

27

87136600

TUBE,25.40 mm OD

1шт.

28

00400215

TEE

2шт.

29

87136500

TUBE,25.40 mm ID

1шт.

30

87033200

HOSE

1шт.

31

00400068

HYD CONNECTOR

NIPPLE

2шт.

Выбрано товаров: 31