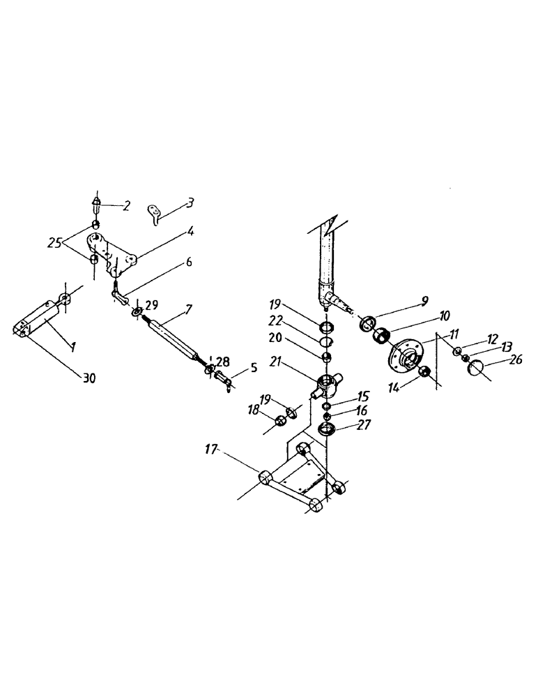
Запчасти Case IH 7000 (A03-02) - MAINFRAME, FRONT SUSPENSION, 7000 Mainframe & Functioning Components

Схема запчастей Case IH 7000 - (A03-02) - MAINFRAME, FRONT SUSPENSION, 7000 Mainframe & Functioning Components
25
21
22
4
27
1
5
14
26
11
19
18
19
30
3
15
13
12
2
7
17
28
20
9
10
29
16
6
FIT
1:1
100%

Артикул

Название

Примечание

Количество

1

CYLINDER (Refer page B01-31)

1шт.

2

00605827

WASHER

4шт.

2

00605808

WASHER

3шт.

2

86758500

PIN,31.75mm OD x 115mm L

1шт.

2

00605795

NUT

3шт.

2

00605827

WASHER

3шт.

2

87215017

HUB

1шт.

2

00605825

WASHER

1шт.

2

00601493

BOLT

1шт.

3

00601495

BOLT

1шт.

3

00605827

WASHER

1шт.

3

PIN (Refer page B01-31)

1шт.

3

00605808

WASHER

1шт.

3

00605998

LOCK NUT

NUT

16шт.

3

00605373

SCREW

BOLT

16шт.

4

86760300

BELLCRANK

1шт.

4

00138722

LUBE NIPPLE

NIPPLE (grease)

2шт.

5

00132506

KIT

END (RH)

2шт.

6

00132505

KIT

END (LH)

2шт.

7

86758400

STEERING TIE-ROD

TIE ROD

2шт.

9

00100795

OIL SEAL

SEAL

2шт.

10

00140734

BEARING

2шт.

11

00607977

WHEEL

NUT

16шт.

11

00607976

VALVE STEM

16шт.

11

87223516

HUB

2шт.

12

87213993

LOCK WASHER

2шт.

13

00607779

PIN

2шт.

13

87217685

CROWN NUT

2шт.

14

00140607

BEARING

2шт.

15

87018800

KIT

WASHER

2шт.

16

00606020

LOCK NUT

NUT

2шт.

17

00605797

NUT

8шт.

17

86758000

STEERING ASSY

WISHBONE (RH)

1шт.

17

00605829

WASHER

8шт.

17

00601511

BOLT

8шт.

17

86983800

STEERING ASSY

WISHBONE (LH)

1шт.

18

00141399

BEARING

8шт.

19

00100712

OIL SEAL

SEAL

10шт.

20

00140263

BALL BEARING

BEARING

4шт.

21

87213990

PIVOT

2шт.

22

CI106800

ASSEMBLY

CIRCLIP

2шт.

24

86753500

HYD TUBE,9.50 mm OD x 560 mm L

TUBE

2шт.

25

00141646

BUSHING

BUSH

2шт.

26

00140982

DUST CAP

COVER

2шт.

27

00140983

DUST CAP

COVER

2шт.

28

00139537

NUT

LOCKNUT (RH)

1шт.

29

00139538

NUT

LOCKNUT (LH)

1шт.

30

PIN (Refer page B01-31)

1шт.

Выбрано товаров: 48