Запчасти Case IH 7000 (B00-01) - HYDRAULICS, CYLINDER, 7000 Hydraulic Components & Circuits

Схема запчастей Case IH 7000 - (B00-01) - HYDRAULICS, CYLINDER, 7000 Hydraulic Components & Circuits
2
3
1
10
13
5
11
9
3
12
4
2
FIT
1:1
100%

Артикул

Название

Примечание

Количество

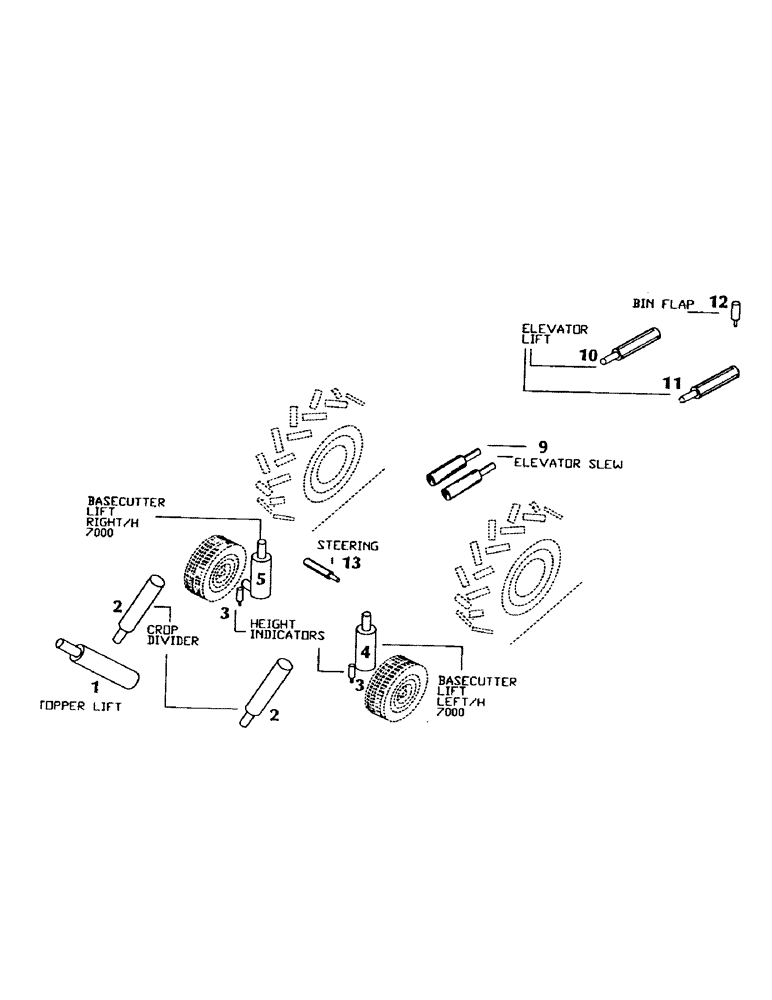
1

CYLINDER (Refer Page B01-01)

1шт.

2

CYLINDER (Refer Page B01-02)

1шт.

2

CYLINDER (Refer Page B01-03)

1шт.

3

CYLINDER (Refer Page B01-20)

1шт.

4

CYLINDER (Refer Page B01-13)

1шт.

5

CYLINDER (Refer Page B01-13)

1шт.

9

CYLINDER (Refer Page B01-41)

1шт.

10

CYLINDER (Refer Page B01-45)

1шт.

11

CYLINDER (Refer Page B01-45)

1шт.

12

CYLINDER (Refer Page B01-50)

1шт.

13

CYLINDER (Refer Page B01-31)

1шт.

Выбрано товаров: 11