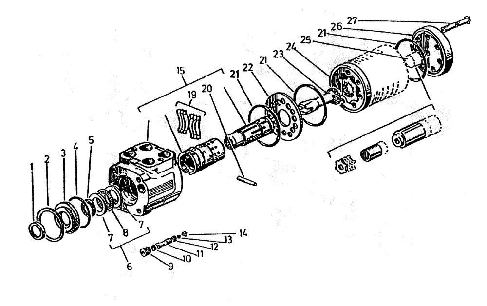
Запчасти Case IH 7000 (B02-45) - HYDRAULIC MOTOR * ORBITROL CHAR-LYNN: 9.7 CU.IN. Hydraulic Components & Circuits

Схема запчастей Case IH 7000 - (B02-45) - HYDRAULIC MOTOR * ORBITROL CHAR-LYNN: 9.7 CU.IN. Hydraulic Components & Circuits
3
15
27
2
9
12
13
10
8
21
20
19
25
4
11
22
6
21
26
24
7
1
7
23
14
21
5
FIT
1:1
100%

Артикул

Название

Примечание

Количество

1

00101384

OIL SEAL

1шт.

2

00404311

RETAINER

RING

1шт.

3

00404312

BUSHING

SEAL

1шт.

4

00404308

SEAL

1шт.

5

00101386

SEAL

1шт.

6

00404313

NEEDLE BEARING

KIT

1шт.

9

00404315

SCREW

SCREW

1шт.

10

00404180

SEAL

1шт.

11

00404316

SEAT

SEAT

1шт.

12

00401008

O-RING

SEAL

1шт.

13

00404317

BALL

BALL

1шт.

14

00404318

RETAINER

RETAINER

1шт.

15

00404727

ASSEMBLY

CONTROL ASSEMBLY

1шт.

19

00101428

SPRING

SPRING

6шт.

20

00101429

PIN

PIN

1шт.

21

00101710

O-RING

SEAL

3шт.

22

00404319

SPACER

1шт.

23

00101615

DRIVE ASSY.

SHAFT

1шт.

24

00407741

GEROTOR

1шт.

25

00403610

SPACER

SPACER

1шт.

26

00404321

CAP

1шт.

27

00101619

CAPSCREW

7шт.

28

00404307

SEAL KIT

1шт.

29

00404480

MOTOR, HYDRAULIC

ASSEMBLY

1шт.

Выбрано товаров: 24