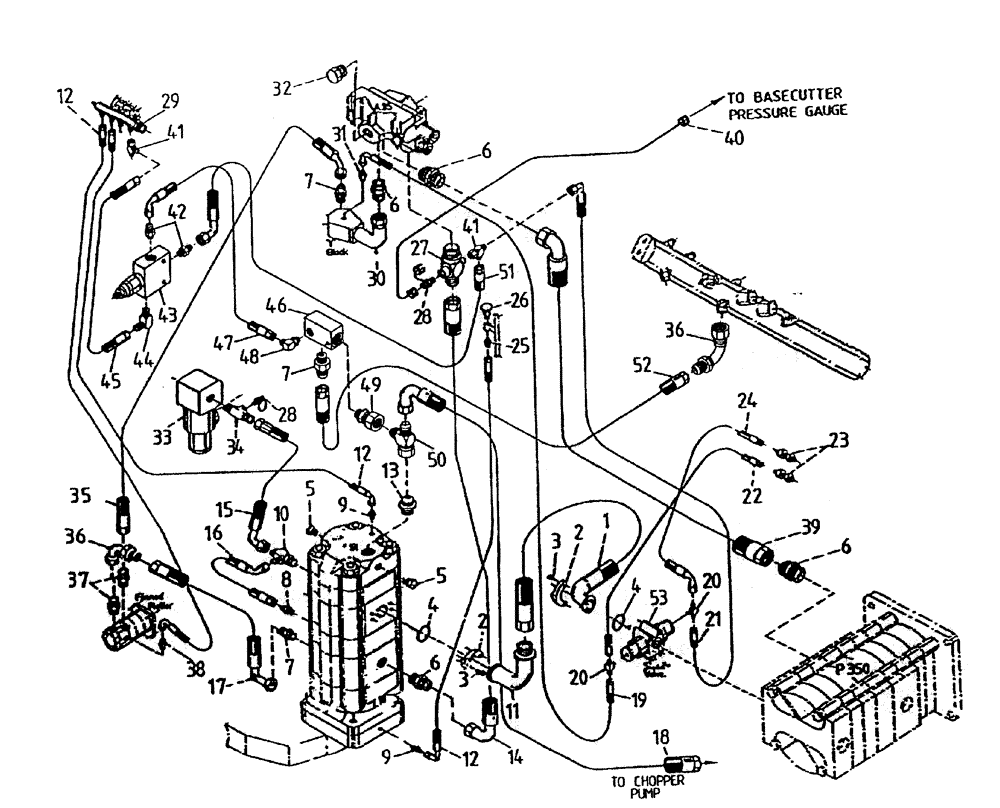
Запчасти Case IH 7000 (B05-40A) - HYDRAULIC CIRCUIT, (FINNED ROLLER - UNDERSLUNG BASECUTTER) Hydraulic Components & Circuits

Схема запчастей Case IH 7000 - (B05-40A) - HYDRAULIC CIRCUIT, (FINNED ROLLER - UNDERSLUNG BASECUTTER) Hydraulic Components & Circuits
27
47
18
6
21
13
20
34
46
8
45
12
9
28
37
36
12
2
5
31
9
29
2
5
1
3
7
28
14
32
19
20
11
51
26
30
16
22
44
50
7
49
53
4
41
52
48
6
38
7
24
43
42
41
15
35
39
40
3
6
33
25
10
4
23
6
17
12
36
FIT
1:1
100%

Артикул

Название

Примечание

Количество

1

87239098

HOSE

1шт.

2

00400152

SPECIAL CLAMP

2шт.

3

00604535

SCREW

8шт.

4

00100103

O-RING

2шт.

5

00400095

PLUG

PLUG

2шт.

6

00400234

HYD CONNECTOR

NIPPLE

4шт.

7

00400231

HYD CONNECTOR

NIPPLE

3шт.

8

00400230

HYD CONNECTOR

NIPPLE

1шт.

9

00400223

HYD CONNECTOR

NIPPLE

2шт.

10

87214854

TEE

TEE

1шт.

11

87234798

HYD CONNECTOR

BEND

1шт.

12

81675700

HOSE

3шт.

13

00400232

HYD CONNECTOR

NIPPLE

1шт.

14

87235467

HOSE

1шт.

15

87214855

SPARE PART

1шт.

16

86308586

HOSE ASSY.

1шт.

17

86311426

HOSE ASSY.

1шт.

18

82733200

HOSE

1шт.

19

87239095

HOSE

1шт.

20

00403925

TEE

2шт.

21

82704900

HOSE,6.35mm ID x 530mm L, SAE 100R17

1шт.

22

87239097

HOSE

1шт.

23

00400070

HYD CONNECTOR

NIPPLE

2шт.

24

86313828

HOSE ASSY.

HOSE

1шт.

25

00400160

HYD CONNECTOR

NIPPLE

1шт.

26

00407924

FILLER CAP

BREATHER

1шт.

27

00408641

TEE

1шт.

28

00405498

SCREW ON COUPLING

TEST POINT

2шт.

29

87165800

MANIFOLD

MANIFOLD

1шт.

30

87227747

ADAPTER

Y BLOCK

1шт.

31

00400093

HYD CONNECTOR

NIPPLE

1шт.

32

00407385

PLUG

1шт.

33

HYDRAULIC RELIEF VALVE (Refer Figure B04-65)

1шт.

34

87172100

TEE

1шт.

35

87175100

SPARE PART

1шт.

36

00407045

HYD CONNECTOR

ELBOW

2шт.

37

00400233

HYD CONNECTOR

NIPPLE

2шт.

38

00402235

HYD CONNECTOR

NIPPLE

1шт.

39

86308614

HOSE

1шт.

40

00408921

HOSE

2шт.

41

00404677

TEE

2шт.

42

00404764

HYD CONNECTOR

NIPPLE

2шт.

43

HYDRAULIC RELIEF VALVE (Refer Figure B04-92)

1шт.

44

00405503

HYD CONNECTOR

ELBOW

1шт.

45

81677600

HOSE,6.35mm ID x 507mm L, SAE 100R17

1шт.

46

HYDRAULIC RELIEF VALVE (Refer Figure B04-95)

1шт.

47

82704900

HOSE,6.35mm ID x 530mm L, SAE 100R17

1шт.

48

00400238

HYD CONNECTOR

ELBOW

1шт.

49

00409149

HYD CONNECTOR

ADAPTOR

1шт.

50

87221699

TEE

1шт.

51

87237159

HOSE

1шт.

52

82750200

HOSE

1шт.

53

HYDRAULIC SHUTTLE VALVE (Refer Figure B04-40)

1шт.

Выбрано товаров: 53