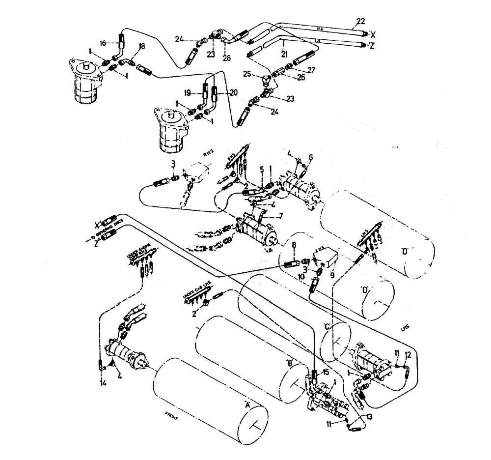
Запчасти Case IH 7000 (B05-60A) - HYDRAULIC CIRCUIT (TOP ROLLERS - ROTARY CHOPPER), SERIAL Hydraulic Components & Circuits

Схема запчастей Case IH 7000 - (B05-60A) - HYDRAULIC CIRCUIT (TOP ROLLERS - ROTARY CHOPPER), SERIAL Hydraulic Components & Circuits
4
1
2
24
1
8
24
1
10
23
20
2
4
4
3
23
26
13
21
27
28
25
3
11
1
12
19
6
1
14
18
22
16
9
1
15
11
5
7
1
FIT
1:1
100%

Артикул

Название

Примечание

Количество

1

00400228

HYD CONNECTOR

NIPPLE

14шт.

2

00402879

HYD CONNECTOR

ELBOW

3шт.

3

00400230

HYD CONNECTOR

NIPPLE

4шт.

4

00405242

HYD CONNECTOR

ELBOW

3шт.

5

86308392

HOSE ASSY.

1шт.

6

82704900

HOSE,6.35mm ID x 530mm L, SAE 100R17

1шт.

7

82712000

HOSE

1шт.

8

86837900

HOSE

HOSE

1шт.

9

87227748

JUNCTION BLOCK

y

2шт.

10

86310712

HOSE ASSY.

1шт.

11

00402235

HYD CONNECTOR

NIPPLE

2шт.

12

82742800

HOSE

1шт.

13

82702100

HOSE ASSY.

1шт.

14

86306891

HOSE ASSY.

HOSE

1шт.

15

87234090

HOSE

1шт.

16

87067300

HOSE

HOSE

1шт.

18

00407516

HYD CONNECTOR

BEND

1шт.

19

87225804

HOSE

1шт.

20

87067400

HOSE ASSY.

1шт.

21

86989700

TUBE

1шт.

22

87213943

TUBE

1шт.

23

00404679

TEE

2шт.

24

00404511

HYD CONNECTOR

ELBOW

2шт.

25

86312389

HYD CONNECTOR

ELBOW

1шт.

26

HYDRAULIC CHECK VALVE (Refer Figure B04-45)

1шт.

27

00400166

HYD CONNECTOR

NIPPLE

1шт.

28

83129700

HOSE

HOSE

1шт.

Выбрано товаров: 27