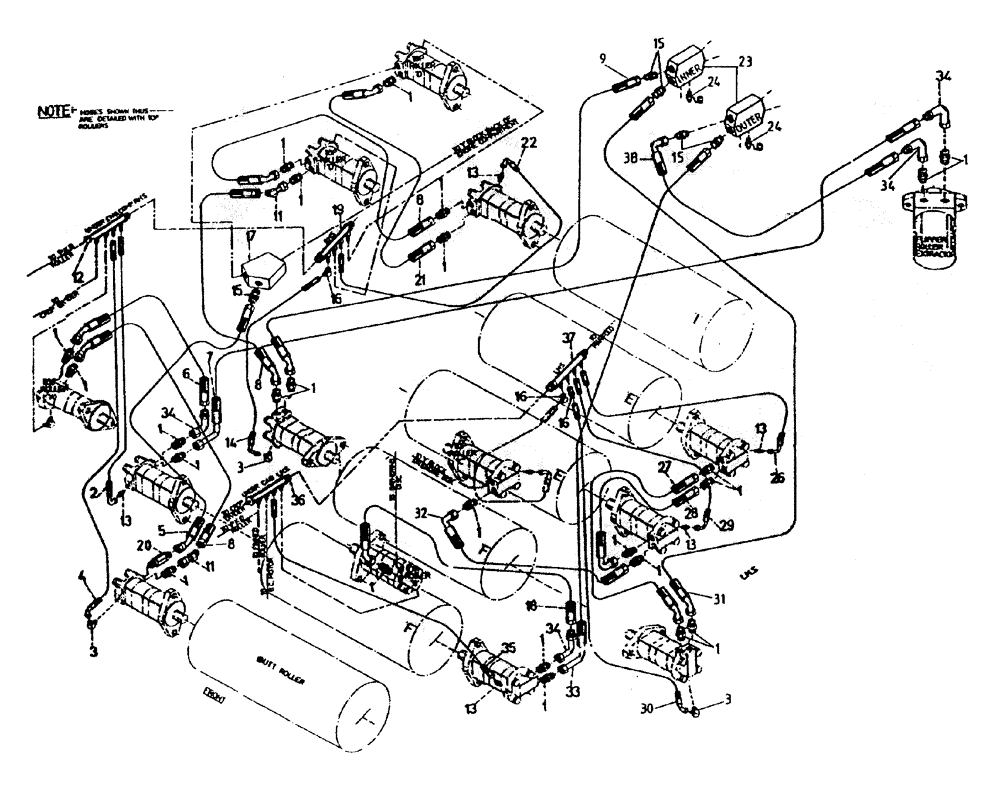
Запчасти Case IH 7000 (B05-65A) - HYDRAULIC CIRCUIT, (BOTTOM ROLLERS - ROTARY Hydraulic Components & Circuits

Схема запчастей Case IH 7000 - (B05-65A) - HYDRAULIC CIRCUIT, (BOTTOM ROLLERS - ROTARY Hydraulic Components & Circuits
1
21
8
19
3
13
5
31
14
15
11
2
13
11
35
1
23
38
1
8
36
1
1
1
1
1
3
3
16
1
9
1
12
1
1
16
20
13
1
7
15
13
29
34
16
34
27
33
15
34
1
24
32
34
1
24
26
6
1
18
28
1
8
13
1
1
37
22
30
17
4
FIT
1:1
100%

Артикул

Название

Примечание

Количество

1

00400228

HYD CONNECTOR

NIPPLE

24шт.

2

86327400

HOSE ASSY.

1шт.

3

00405242

HYD CONNECTOR

ELBOW

3шт.

4

86302756

HOSE ASSY.

1шт.

5

87221473

HOSE

1шт.

6

86310151

HOSE

1шт.

7

87230900

HOSE

HOSE

1шт.

8

87172700

HOSE ASSY.

3шт.

9

87239101

HOSE

HOSE

1шт.

11

00404511

HYD CONNECTOR

ELBOW

1шт.

12

87165700

VENT MANIFOLD

1шт.

13

00402235

HYD CONNECTOR

NIPPLE

5шт.

14

86312263

HOSE ASSY.

1шт.

15

00400230

HYD CONNECTOR

NIPPLE

5шт.

16

00402879

HYD CONNECTOR

ELBOW

3шт.

17

87227748

JUNCTION BLOCK

y

1шт.

18

87210800

HOSE

1шт.

19

87165900

VENT MANIFOLD

1шт.

20

00408012

HYD CONNECTOR

NIPPLE

1шт.

21

87214353

HOSE

HOSE

1шт.

22

82702100

HOSE ASSY.

1шт.

23

87237430

JUNCTION BLOCK

2шт.

24

00405498

SCREW ON COUPLING

TEST POINT

2шт.

26

82712000

HOSE

1шт.

27

86315170

HOSE ASSY.

1шт.

28

86313520

HOSE ASSY.

1шт.

29

82704100

HOSE

1шт.

30

82743200

HOSE ASSY.

1шт.

31

87222413

HYDRAULIC HOSE

1шт.

32

86310712

HOSE ASSY.

1шт.

33

87214345

HOSE

1шт.

34

00407516

HYD CONNECTOR

BEND

4шт.

35

82722400

HOSE

HOSE

1шт.

36

87165800

MANIFOLD

MANIFOLD

1шт.

37

87216599

VENT MANIFOLD

1шт.

38

86309589

HOSE

1шт.

Выбрано товаров: 36