Запчасти Case IH 7000 (C01-31) - FUEL FILTER AND PIPING (KOMATSU) Engine & Engine Attachments

Схема запчастей Case IH 7000 - (C01-31) - FUEL FILTER AND PIPING (KOMATSU) Engine & Engine Attachments
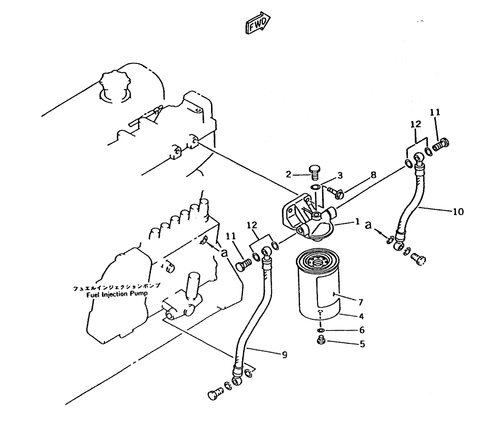
11
9
11
6
7
3
4
2
10
5
12
1
12
8
FIT
1:1
100%

Артикул

Название

Примечание

Количество

1

00139204

FILTER ASSY

1шт.

1

00139205

CYLINDER HEAD

1шт.

2

00139206

PLUG

1шт.

3

00137936

GASKET

1шт.

4

00136947

FUEL FILTER

CARTRIDGE

1шт.

5

00138255

PLUG

1шт.

6

00137929

GASKET

1шт.

7

00138230

PLATE

1шт.

8

00139146

BOLT

2шт.

9

00139207

HOSE

fuel

1шт.

10

00139208

HOSE

fuel

1шт.

11

00137954

BOLT

BOLT JOINT

2шт.

12

00137936

GASKET

4шт.

Выбрано товаров: 13