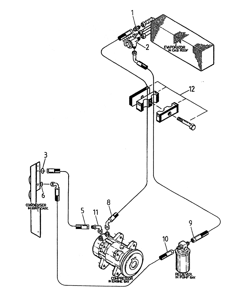
Запчасти Case IH 7000 (B07-25A) - HYDRAULIC CIRCUIT (AIR CONDITIONER), SERIAL #7782 TO 7907 Hydraulic Components & Circuits

Схема запчастей Case IH 7000 - (B07-25A) - HYDRAULIC CIRCUIT (AIR CONDITIONER), SERIAL #7782 TO 7907 Hydraulic Components & Circuits
5
10
1
2
12
3
9
11
8
6
FIT
1:1
100%

Артикул

Название

Примечание

Количество

1

00404567

ADAPTER

NIPPLE

1шт.

2

00137293

AIR CONDITIONER

VALVE

1шт.

3

00100207

O-RING

1шт.

5

87235727

HOSE

(108)

1шт.

5

87235729

HOSE

(6CT/L10)

1шт.

6

00405006

O-RING

O-RING

1шт.

8

87213898

HOSE

1шт.

9

87214654

HOSE

1шт.

10

87235728

HOSE (108)

1шт.

10

87235731

HOSE

(6CT/L10)

1шт.

11

00404332

ELBOW

1шт.

12

00407737

ASSEMBLY

CLAMP

2шт.

Выбрано товаров: 12