Запчасти Case IH 7000 (A01-00A) - CHASSIS, SERIAL #7908 AND ONWARDS Mainframe & Functioning Components

Схема запчастей Case IH 7000 - (A01-00A) - CHASSIS, SERIAL #7908 AND ONWARDS Mainframe & Functioning Components
8
14
24
15
19
27
10
4
6
22
11
16
22
2
23
17
3
7
21
20
26
9
13
12
5
25
21
18
1
23
FIT
1:1
100%

Артикул

Название

Примечание

Количество

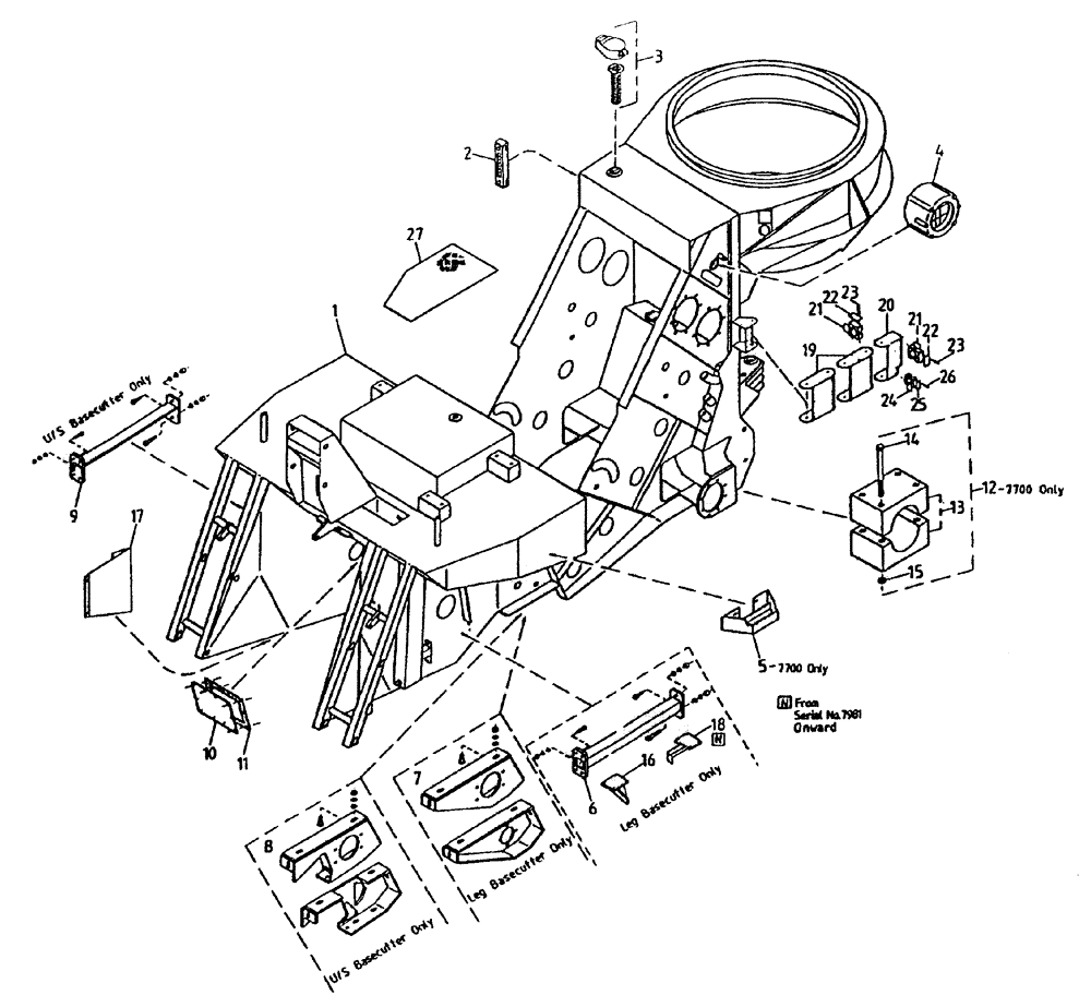
1

87231625

MAINFRAME (7000)

1шт.

1

87231643

CHASSIS

MAINFRAME (7700)

1шт.

2

00101646

LEVEL GAUGE CONTROL

1шт.

3

00404346

FILLER CAP

1шт.

3

FA105020

BOLT,Hex, M5 x 0.8, Gr 8.8

3шт.

4

00136076

LEVEL GAUGE CONTROL

1шт.

87235818

REPAIR KIT

FLOAT SWITCH

1шт.

00180786

FLOAT

FLOAT

1шт.

00180787

GASKET

GASKET

1шт.

00180788

CONTACT

CONTACT ASSY

1шт.

5

87230412

STEP

2шт.

5

FA110025

BOLT

4шт.

6

87232130

STRUT

STIFFENER (LH)

2шт.

7

87232144

CHASSIS

WALL (LH)

1шт.

7

87232145

MOUNTING PARTS

WALL (RH)

1шт.

8

87232146

CHASSIS

WALL (LH)

1шт.

8

87232147

CHASSIS

WALL (RH)

1шт.

9

87231724

STIFFENER

STIFFENER (RH)

1шт.

10

86920900

COVER ASSY

1шт.

10

00605795

NUT

10шт.

11

86920800

GASKET,6mm Thk

1шт.

12

87219217

CLAMP

BLOCK ASSEMBLY

2шт.

13

87219216

BLOCK ASSY.

CLAMP

2шт.

14

00608179

BOLT

8шт.

15

00606004

LOCK NUT

8шт.

16

87231998

SCRAPER

(LH) (Up to and including Serial #7980)

1шт.

16

87231999

SCRAPER

(RH) (Up to and including Serial #7980)

1шт.

17

87231989

GUIDE

cane (LH)

1шт.

17

87231990

GUIDE

cane (RH)

1шт.

18

87238013

SCRAPER

(LH) (Serial #7981 and onwards)

1шт.

18

87238012

SCRAPER

(RH) (Serial #7981 and onwards)

1шт.

19

87234470

CONNECTING LINK

2шт.

19

FA110025

BOLT

6шт.

19

NC110000

NUT

6шт.

20

87234471

CONNECTING LINK

1шт.

21

00408313

CLAMP

6шт.

22

00408315

COVER PLATE

6шт.

23

FA106070

BOLT

12шт.

23

NC106000

LOCK NUT

12шт.

24

00408314

CLAMP

4шт.

25

00408316

COVER PLATE

4шт.

26

FA106060

BOLT

8шт.

26

NC106000

LOCK NUT

8шт.

27

87176600

PLATE

TREAD PLATE (LH)

1шт.

27

87234319

PLATE

TREAD PLATE (RH)

1шт.

Выбрано товаров: 45