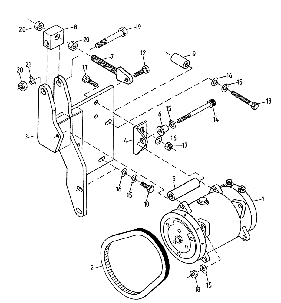
Запчасти Case IH 7000 (A05-90A) - AIR CONDITIONER COMPRESSOR, MOUNT AND BELT, (L10), SERIAL Mainframe & Functioning Components

Схема запчастей Case IH 7000 - (A05-90A) - AIR CONDITIONER COMPRESSOR, MOUNT AND BELT, (L10), SERIAL Mainframe & Functioning Components
3
11
18
15
15
5
15
1
15
8
4
16
20
9
17
20
14
16
12
19
6
10
20
13
21
7
16
2
FIT
1:1
100%

Артикул

Название

Примечание

Количество

1

00137292

COMPRESSOR

1шт.

2

00180628

BELT

V

1шт.

3

87235920

BRACKET

MOUNT

1шт.

4

87235955

LUG

1шт.

5

87235497

BUSHING,10.3mm ID x 25.4mm OD x 83.3mm L

SPACER

1шт.

6

87235498

SPACER

1шт.

7

87237012

ADJUSTMENT SCREW,150mm L

BOLT

1шт.

8

87237015

BLOCK

1шт.

9

87232007

SPACER

1шт.

10

FA110025

BOLT

4шт.

11

FA110030

BOLT

2шт.

12

FA110040

BOLT

1шт.

13

FA110140

BOLT

BOLT

1шт.

15

WB100000

WASHER

8шт.

16

WA100000

WASHER

8шт.

17

NC110000

NUT

2шт.

18

NA110000

NUT

2шт.

19

FA112080

BOLT

1шт.

20

NA116000

NUT

3шт.

21

WB120000

WASHER

1шт.

Выбрано товаров: 20