Запчасти Case IH 7000 (A01-00) - CHASSIS Mainframe & Functioning Components

Схема запчастей Case IH 7000 - (A01-00) - CHASSIS Mainframe & Functioning Components
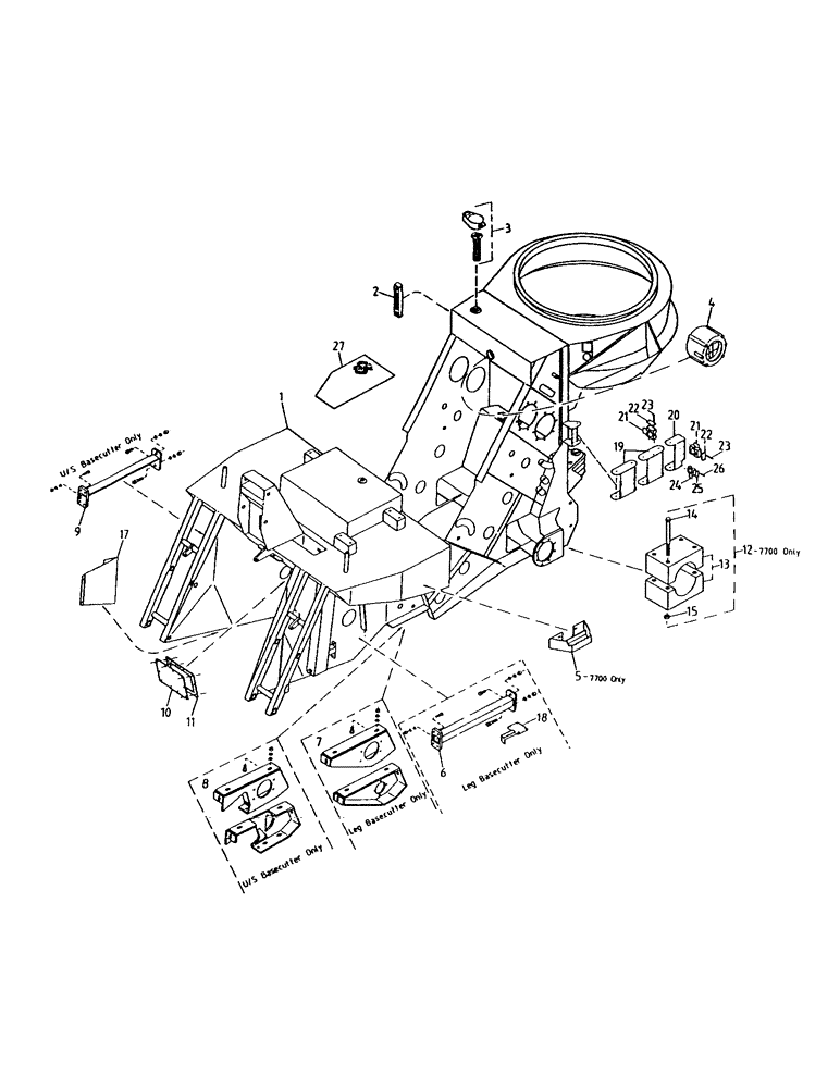
1
14
7
5
26
4
21
22
24
12
23
10
25
13
19
17
27
11
8
6
18
20
22
21
2
3
15
9
23
FIT
1:1
100%

Артикул

Название

Примечание

Количество

1

87241086

MAINFRAME (7700 U/S)

1шт.

1

87241085

MAINFRAME (7700 LEG)

1шт.

2

00101646

LEVEL GAUGE CONTROL

GAUGE

1шт.

3

00404346

FILLER CAP

1шт.

3

FA105020

BOLT,Hex, M5 x 0.8, Gr 8.8

3шт.

4

00136076

LEVEL GAUGE CONTROL

GAUGE

1шт.

87235818

REPAIR KIT

FLOAT GAUGE

1шт.

00180786

FLOAT

1шт.

00180787

GASKET

1шт.

00180788

CONTACT

ASSY

1шт.

5

87230412

STEP

2шт.

5

FA110025

BOLT

4шт.

6

87232130

STRUT

STIFFENER (LH)

2шт.

7

87232144

CHASSIS

WALL (LH)

1шт.

7

87232145

MOUNTING PARTS

WALL (RH)

1шт.

8

87232146

CHASSIS

WALL (LH)

1шт.

8

87232147

CHASSIS

WALL (RH)

1шт.

9

87235679

STIFFENER (RH)

1шт.

10

86920900

COVER ASSY

COVER

1шт.

10

00605795

NUT

10шт.

11

86920800

GASKET,6mm Thk

1шт.

12

87219217

CLAMP

BLOCK ASSEMBLY

2шт.

13

87219216

BLOCK ASSY.

CLAMP BLOCK

2шт.

14

00608179

BOLT

8шт.

15

00606004

LOCK NUT

NUT

8шт.

17

87231989

GUIDE

CANE GUIDE (LH)

1шт.

17

87231990

GUIDE

CANE GUIDE (RH)

1шт.

18

87242114

SCRAPER

(LH)

1шт.

18

87242113

SCRAPER

(RH)

1шт.

19

87234470

CONNECTING LINK

LINK

2шт.

19

FA110025

BOLT

6шт.

19

NC110000

NUT

NUT

6шт.

20

87234471

CONNECTING LINK

LINK

1шт.

21

00408313

CLAMP

6шт.

22

00408315

COVER PLATE

COVER

6шт.

23

FA106070

BOLT

12шт.

23

NC106000

LOCK NUT

NUT

12шт.

24

00408314

CLAMP

4шт.

25

00408316

COVER PLATE

COVER

4шт.

26

FA106060

BOLT

8шт.

26

NC106000

LOCK NUT

NUT

8шт.

87237409

PLATE

SIDEWALL STIFFENER ( AROUND TOPHAT)

1шт.

27

87241640

TREAD PLATE (LH)

1шт.

27

87234319

PLATE

TREAD PLATE (RH)

1шт.

Выбрано товаров: 44