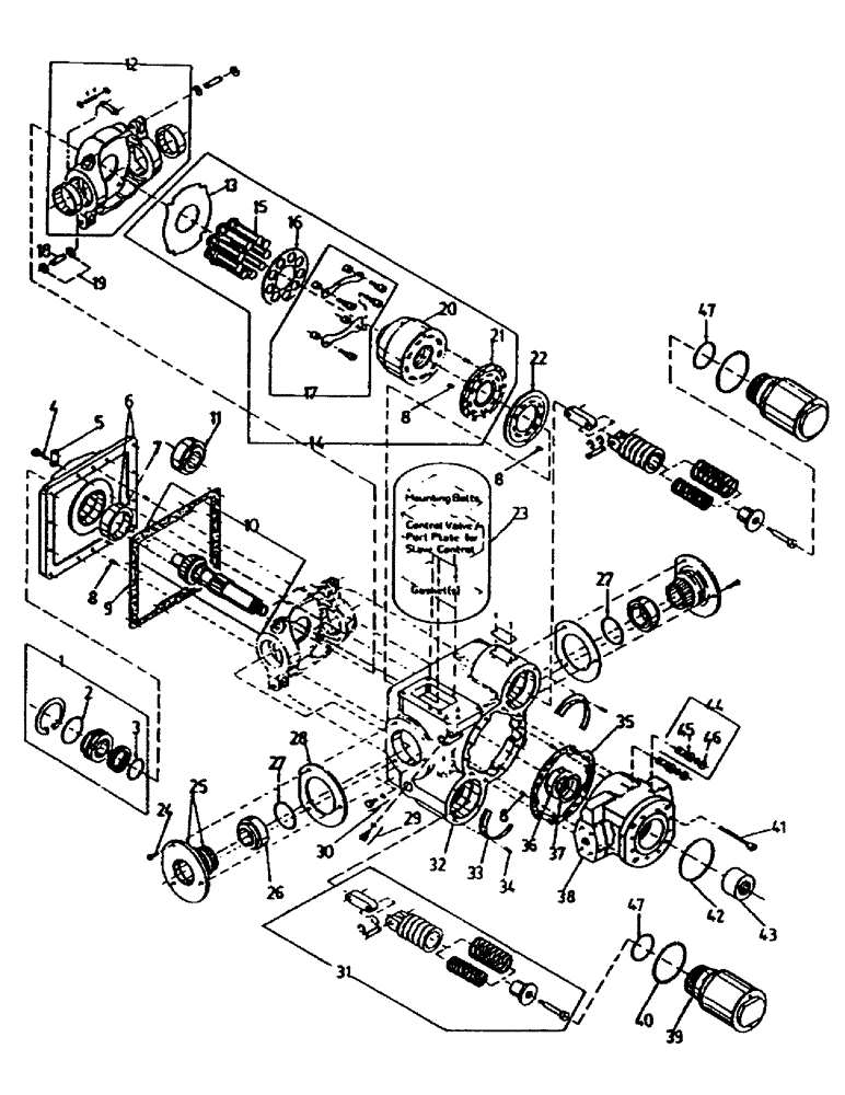
Запчасти Case IH 7000 (B03-05) - HYDRAULIC PUMP, TANDEM TRANSMISSION, FRONT Hydraulic Components & Circuits

Схема запчастей Case IH 7000 - (B03-05) - HYDRAULIC PUMP, TANDEM TRANSMISSION, FRONT Hydraulic Components & Circuits
22
20
45
3
46
39
17
23
28
40
34
19
41
25
42
8
37
18
8
16
14
38
26
1
12
11
24
33
4
32
21
36
5
44
7
43
35
9
47
30
2
8
31
6
27
10
27
13
15
29
47
FIT
1:1
100%

Артикул

Название

Примечание

Количество

1

00407127

SEAL

KIT (Shaft)

1шт.

2

00407128

O-RING

1шт.

3

00407129

O-RING

1шт.

4

00407200

BOLT

12шт.

5

00407201

STRAP

2шт.

6

00409260

FLANGE

1шт.

7

00407133

BEARING, CUP

CUP

1шт.

8

00407134

DOWEL

7шт.

9

00407203

GASKET

1шт.

10

00408996

SHAFT

1шт.

11

00407137

BEARING SET

BEARING KIT

1шт.

12

00407205

HYDRAULIC PUMP

SWASH PLATE

1шт.

13

00407139

PLATE

1шт.

14

00407140

REPAIR KIT

ROTATING GROUP KIT

1шт.

15

00407141

PISTON

9шт.

16

00407142

PLATE

1шт.

17

00407143

KIT

HOLDDOWN KIT

1шт.

18

00408367

KIT

PIN

2шт.

19

00407215

RETAINER

RING

4шт.

20

00407144

KIT

BARREL

1шт.

21

00407145

PLATE

1шт.

22

00408997

VALVE

PLATE

1шт.

23

00407207

HYDRAULIC PUMP

CONTROL

1шт.

24

00407208

BOLT

6шт.

25

00407209

COVER

TRUNNION

2шт.

26

00407210

BEARING ASSY

BEARING KIT

2шт.

27

00407235

O-RING

4шт.

28

00407211

GASKET KIT

SHIM

2шт.

29

00407212

PLUG

/O-RING

1шт.

30

00407163

PLUG

/O-RING

1шт.

31

00407214

PISTON

2шт.

32

00407213

HOUSING

1шт.

33

00407219

RETAINER

2шт.

34

00407220

SCREW

6шт.

35

00407221

COVER

GASKET

1шт.

36

00407148

BEARING ASSY

BEARING KIT

1шт.

37

00408998

SHIM KIT

1шт.

38

00409000

COVER

END COVER

1шт.

39

00407218

SERVO-CONTROL

SLEEVE KIT

2шт.

40

00407217

O-RING

2шт.

41

00409067

SCREW

4шт.

42

00409001

O-RING

1шт.

43

00408914

SPLINED COUPLING

COUPLING

1шт.

44

00407225

CHECK VALVE

2шт.

45

00407226

O-RING

2шт.

46

00407227

BACK-UP RING

RING

2шт.

47

00407235

O-RING

2шт.

48

00407234

SEAL

KIT

1шт.

49

00408912

HYDROSTATIC PUMP

ASSEMBLY

1шт.

50

00408436

HYDRAULIC PUMP

ASSEMBLY (Tandem - Complete)

1шт.

Выбрано товаров: 50