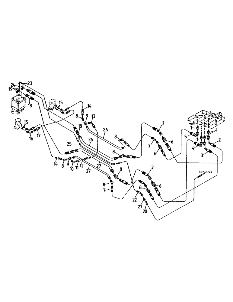
Запчасти Case IH 7000 (B05-80) - HYDRAULIC CIRCUIT, TOPPER AND GATHERING DRUM Hydraulic Components & Circuits

Схема запчастей Case IH 7000 - (B05-80) - HYDRAULIC CIRCUIT, TOPPER AND GATHERING DRUM Hydraulic Components & Circuits
11
2
8
17
7
8
27
18
16
8
4
18
7
14
6
9
8
14
26
24
8
5
13
3
25
26
15
21
7
7
23
8
1
22
15
1
9
6
20
1
6
6
27
19
10
12
FIT
1:1
100%

Артикул

Название

Примечание

Количество

1

00400230

HYD CONNECTOR

NIPPLE

4шт.

2

87245650

HOSE

1шт.

3

87245651

HOSE

1шт.

4

87226062

HOSE

1шт.

5

86300994

HOSE

1шт.

6

00400069

LUBE NIPPLE

NIPPLE

4шт.

7

87239089

HOSE

4шт.

8

00404511

HYD CONNECTOR

ELBOW

6шт.

9

00404679

TEE

2шт.

10

86312389

HYD CONNECTOR

ELBOW

1шт.

11

HYDRAULIC CHECK VALVE (Refer to Page B04-45-A)

1шт.

12

00400166

HYD CONNECTOR

NIPPLE

1шт.

13

83129700

HOSE

1шт.

14

87225804

HOSE

2шт.

15

00400228

HYD CONNECTOR

NIPPLE

4шт.

16

00407516

HYD CONNECTOR

BEND

1шт.

17

87067400

HOSE ASSY.

HOSE

1шт.

18

83126300

HOSE,13.00 mm ID x 1541.00 mm, SAE 100R16

2шт.

19

00400242

HYD CONNECTOR

ELBOW

2шт.

20

82714000

HOSE

1шт.

21

00400070

HYD CONNECTOR

NIPPLE

1шт.

22

87226054

HOSE

1шт.

23

87234958

HOSE

1шт.

24

00402235

HYD CONNECTOR

NIPPLE

1шт.

25

87219424

TUBE,9.52 mm OD x 1355 mm, 175 mm L

1шт.

26

87213943

TUBE

2шт.

27

86989700

TUBE

2шт.

Выбрано товаров: 27