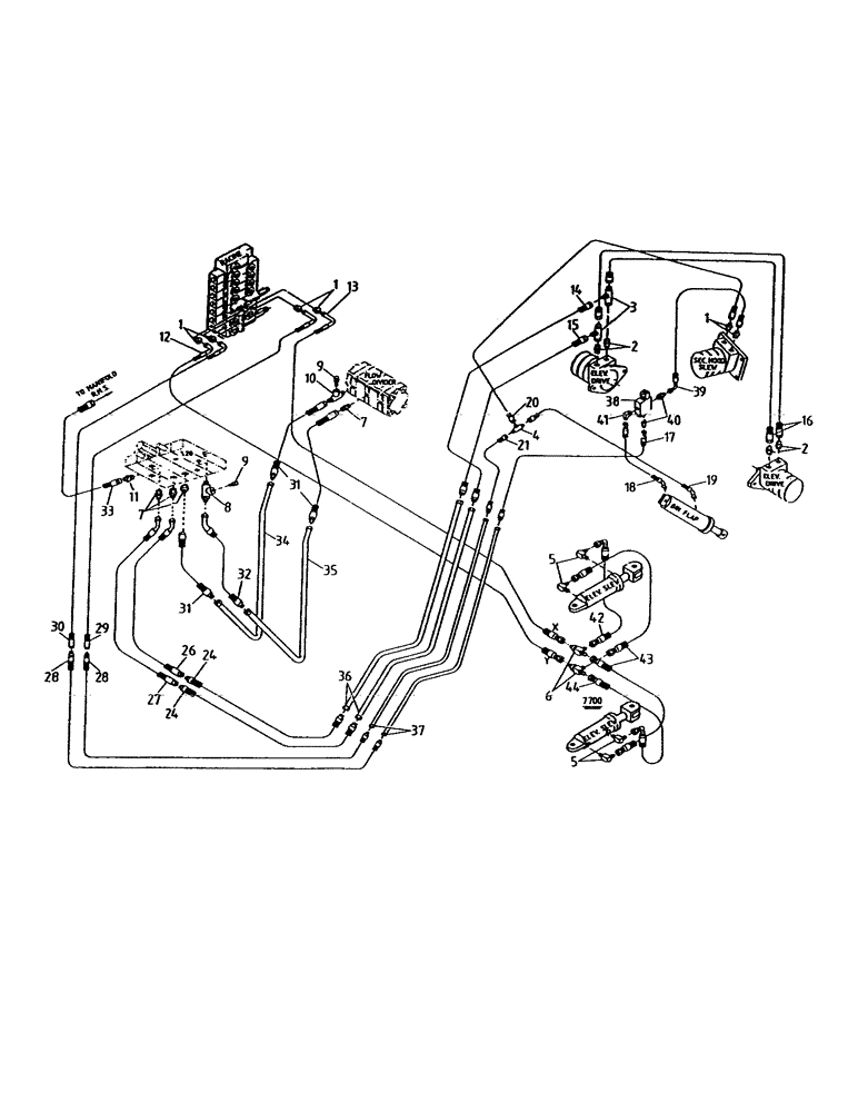
Запчасти Case IH 7000 (B06-00) - HYDRAULIC CIRCUIT, ELEVATOR Hydraulic Components & Circuits

Схема запчастей Case IH 7000 - (B06-00) - HYDRAULIC CIRCUIT, ELEVATOR Hydraulic Components & Circuits
13
24
5
42
28
21
31
40
37
17
10
29
27
8
26
18
14
19
43
28
1
4
15
44
1
2
32
5
33
16
3
6
20
41
11
24
34
1
9
38
36
2
12
31
39
7
30
35
9
FIT
1:1
100%

Артикул

Название

Примечание

Количество

1

00400074

HYD CONNECTOR

NIPPLE

6шт.

2

00400229

HYD CONNECTOR

NIPPLE

4шт.

3

00404678

TEE

2шт.

4

00400207

TEE

1шт.

5

00400189

HYD CONNECTOR

ELBOW

4шт.

6

00408873

TEE

2шт.

7

00400231

HYD CONNECTOR

NIPPLE

4шт.

8

87172100

TEE

1шт.

9

00405498

SCREW ON COUPLING

TEST POINT

2шт.

10

86314714

TEE

1шт.

11

00400234

HYD CONNECTOR

NIPPLE

1шт.

12

87229618

HOSE

HYDRAULIC HOSE

1шт.

13

87229617

HYDRAULIC HOSE

1шт.

14

87235362

HOSE (Standard Elevator)

1шт.

14

87239110

HOSE (Extended Elevator)

1шт.

15

87235361

HOSE (Standard Elevator)

1шт.

15

87239109

HOSE (Extended Elevator)

1шт.

16

86301017

HYDRAULIC HOSE

2шт.

17

81674200

HOSE

1шт.

18

87226068

HOSE (Standard Elevator)

1шт.

18

86310648

HOSE

HYDRAULIC HOSE (Extended Elevator)

1шт.

19

82702100

HOSE ASSY.

HOSE (Standard Elevator)

1шт.

19

87231900

HOSE ASSY.

HOSE (Extended Elevator)

1шт.

20

87237588

HOSE (Standard Elevator)

1шт.

20

81683100

HOSE,6.35mm ID x 1570mm L, SAE 100R1

Extended Elevator

1шт.

21

87237589

HOSE

1шт.

24

87237586

HOSE

2шт.

26

87229420

HYDRAULIC HOSE

1шт.

27

87229419

HYDRAULIC HOSE

1шт.

28

87239108

HOSE

2шт.

29

87229421

HYDRAULIC HOSE

1шт.

30

87229422

HYDRAULIC HOSE

1шт.

31

87229428

HYDRAULIC HOSE

3шт.

32

87214770

HOSE

1шт.

33

87213346

HOSE

1шт.

34

87229213

TUBE,19 mm OD

1шт.

35

87229217

TUBE,19 mm OD

1шт.

36

87233525

TUBE,755 mm L

2шт.

37

87233529

TUBE,3670 mm L

2шт.

38

HYDRAULIC SOLENOID VALVE (Refer to Page B04-80-A)

1шт.

39

86313828

HOSE ASSY.

HOSE (Standard Elevator)

1шт.

39

86331400

HOSE

(Extended Elevator)

1шт.

40

00400224

HYD CONNECTOR

NIPPLE

2шт.

41

00402475

HYD CONNECTOR

ELBOW

1шт.

42

82704100

HOSE

1шт.

43

87229623

HOSE

23шт.

44

86310227

HOSE ASSY.

HOSE

1шт.

Выбрано товаров: 47