Запчасти Case IH 7000 (A03-05) - VERTICAL ARM EXTRACTOR FAN, PRIMARY Mainframe & Functioning Components

Схема запчастей Case IH 7000 - (A03-05) - VERTICAL ARM EXTRACTOR FAN, PRIMARY Mainframe & Functioning Components
1
23
18
6
12
24
31
20
23
7
29
11
3
35
4
37
34
39
5
33
2
27
15
32
13
14
19
26
40
17
10
21
28
36
6
8
9
22
38
16
FIT
1:1
100%

Артикул

Название

Примечание

Количество

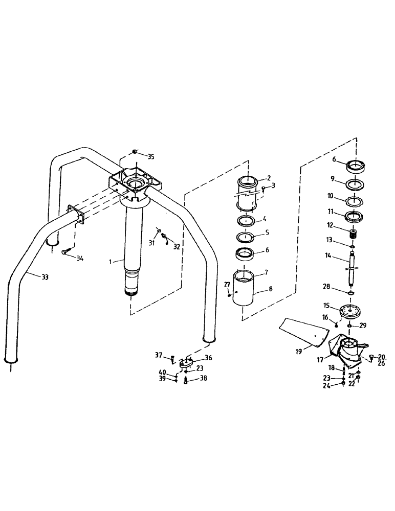
1

87248216

MOUNTING PARTS

MOUNT

1шт.

2

87248284

SLEEVE

1шт.

3

FC108025

SCREW,M8 x 1.25 x 25mm

4шт.

4

00100824

OIL SEAL

SEAL

1шт.

5

00141708

CIRCLIP

1шт.

6

00146532

BEARING

2шт.

7

87230229

BEARING HOUSING,124 mm ID x 170 mm OD x 235 mm

1шт.

8

FE108012

SCREW,M8 x 1.25 x 12mm

1шт.

9

87230348

LOCK WASHER

1шт.

10

00146523

WASHER

TAB WASHER

1шт.

11

00146524

LOCK NUT

NUT

1шт.

12

87232884

SPLINED COUPLING,14T Internal / 16T External

COUPLING

1шт.

13

CI028000

CIRCLIP

1шт.

14

87246767

SHAFT

1шт.

15

87246772

FLANGE COVER CAP

END CAP

1шт.

16

FM108025

BOLT

8шт.

17

87246770

HUB ASSY.

HUB

1шт.

18

87236252

STUD

8шт.

19

87227812

SET OF BLADES

BLADE SET

1шт.

20

00601584

BOLT

9шт.

21

00605829

WASHER

12шт.

22

00605803

NUT

12шт.

23

WB120000

WASHER

11шт.

24

NJ112000

NUT

8шт.

26

00601579

BOLT

3шт.

27

00138637

LUBE NIPPLE

GREASE NIPPLE

1шт.

28

CE032000

CIRCLIP

1шт.

29

00180467

PLUG

1шт.

30

00181850

MOUNTING PARTS

MOUNT

3шт.

31

87245706

SPACER

1шт.

32

87238304

SENDER UNIT

SENDER

1шт.

33

87248278

ARM ASSY.

ARM

1шт.

34

FM116040

BOLT

4шт.

35

NJ160000

NUT

4шт.

36

87250260

SPACER, RING

SPACER

3шт.

37

FD110035

SCREW

6шт.

38

FM112035

BOLT

3шт.

39

NJ110000

NUT

6шт.

40

WB100000

WASHER

6шт.

41

87247998

FAN

ASSEMBLY (Includes Items 17/19)

1шт.

Выбрано товаров: 40