Запчасти Case IH 7000 (B02-82) - HYDRAULIC MOTOR, TRACTION Hydraulic Components & Circuits

Схема запчастей Case IH 7000 - (B02-82) - HYDRAULIC MOTOR, TRACTION Hydraulic Components & Circuits
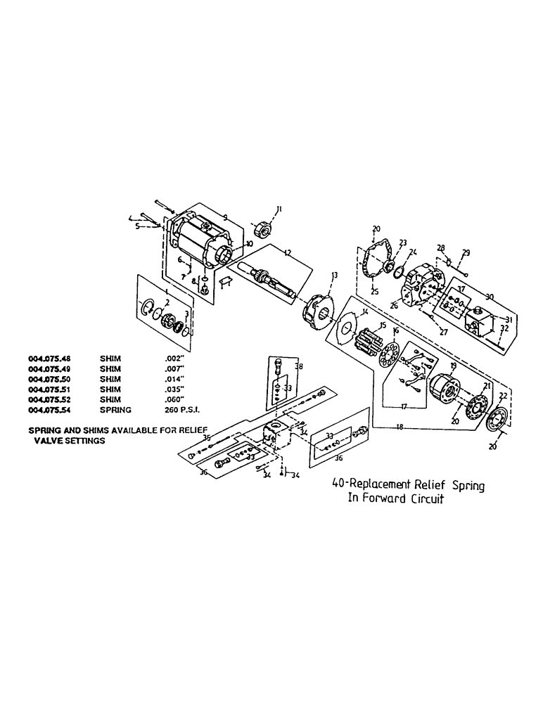
37
4
17
31
15
2
12
36
3
1
33
34
28
5
36
29
26
24
20
23
13
10
14
20
34
30
34
7
9
40
6
27
18
38
21
25
16
19
32
33
8
20
35
11
22
33
FIT
1:1
100%

Артикул

Название

Примечание

Количество

1

00407127

SEAL

KIT (Shaft)

1шт.

2

00407128

O-RING

1шт.

3

00407129

O-RING

1шт.

4

00407164

SCREW

2шт.

5

00407165

WASHER

2шт.

6

00407131

DOWEL

1шт.

7

00407132

PLUG

1шт.

8

00407135

PLUG

/O-RING

1шт.

9

00407130

HOUSING

ASSEMBLY

1шт.

10

00407133

BEARING, CUP

CUP

1шт.

11

00407137

BEARING SET

BEARING KIT

1шт.

12

00407136

SHAFT

1шт.

13

00407138

PLATE

SWASH PLATE

1шт.

14

00407139

PLATE

1шт.

15

00407141

PISTON

9шт.

16

00407142

PLATE

1шт.

17

00407143

KIT

HOLDDOWN KIT

1шт.

18

00407140

REPAIR KIT

ROTATING GROUP KIT

1шт.

19

00407144

KIT

BARREL

1шт.

20

00407134

DOWEL

5шт.

21

00407145

PLATE

1шт.

22

00407146

PLATE

1шт.

23

00407148

BEARING ASSY

BEARING KIT

1шт.

24

00407149

SHIM KIT

SHIM

1шт.

25

00407147

GASKET

1шт.

26

00407150

HYDRAULIC MOTOR

END COVER

1шт.

27

00407154

BOLT

2шт.

28

00407152

SECURING STRAP

STRAP

2шт.

29

00407153

BOLT

6шт.

30

00407155

PUMP, HYDROSTATIC

VALVE BLOCK KIT

1шт.

31

00407156

HYDRAULIC VALVE

VALVE BLOCK

1шт.

32

00407158

BOLT

4шт.

33

00407161

SEAL KIT

(Relief Valve)

3шт.

34

00407163

PLUG

/O-RING

3шт.

35

00407162

HYDRAULIC VALVE

SHUTTLE VALVE KIT

1шт.

36

00407189

VALVE, PRESSURE RELI

RELIEF VALVE

2шт.

37

00407157

SEAL KIT

(Valve Block)

2шт.

38

00407159

HYDRAULIC VALVE

RELIEF VALVE

1шт.

39

00407166

SEAL

KIT

1шт.

40

00408923

SPRING

1шт.

41

87246659

MOTOR, HYDRAULIC

ASSEMBLY

2шт.

00407548

SHIM

.002"

1шт.

00407549

SHIM

.007"

1шт.

00407550

SHIM

.014"

1шт.

00407551

SHIM

.035"

1шт.

00407552

SHIM

.060"

1шт.

00407554

SPRING

260 P.S.I.

1шт.

Выбрано товаров: 47