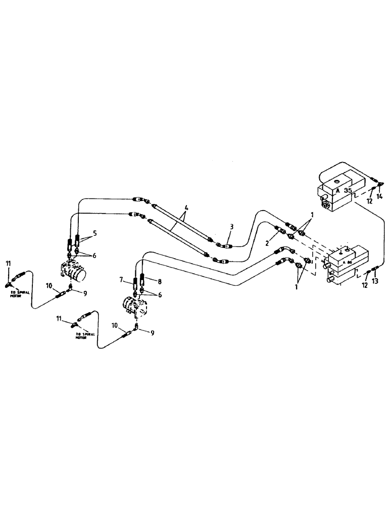
Запчасти Case IH 7000 (B05-95) - HYDRAULIC CIRCUIT, SIDETRIM KNIVES Hydraulic Components & Circuits

Схема запчастей Case IH 7000 - (B05-95) - HYDRAULIC CIRCUIT, SIDETRIM KNIVES Hydraulic Components & Circuits
6
12
6
1
4
9
7
11
9
11
2
10
8
13
12
3
5
14
10
1
FIT
1:1
100%

Артикул

Название

Примечание

Количество

1

00400230

HYD CONNECTOR

NIPPLE

4шт.

2

86308392

HOSE ASSY.

HOSE

1шт.

3

87247524

HOSE,12.7mm ID x 560mm L, SAE 100R17

1шт.

4

87248206

TUBE,16 mm OD x 1100 mm L

2шт.

5

86312387

HOSE ASSY.

HOSE

2шт.

6

00400228

HYD CONNECTOR

NIPPLE

4шт.

7

87234096

HOSE

1шт.

8

87214345

HOSE

1шт.

9

00405242

HYD CONNECTOR

ELBOW

2шт.

10

82743200

HOSE ASSY.

HOSE

2шт.

11

00403925

TEE

2шт.

12

00400223

HYD CONNECTOR

NIPPLE

2шт.

13

81965500

HOSE ASSY.

HOSE

1шт.

14

00400677

PLUG

TEE

1шт.

Выбрано товаров: 14