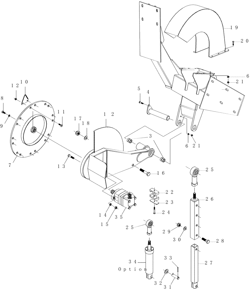
Запчасти Case IH 7000 (A03.06[01]) - Sidetrim Knives {Adjustable} (60) - PRODUCT FEEDING

Схема запчастей Case IH 7000 - (A03.06[01]) - Sidetrim Knives {Adjustable} (60) - PRODUCT FEEDING
16
30
20
29
9
22
5
15
21
19
24
4
13
12
28
2
18
23
7
1
31
10
11
21
6
14
option
27
6
35
25
8
26
34
17
32
3
33
25
FIT
1:1
100%

Артикул

Название

Примечание

Количество

1

376468A1

SUPPORTING ARM

LH

1шт.

2

376467A1

SUPPORTING ARM

RH

1шт.

3

87255100

BUSHING,38.2mm ID x 44.5mm OD x 38mm L

4шт.

4

376569A1

PIN,38.1mm OD x 198mm L

2шт.

5

FA108030

BOLT

2шт.

6

WB080000

WASHER

18шт.

7

87217492

HUB

2шт.

8

601499

BRACKET

SPARE PART

2шт.

9

605827

2шт.

10

87255696

KNIFE

16шт.

11

605373

SLEEVE

32шт.

12

605998

32шт.

13

FC112045

HEX SOC SCREW,M12 x 1.75 x 45mm

4шт.

14

WB120000

WASHER

4шт.

15

NA112000

NUT

4шт.

16

606695

HINGE

2шт.

17

606004

2шт.

18

605812

2шт.

19

87242527

GUARD

2шт.

20

FA108020

BOLT

16шт.

21

NA108000

NUT

18шт.

22

405072

LOCK

2шт.

23

405228

PLATE

2шт.

24

FA108045

BOLT

2шт.

25

141656

2шт.

26

87254863

TUBE

UPPER

2шт.

27

87254867

TUBE

LOWER

2шт.

28

FA116075

BOLT

2шт.

29

NC116000

NUT

2шт.

30

WA160000

WASHER

2шт.

31

87250196

PIN,20mm OD x 70mm L

2шт.

32

WA200000

WASHER

4шт.

33

SA040040

COTTER PIN

4шт.

34

REF

INSTRUCTION

HYDRAULIC CYLINDER

1шт.

SEE PAG. B02.03

1шт.

35

REF

INSTRUCTION

MOTOR, HYDRAULIC

1шт.

SEE PAG. B03.01

1шт.

Выбрано товаров: 37